Models
Parts
Model: 17BRCACT099 (247.204182) (Z6400) (2015)
.Quick Reference
Deck Lift
Drive & Rear Wheel
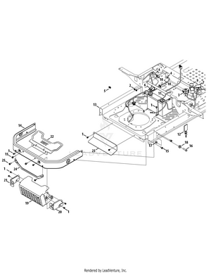
Engine Accessories
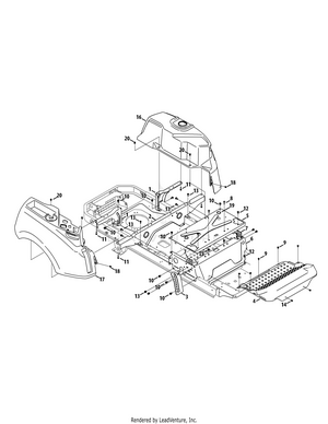
Floorboard & Fenders
Frame & Electrical
Front Axle
Fuel Tank
Label Map
Lapbar Assembly
Mower Deck
Seat & Assembly
19A70043OEM Twin Rear Bagger (2015)
19B30005OEM 46-Inch Mulch Kit (2015)
Model: 1AHF08390
In Stock
Replaced By :
Please call us at 866-243-2721 or talk with us by sending us more information. We want to verify availability before placing your order.
For Customer Service inquiries please E-mail info@partswarehouse.com, Call 866.243.2721 or Text 972.383.9129
Mon - Sat 7AM - 7PM CT
Mon - Sat 6AM-2AM CT
Track your order
Reviews
FAQs
Price Match Guarantee
Sign in for faster checkout.