Models
Parts
Model: 17ARCBDQ099 (247.204100) (ZS6700) (2016)
.Quick Reference
Battery
Clutch Keeper
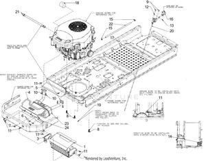
Deck
Deck Covers
Deck Lift
Discharge Chute
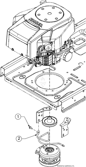
Drive
Electrical
Engine Accessories
Floorboard
Frame
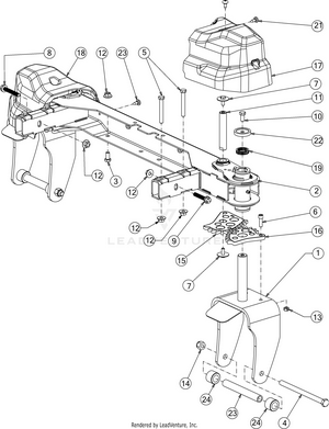
Front Axle
Fuel Line
Fuel Tank
Hour Meter
Pedals
Platform
Seat
Seat Adjustment
Steering
Steering Wheel
Wheels
19A30016OEM 50-Inch Mulch Kit
19A40026OEM EZ-Stow (2015)
19A70031OEM Rear Bumper (2015)
19A70043OEM Twin Rear Bagger (2015)
19B70028OEM 52-Inch Snow Blade
19B70032OEM RZT Light Kit (2016)
Model: 1AHF08390
In Stock
Replaced By :
Please call us at 866-243-2721 or talk with us by sending us more information. We want to verify availability before placing your order.
For Customer Service inquiries please E-mail info@partswarehouse.com, Call 866.243.2721 or Text 972.383.9129
Mon - Sat 7AM - 7PM CT
Mon - Sat 6AM-2AM CT
Track your order
Reviews
FAQs
Price Match Guarantee
Sign in for faster checkout.