Welcome,
My Cart
0 item(s)

Models

Parts


product name

Craftsman 17AKCACS299 (247.204122) (Z6000) (2015) Z-Series

Model: 17AKCACS299 (247.204122) (Z6000) (2015)

Back To Assemblies

Save
Part Not Listed?Part Not Listed?

product name

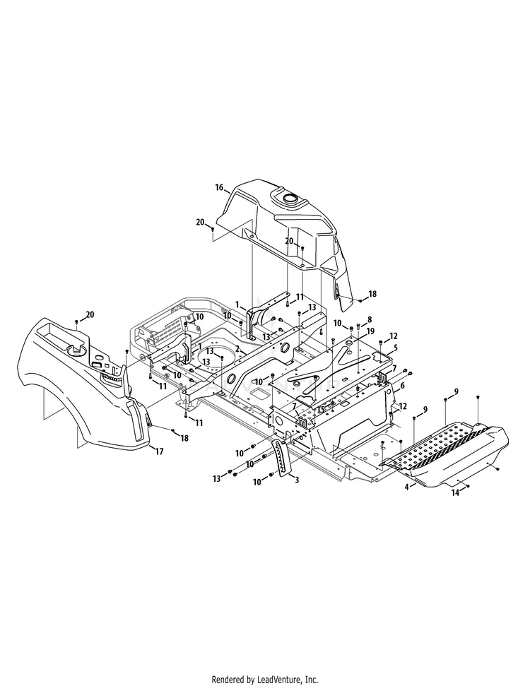
Floorboard & Fenders

...
...
1
REAR TANK BRACKET (CUB SUPER YELLOW) MTD-703-08720C-5017

...
2
REAR SEATBOX BRACKET (POWDER BLACK) MTD-703-11179-0637

...
3
Height Index Bracket MTD-703-08762C

...
4

...
5
SEATBOX TOP PLATE (POWDER BLACK) MTD-703-09045J-0637

...
6
SEAT FRAME (CRAFTSMAN RED) MTD-703-09320F-4044

...
7
Lapbar Brace Bracket MTD-703-09211A-0637

...
8
Hex Cap Screw, 5/16-18 x 1.00 MTD-710-0643

...
9
Screw, 1/4-20 x .5 MTD-710-05070A

...
10
SCREW 5/16-18 x .750 MTD-710-04484

...
11
Hex Washer Screw, 5/16-14 x 1.00 MTD-710-05109

...
12
Self Tapping Screw, 5/16-18 x .750 MTD-710-05424

...
13
Hex Washer Screw, 5/16-18 x .50 MTD-710-0607

...
14
Screw, 5/16-18, .750 MTD-710-06096

...
15
Nut, 5/16-18 MTD-728-04068

...
16
CONSOLE (LH) MTD-931-10107A

...
17
CONSOLE (RH) (W/O RMC) MTD-931-13513

...
18
TORX SHOULDER SCREW 1/4-20 MTD-738-04549A

...
19
Button Plug MTD-726-3045A

...
20
Shoulder Screw, .368 x .115, M6-1 MTD-738-05090
...
...
...
...
...
Processing