Welcome,
My Cart
0 item(s)

Models

Parts


product name

Craftsman 14A7A5ZQ099 (247.270480) (G8200) (2017) Garden Tractor

Model: 14A7A5ZQ099 (247.270480) (G8200) (2017)

Back To Assemblies

Save
Part Not Listed?Part Not Listed?

product name

Electric

...
...
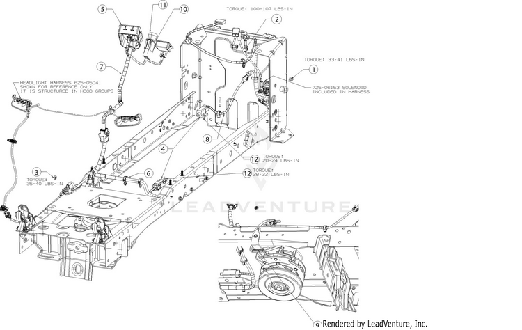
1
SCREW M6-1 x .625 MTD-710-06133

...
2
SCREW 1/4-20X.625 MTD-710-1652

...
3
HEX NUT 1/4-20 MTD-712-05106

...
4
INTERLOCK SWITCH (NO/NC) MTD-725-04363

...
5
IGNITION MODULE SWITCH (RMC ELC PTO WHTE) MTD-725-13425

...
6
MAIN HARNESS (E-PTO/RMC/HRMTR) MTD-725P06127C

...
7
DASH HARNESS MTD-925-06129

...
8
REVERSE HARNESS MTD-925-06167

...
9
CLUTCH HARNESS 11" MTD-725-06173

...
10
SERVICE MINDER/HOUR METER W/BLUETOOTH MTD-925-06221B

...
11
PTO SWITCH (YELLOW KNOB) MTD-925-3233A

...
12
SHOULDER SCREW MTD-738-04237A
...
...
...
...
...
Processing