Welcome,
My Cart
0 item(s)

Models

Parts


product name

Craftsman 14A7A3ZW099 (247.204450) (G8400) (2016) Garden Tractor

Model: 14A7A3ZW099 (247.204450) (G8400) (2016)

Back To Assemblies

Save
Part Not Listed?Part Not Listed?

product name

Electrical

...
...
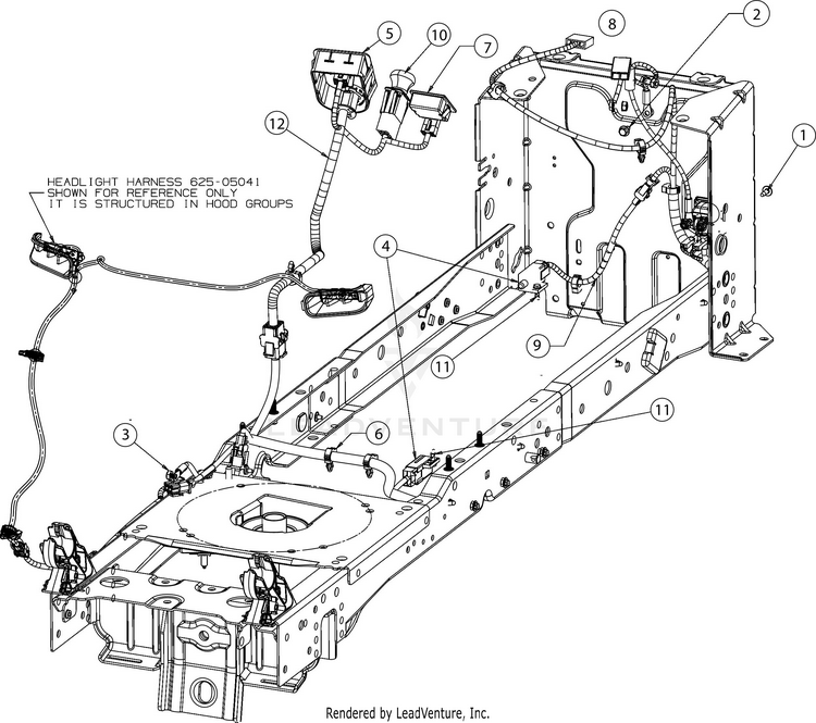
1
SCREW M6-1 X .625 MTD-710-06133

...
2
SCREW 1/4-20X.625 MTD-710-1652

...
3
HEX NUT 1/4-20 MTD-712-05106

...
4
INTERLOCK SWITCH (NO/NC) MTD-725-04363

...
5
IGNITION MODULE SWITCH (RMC ELC PTO WHTE) MTD-725-13425

...
12
DASH HARNESS MTD-925-06129

...
7
HOUR METER/SERVICE MINDER MTD-925-06170B

...
8
REVERSE HARNESS MTD-925-06167

...
9
CLUTCH HARNESS 11" MTD-725-06173

...
10
PTO SWITCH (YELLOW KNOB) MTD-925-3233A

...
11
SHOULDER SCREW MTD-738-04237A

...
6
MAIN HARNESS (E-PTO/RMC/HRMTR) MTD-725P06127C
...
...
...
...
...
Processing