Welcome,
My Cart
0 item(s)

Models

Parts


product name

Craftsman 14A7A3ZW099 (247.204450) (G8400) (2016) Garden Tractor

Model: 14A7A3ZW099 (247.204450) (G8400) (2016)

Back To Assemblies

Save
Part Not Listed?Part Not Listed?

product name

Popular Parts

Popular Parts


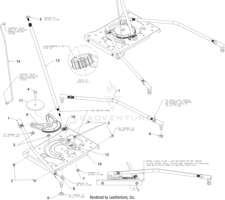
Steering

...
...
1
NUT (Not Shown) MTD-712-3029

...
1
BALL JOINT 1/2-20 (Not Shown) MTD-723-05013

...
1
STEERING TIE ROD MTD-947-05058A

...
2
SCREW M6-1 x .625 MTD-710-06133

...
3
SCREW 5/16-24 x .85 GR5 MTD-710-06154B

...
4
HEX SCREW 3/8-16X1.25 MTD-710-3005

...
5
JAM NUT 7/16-20 MTD-912-0240

...
6
HEX NUT FLANGE 3/4 MTD-712-3078

...
7
FLANGE LOCK NUT 5/16-18 MTD-712-04063


...
9
STEERING GEAR SEGMENT MTD-717-05156C

...
10
STEERING PINION GEAR 13T MTD-717-05193B

...
11
FLAT WASHER .385 x 3.75 x .120 THK MTD-736-05125A

...
13
STEERING SHAFT .625 x 20 MTD-738-05043

...
14
CRUISE/BRAKE ROD MTD-747-06192A

...
15
STEERING SUPPORT BEARING MTD-748-05071B

...
16
STEERING MOUNTING PLATE MTD-783-08386D-0637
...
...
...
...
...
Processing