Welcome,
My Cart
0 item(s)

Models

Parts


product name

Craftsman 14A7A3ZW099 (247.204450) (G8400) (2015) Garden Tractor

Model: 14A7A3ZW099 (247.204450) (G8400) (2015)

Back To Assemblies

Save
Part Not Listed?Part Not Listed?

product name

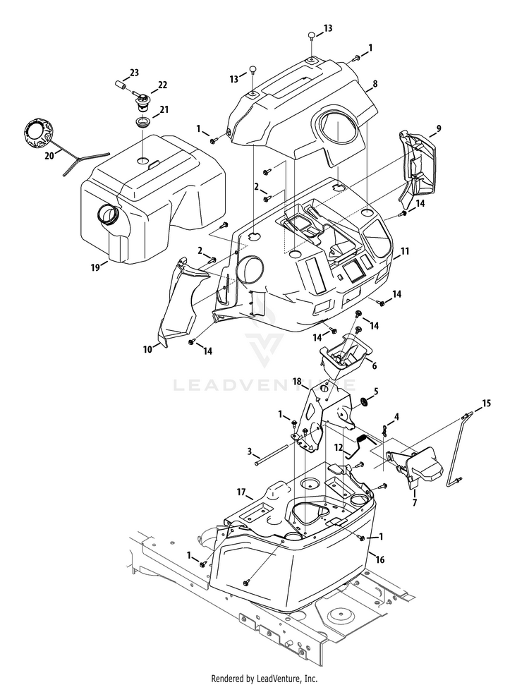
Fuel Tank & Lower Dash

...
...
1
Screw, M6-1 x .625 MTD-710-06133

...
2
Screw, 1/4-10 x .75 MTD-710-06147

...
3
Hinge Pin, .25 Dia x 4.50 LG MTD-711-06378

...
4
Pin, Cotter, Bow-Tie 72 MTD-714-04040

...
5
Nut, Push-on, .25 Dia. MTD-726-04012

...
6
Steering Shaft Bearing MTD-731-10618

...
7
CRUISE/BRAKE DASH LEVER MTD-731-10636C

...
8

...
9
Dash Cap, RH MTD-731-10974

...
10
Dash Cap, LH MTD-731-10975

...
11
UPPER DASH MTD-931-11066B

...
12
Torsion Spring, .330 ID MTD-732-05199

...
13
Bumper, .62 Dia x .3 MTD-735-0271A

...
14
Shoulder Screw, .368 x .115, M6-1 MTD-738-05090

...
15
CRUISE/BRAKE ROD MTD-747-06192A

...
16
LOWER DASH (BLACK JACK) MTD-783-08391B-0691

...
17
DASH/FUEL TANK PLATE (POWDER BLACK) MTD-783-09546B-0637

...
18
STEERING MOUNT BRACKET MTD-783-08538A-0637

...
19
FUEL TANK (3 GAL) MTD-651P08850

...
20
FUEL CAP (W/ 8"TETHER) MTD-751P15242A

...
21
Grommet, Rubber, 23.0 ID MTD-735-04081

...
22
Valve, Rollover Grommet MTD-751-12118

...
23
...
...
...
...
...
Processing