Welcome,
My Cart
0 item(s)

Models

Parts


product name

Craftsman 1417A3ZW099 (247.204470) (G8600) (2016) Garden Tractor

Model: 1417A3ZW099 (247.204470) (G8600) (2016)

Back To Assemblies

Save
Part Not Listed?Part Not Listed?

product name

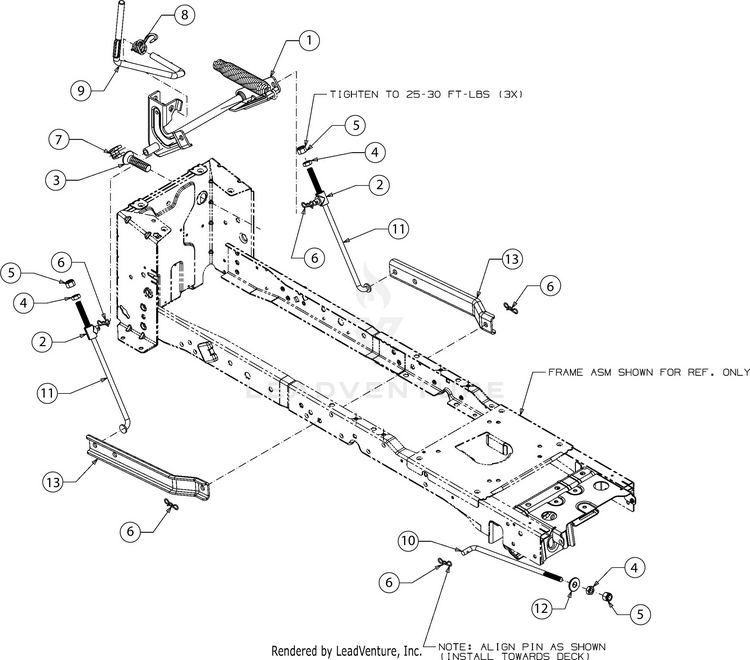
Deck Lift

...
...
1
LIFT SHAFT ASSEMBLY MTD-983-05077

...
2
LIFT ROD FERRULE MTD-711-06143A

...
3
LIFT SPRING INSERT MTD-711-06346A

...
4
Hex Jam Nut 1/2-13 Gr 5 MTD-712-3048

...
5
HEX LOCK NUT NYLON MTD-712-3083

...
6
BOW TIE COTTER PIN MTD-714-05005

...
7
SPACER-LIFT SHAFT MTD-731-09629A

...
8
TORSION SPRING MTD-732-05086A

...
9
DECK LIFT HANDLE MTD-747-06186A

...
10
DECK FRONT LIFT ROD MTD-747-06247C

...
11
ADJUSTMENT LIFT ROD MTD-747-06392A

...
12
LIFT PIVOT CUP MTD-748-04069A

...
13
LIFT LINK MTD-783-13812
...
...
...
...
...
Processing