Welcome,
My Cart
0 item(s)

Models

Parts


product name

Craftsman 13A278XS099 (247.203723) (T1200) (2015) Lawn Tractor

Model: 13A278XS099 (247.203723) (T1200) (2015)

Back To Assemblies

Save
Part Not Listed?Part Not Listed?

product name

Engine Accessories

...
...
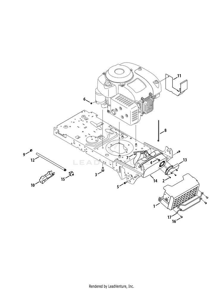
1
MUFFLER SHIELD (POWDER BLACK) MTD-683-05460A-0637

...
2
Screw, 8-18 x .500 MTD-710-0227

...
3
Screw, 3/8-16 x 1.0 MTD-710-04683C

...
4
Screw, 1/4-20 x .500 MTD-710-0599

...
5
Screw, 1/4-20 x .750 MTD-710-0642

...
6

...
7
Flange Nut, M8-1.25 MTD-712-3086

...
8
Cable Tie MTD-725-0157

...
9
Clamp Hose, .490 diameter MTD-726-0205

...
10
Oil Drain Sleeve MTD-731-05628

...
11
Deflector Bracket MTD-783-08122

...
12
FUEL HOSE 1/4-36" MTD-751-22813-36

...
13
EXHAUST DELECTOR (LONG) MTD-751-11053B

...
14

...
15
Fuel Filter MTD-951-3013

...
15
Genuine Factory Parts FUEL FILTER Retail Packaged Part MTD-490-202-M002

...
16
Pan Torx Screw 1/4 MTD-710-05070A

...
17
Muffler Guard Rod MTD-747-06404A-0637

...
xx
Complete Engine (not shown) MTD-952Z4P90HUD
...
...
...
...
...
Processing