Models
Parts
Model: 13A278XS099 (247.203723) (T1200) (2015)
.Quick Reference
Dash & Fuel Tank
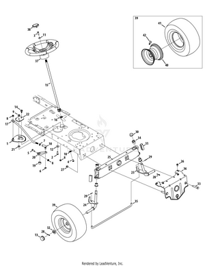
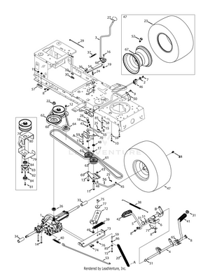
Drive & Rear Axle
Engine Accessories
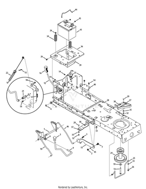
Frame, PTO & Battery
Hood & Grille
Label Map
Mower Deck
Seat & Fender
Steering & Front Axle
4P90HUB Air Intake
4P90HUB Carburetor Assembly
4P90HUB Crankcase
4P90HUB Crankshaft & Crankcase Cover
4P90HUB Cylinder Head
4P90HUB Engine Shroud
4P90HUB Ignition & Electrical
4P90HUB Starter Assembly
19A30003OEM Twin Rear Bagger (2015) 19A30003000 (2015)
19A30017OEM 46" Snow Blade
19A70041OEM 42-Inch Mulch Kit (2015)
OEM-190-032 Snow Thrower (2015) 190-032 (2015) 190-032-101 (2015)
Model: 1AHF08390
In Stock
Replaced By :
Please call us at 866-243-2721 or talk with us by sending us more information. We want to verify availability before placing your order.
For Customer Service inquiries please E-mail info@partswarehouse.com, Call 866.243.2721 or Text 972.383.9129
Mon - Sat 7AM - 7PM CT
Mon - Sat 6AM-2AM CT
Track your order
Reviews
FAQs
Price Match Guarantee
Sign in for faster checkout.