Welcome,
My Cart
0 item(s)

Models

Parts


product name

Craftsman 13A278XS099 (247.203720) (T1200) (2014) Lawn Tractor

Model: 13A278XS099 (247.203720) (T1200) (2014)

Back To Assemblies

Save
Part Not Listed?Part Not Listed?

product name

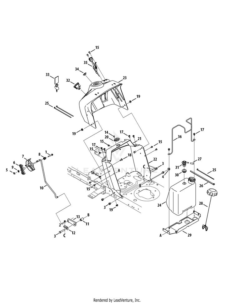
Dash & Fuel Tank

...
...
1
Hex Head Screw, 1/4-20 x 1.50 MTD-710-05237

...
2
Self-Tap Screw, 1/4-20 x .625 MTD-710-1652

...
3
Hex Head Screw, 3/8-16 x 2.00 MTD-710-3144

...
4
Flange Lock Nut, 3/8-16 MTD-712-04065

...
5
Weld Top L-Nut 1/4-20 Thd. MTD-712-0414

...
6
Index Control MTD-731-07966A

...
7
Shift Lever MTD-731-09253

...
8
Compression Spring, .685 x .63 MTD-732-04877

...
9
Internal Lock Washer, 1/4 MTD-736-3006

...
10
Speed Control Rod MTD-747-05398

...
11
Flange Spacer, .390 x .671 x 1.095 MTD-750-04465C

...
12
Speed Latch Tab MTD-783-06823

...
13

...
14
Screw, #10 MTD-910-0224

...
15
SCREW 1/4-20 x .5 MTD-710-05070A

...
16
Self-Tap Screw, 5/16-18 MTD-710-0604A

...
17
Hex Washer Screw, 1/4-20 x .625 MTD-710-1652

...
18
Hex Head Screw, 5/16-18 MTD-710-3025

...
19
Flange Lock Nut, 5/16-18 MTD-712-04063

...
20
Steering Column Bearing MTD-741-0587

...
21
Bracket, Steering Support MTD-783-06785C-0637

...
22
LOWER DASH (POWDER BLACK) MTD-783-06811F-0637

...
23
Upper Dash Panel MTD-931-09942A

...
24
FUEL TANK (1.36 GAL) MTD-651P08849

...
25
Cable Tie, 3/16 x 7.4" MTD-725-0157

...
26
Cable Tie, 36" Lg. MTD-726-0230

...
27

...
28
FUEL CAP W/12"TETHER VENTED MTD-951-12179C

...
29
FUEL TANK BRACKET MTD-783-07083A-0637

...
30
Rubber Grommet MTD-735-04081

...
31
Fuel Rollover Valve MTD-751-12118

...
32
IGNITION MODULE SWITCH RMC (MAN PTO BLK) MTD-925-06119C


...
34
Choke Plug MTD-731-05265

...
35
THROTTLE CABLE 28" x 1.1 MTD-946-04367A

...
36
Fuel Tank Support Rod MTD-747-05371
...
...
...
...
...
Processing