Welcome,
My Cart
0 item(s)

Models

Parts


product name

Craftsman 13A277SS299 (247.288870) (LT1500) (2013) Lawn Tractor

Model: 13A277SS299 (247.288870) (LT1500) (2013)

Back To Assemblies

Save
Part Not Listed?Part Not Listed?

product name

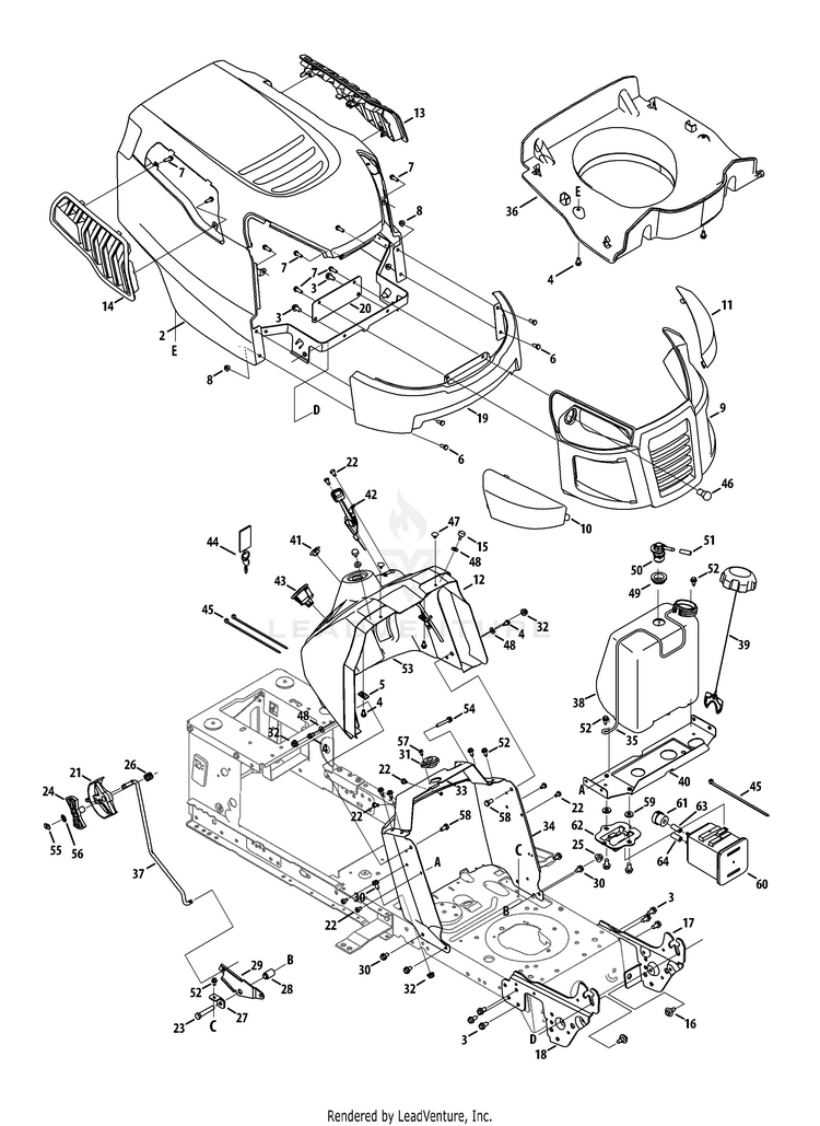
Hood & Grille

...
...
1
HEADLIGHT SOCKET (1/4 TURN) MTD-925-1649A

...
2
Hood Assembly MTD-683-04619A-4043

...
3
SCREW 5/16-18 x .750 MTD-710-04484

...
4
Hex Washer Screw, 1/4-20 x .500 MTD-710-0599

...
5
Tin Clip Nut, 1/4-20 MTD-712-0292

...
6
SCREW 1/4-20 x .620 GR5 MTD-710-0751

...
7
Screw, 1/4 x .750 MTD-710-05108

...
8
Nut, Hex Flange Insert Lock, 1/4-20 MTD-712-04064


...
10
CRAFTSMAN LENS (RH) MTD-731P07458

...
11
CRAFTSMAN LENS (LH) MTD-731P07459

...
12
DASH COLLER MTD-731-07460A

...
13
Hood Scoop, LH MTD-731-07711A

...
14
Hood Scoop, RH MTD-731-07712A

...
15

...
16
Shoulder Screw, 5/16-18 MTD-738-04091A

...
17
Left Support Pivot Bracket MTD-783-05327B-0637

...
18
SUPPORT BRACKET (RH) MTD-783-05328B-0637

...
19

...
20
Lower Grill Bracket MTD-783-06610-0637

...
21
Speed Control Lever MTD-731-09253

...
22
SCREW 1/4-20 x .5 MTD-710-05070A

...
23
Hex Head Screw, 3/8-16 MTD-710-3144

...
24
7-Speed Control Index MTD-731-07895A

...
25
Nut, Hex Flange Insert Lock, 3/8-16 MTD-712-04065

...
26
Compression Spring MTD-732-04877

...
27
Speed Latch Support Tab MTD-783-06823

...
28
Flange Spacer MTD-750-04465C

...
29
LATCH SPEED BRACKET (POWDER BLACK) MTD-783-06991A-0637

...
30
Self-Tap Screw, 5/16-18 MTD-710-0604A

...
31
Steering Column Bearing MTD-741-0587

...
32
Nut, Hex Flange Lock, 5/16-18 MTD-712-04063

...
33
Bracket, Steering Support MTD-783-06785C-0637

...
34
LOWER DASH (POWDER BLACK) MTD-783-06811F-0637

...
35
Fuel Tank Support Rod MTD-747-05371

...
36

...
37
Control Rod MTD-747-05398

...
38
FUEL TANK (1.36 GAL) MTD-651P08849

...
39
FUEL CAP W/12"TETHER VENTED MTD-951-12179C

...
40
FUEL TANK BRACKET MTD-783-07083A-0637

...
41
Choke Plug MTD-731-05265

...
42
THROTTLE CABLE 28" x 1.1 MTD-946-04367A

...
43
Key Switch Module MTD-925-04659


...
45
Cable Tie MTD-725-0157

...
46
Headlight Bulb MTD-925-0963

...
47
Ratchet Clip, .250 x .500 MTD-726-04072A

...
48
Fl-Wash. .280" I.D. x .620" O.D. MTD-736-0463

...
49
Rubber Grommet MTD-735-04081

...
50
Fuel Rollover Valve MTD-751-12118

...
51
Vent Hose MTD-751-12089

...
52
Hex Washer Screw, 1/4-20 x .625 MTD-710-1652

...
53
Dash, Upper NRMC MTD-931-08542C

...
54
Hex Flange Bolt MTD-710-05237

...
55
Weld Top L-Nut 1/4-20 Thd. MTD-712-0414

...
56
Lock Washer MTD-736-3006

...
57
Screw, #10 MTD-910-0224

...
58
Hex Head Screw, 5/16-18 MTD-710-3025

...
59
FLAT WASHER MTD-936-3008

...
60
Carbon Cannister MTD-951-10589

...
61
Cannister Vent Filter MTD-951-10590

...
62
Cannister Adapter Bracket MTD-951-10610

...
63
Low Perm. Fuel Hose, 3/16 White MTD-751-10749-14

...
64
FUEL HOSE LO PERMEATION 28" MTD-751-10750A-28

...
Headlight Reflector LH (Not Shown) MTD-777X44366

...
Headlight Reflector RH (Not Shown) MTD-777X44365
...
...
...
...
...
Processing