Welcome,
My Cart
0 item(s)

Models

Parts


product name

Craftsman 13A277SS099 (247.288820) (LT1500) (2013) Lawn Tractor

Model: 13A277SS099 (247.288820) (LT1500) (2013)

Back To Assemblies

Save
Part Not Listed?Part Not Listed?
product name

4P90HU Crankcase

...
...
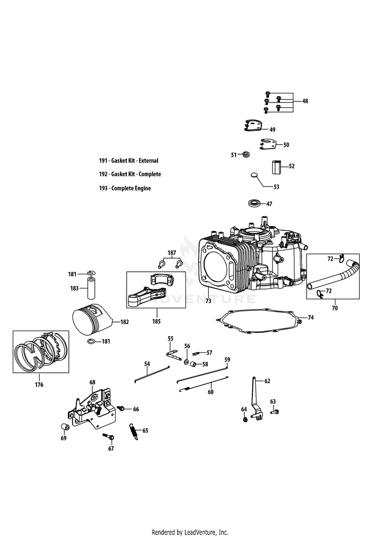
47

...
48
Bolt M6×14 MTD-710-04916

...
49
Breather Cover Plate MTD-951-12770A

...
50
Breather Gasket MTD-951-12226

...
51
Umbrella Valve MTD-951-12685

...
52
Mesh Screen MTD-951-12227

...
53
Umbrella Valve Seat MTD-951-12686

...
54
Choke Linkage MTD-951-12228

...
55
Governor Arm Shaft MTD-951-12229

...
56
Governor Washer MTD-736-04558

...
57
Cotter Pin MTD-714-04078

...
58

...
59
Throttle Linkage MTD-951-12230

...
60
Throttle Linkage Spring MTD-951-12231

...
62
Governor Arm MTD-951-12232

...
63
Governor Arm Bolt MTD-710-04908

...
64

...
65
Governor Spring MTD-951-12233

...
66
Bolt M6×18 MTD-710-04979

...
67
Bolt M6×38 MTD-710-05310

...
68
Governor Gear Bracket Assembly MTD-951-15513

...
69
Component Bracket Spacer MTD-750-05530

...
70
Breather Hose Assembly MTD-951-12235

...
72
Breather Hose Clamp MTD-951-12236

...
73
Short Block Assembly (Incl. 37,47-53,55-58,73-77,84,86-89,91-93,98-104,112,113,115-119,137,138,144,158,170,171,173-176,181-184) MTD-951-14462

...
74
Crankcase Cover Gasket MTD-951-12237

...
176
Piston Ring Set MTD-951-12275

...
181
PISTON PIN SNAP RING MTD-951-11953A

...
182

...
183
PISTON PIN MTD-951-11954A

...
185
Connecting Rod Assembly MTD-951-12277

...
187
Connecting Rod Bolt MTD-710-05319

...
191
Gasket Kit - External (Incl.113,130,136-138,144,158) MTD-951-12201A

...
192
Gasket Kit - Complete (Incl.47,50,58,74,113,118,130,136-138,144,158,170) MTD-951-12204A

...
193
Complete Engine MTD-952Z4P90HUD
...
...
...
...
...
Processing