Welcome,
My Cart
0 item(s)

Models

Parts


product name

Craftsman 13A226JD099 (247.25000) (2012) RER1000 (2012) Lawn Tractor

Model: 13A226JD099 (247.25000) RER1000 (2012)

Back To Assemblies

Save
Part Not Listed?Part Not Listed?

product name

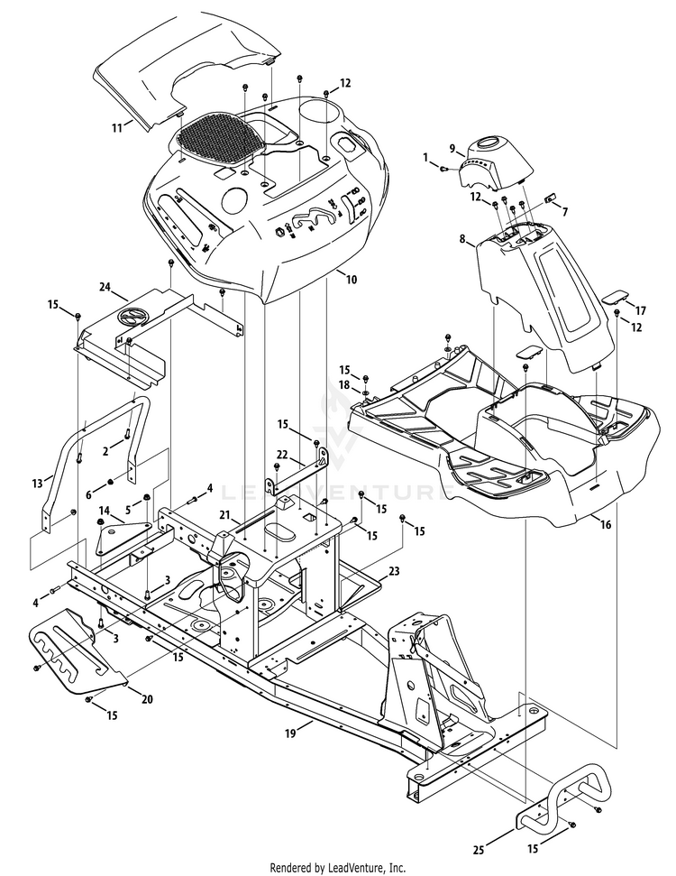
Fender & Frame

...
...
1
Machine Screw, 1/4-20x0.750 MTD-710-0924

...
2
Hex Screw, 1/4-15x1.000 MTD-710-1241

...
3
SCREW 5/16-18 x .75 GR5 MTD-710-3008

...
4
Hex Head Screw, 1/4-20x.75 MTD-710-3015

...
5
Flange Locknut, 5/16-18 MTD-712-04063

...
6
Flange Locknut, 1/4-20 MTD-712-04064

...
7
U-type Speed Nut, 1/4-20 MTD-712-04092

...
8
COLUMN COVER MTD-731-08813

...
9
Steering Column Cap MTD-731-08814

...
10

...
11
REAR COVER MTD-731-08816A

...
12
Shoulder Screw, .368 X.113X1/4-20 MTD-738-04184A

...
13
Rear Cover Support Tube MTD-749-04932-0637

...
14

...
15
Tap Screw, 1/4-20x.625 MTD-710-1652

...
16
RUNNING BOARD MTD-731-08528A

...
17
RUNNING BOARD PLUG MTD-731-08753B

...
18
Fl-Wash. .280" I.D. x .620" O.D. MTD-736-0463

...
19
FRAME ASSEMBLY (POWDER BLACK) MTD-683-04751-0637

...
20
DECK LIFT BRACKET MTD-783-08260-0637

...
21
SEAT PAN (POWDER BLACK) MTD-783-13995-0637

...
22
SEAT PIVOT BRACKET (POWDER BLACK) MTD-783-13996-0637

...
23
Battery Tray MTD-783-07215-0637

...
24
DRIVE COVER MTD-783-07302

...
...
...
...
...
Processing