Welcome,
My Cart
0 item(s)

Models

Parts


product name

Craftsman 12A-A2B8799 (247.37440.1) (2015) Self-Propelled Walk-Behind Mower

Model: 12A-A2B8799 (247.37440.1) (2015)

Save
Part Not Listed?Part Not Listed?

product name

.Quick Reference

...
...
xx
Air Filter MTD-BS-593260

...

...
xx
Blade - Xtreme (Optional) MTD-942-0741-X

...
xx
Blade Adapter MTD-687-02539

...
xx
Blade Bolt MTD-710-1044

...
xx
Control Cable (brake) MTD-946-1113A

...
xx
Discharge Chute MTD-731-07486

...
xx
Drive Belt MTD-954-04259A

...
xx
SINGLE SPEED FORWARD CABLE MTD-946-04728A

...
xx

...
xx
Grass Bag Frame MTD-647-04271-0637

...
xx
21" GRASSBAG (BLACK/CRAFTSMAN) MTD-964-04154B

...
xx
21" MULCH PLUG (HINGED) MTD-687-06029

...
xx
Spark Plug MTD-759-3336

...
xx
Trailshield MTD-731-07203

...
xx
Wheel - Front MTD-634-05040

...
xx
Wheel - Rear MTD-634-04659

...
xx
Blade Removal Tool (Optional Accessory) MTD-490-850-0005

...
xx
SPARK PLUG WRENCH 3/4, 5/8, 13/16 (Optional Accessory) MTD-490-850-0018

...
xx
SPARK PLUG WRENCH 3/4, 5/8, 13/16 (Optional Accessory) MTD-490-850-0018

...
xx
SIPHON PUMP (Optional Accessory) MTD-490-850-0008

...
xx
Side Discharge Blower (Optional Accessory) MTD-490-850-0016

...
xx
UTILITY CARGO CARR (Optional Accessory) MTD-490-850-0015

...
xx
FLOOR MAT (Optional Accessory) MTD-735-04255

...
xx
MOWER KICK STAND (Optional Accessory) MTD-490-850-0012

...
xx
Mower Cover (Optional Accessory) MTD-490-290-0012

...
xx
COATING-GRAPHITE MOWER (Optional Accessory) MTD-490-900-0062

...
xx
STA-BIL 32 OZ (Optional Accessory) MTD-22287

...
xx
FUEL STABILIZER (Optional Accessory) MTD-22208

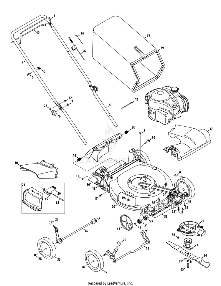
General Assembly

...
...
1
Blade Control MTD-747-05184D

...
2
UPPER HANDLE (POWDER BLACK) MTD-749-05084B-0637

...
3
TRANSMISSION KIT (SP FWD 53CM WALK) MTD-753-09444

...
4
LOWER HANDLE (POWDER BLACK) MTD-749-07298-0637

...
5
Wing Nut MTD-720-0279

...
6
Rope Guide MTD-710-1205

...
7
Carriage Screw, 5/16-18 MTD-710-04998

...
8
Screw, 5/16-14 x .750 MTD-710-04995A

...
9
Hand Knob MTD-720-04072A

...
10
Side Chute MTD-731-07486

...
11
Cable Tie MTD-725-0157

...
12
Nut, Sq., 1/4-20 MTD-712-04222

...
13
Front Axle Assembly MTD-911-04150

...
14
Hinge Pin MTD-747-0710A

...
15
Chute Deflector Bracket MTD-787-01779

...
16
8" REAR AXLE ASSEMBLY MTD-611-04142A

...
17
Wheel, 8 x 2 MTD-634-05040

...
18
REAR DOOR & BAFFLE ASSEMBLY MTD-631-08159

...
19
Screw, 1/4-20 x .500 MTD-710-05073

...
20
21" DECK (3N1) (CRAFTSMAN RED) MTD-787-01871B-4044

...
21
21" MULCH PLUG (HINGED) MTD-687-06029

...
22
ENGINE BAFFLE ASSEMBLY MTD-931-04535C

...
23
Blade Adapter MTD-687-02539

...
24
Mulching Blade MTD-942-0741A

...
24
Cub Cadet 21" MULCH BLADE Retail Packaged Part MTD-490-100-C089

...
24
Genuine Factory Parts 21" MULCHING BLADE (0741A) Retail Packaged Part MTD-490-100-M084

...
24
21" BLADE (MULCH) (XTREME) MTD-942-0741-X

...
25
Screw , 3/8-24 x 1.50 MTD-710-1044

...
26
Torsion Spring MTD-732-1014C

...
27
Sldr. Screw, .375 x .126 x 1/4-20 MTD-738-04419A

...
28
Flange Lock Nut, 3/8-16 MTD-712-04217

...
29
Adjustment Lever Knob MTD-720-04130

...
30
Wing Knob MTD-720-05066A

...
31
BLADE BELL SUPPORT MTD-736-0524B-1

...
32
Nut, Flange Lock, 1/4-20 MTD-712-04064

...
33
Wheel, 8 x 2 MTD-634-04659

...
34
Control Cable MTD-946-1113A

...
35
TT Screw, 3/8-16 x 1.0 MTD-710-04683C

...
36
Trail shield MTD-731-07203

...
37
FRONT COVER MTD-731-07797A

...
38
21" GRASSBAG (BLACK/CRAFTSMAN) MTD-964-04154B


...
40
Drive Control MTD-747-05210B

...
41
Dust Cover MTD-731-07240A

...
42
SINGLE SPEED FORWARD CABLE MTD-946-04728A


...
44
TORSION SPRING (RH) MTD-732-05061B

...
45
Torsion Spring - LH MTD-732-05062A


...
46
Genuine Factory Parts TRANSMISSION BELT Retail Packaged Part MTD-490-501-M004

...
47
Bearing Assembly MTD-941-00019

...
48
Screw, 1/4-20 x .390 MTD-710-04531

...
49
Screw, 1/4-15 x .750 MTD-710-0895


...
51
Spur Gear - RH MTD-917-04801

...
51
Spur Gear - LH MTD-917-04802

...
52
Body, Spr. MTD-731-07355

...
53
LOWER TRAY MTD-731-07789A

...
54
TRANSMISSION WIRE MTD-732-04675B

...
55
Compression Spring MTD-732-04704

...
56
Screw, Shldr., 1/4-20 x .50 MTD-738-04502

Label Map

...
...
777I20793
LABEL-HANDLE MTD-777I20793

...
777D14313
LABEL-MOWER SEARS PRECISION CUT MTD-777D14313
...
...
...
...
...
Processing