Welcome,
My Cart
0 item(s)

Models

Parts


product name

Craftsman 12A-967K099 (247.370330) (1997) Self-Propelled Walk-Behind Mower

Model: 12A-967K099 (247.370330) (1997)

Save
Part Not Listed?Part Not Listed?

product name

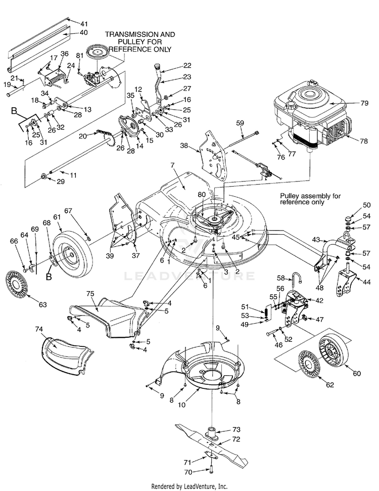
General Assembly

...
...
1
Carriage Screw 1/4-20 x .62 MTD-710-0134

...
2
Screw TT 3/8-18:1.00 MTD-710-0654A

...
3
Carrriage Bolt 1/4-20 x .750 MTD-710-0703

...
4

...
5
Push Nut MTD-726-0233

...
6
Flat Washer .334 I.D. x .62 O.D. x .03 MTD-736-0204

...
7
21" DECK W/O ICON MTD-782-0078B

...
8
Hex Crew 1/4-20 x .375 MTD-710-0653

...
9
Screw HL 1/2-14 x .750 MTD-710-1220

...
10

...
11
Rear Axle Assembly MTD-938-0012A

...
12
Pivot Arm Assembly MTD-782-0566B-0637

...
13
Transmission Axle Assembly MTD-682-7526-0637

...
14
CHAIN COVER ASSEMBLY (POWDER BLACK) MTD-682-7528-0637

...
15
Hex Scre. TT 1/4-20 x .375 MTD-710-0653

...
16
SCREW 1/4-20 x .620 GR5 MTD-710-0751

...
17
Hex Screw AB 1/4-14 x .625 MTD-710-0896

...
18
Hex Screw 3/16 x 1.25 MTD-710-1315

...
19
Clevis Pin .50 Dia x 4.82 Lg. MTD-911-0835

...
20

...
21
Cotter Pin MTD-714-0474

...

...
23
Spring Lever MTD-732-0803A

...
24
Torsion Spring MTD-732-0832

...
25
SPRING WASHER BELL MTD-736-0270

...
26
Flat Washer MTD-736-0369

...
27
Shoulder Nut.825 x .165 Lg. MTD-938-0529

...
28
Flge Bearing .506 ID x .590 Lg MTD-741-0324A

...
29
Flange Bearing MTD-741-0522

...
30
Slev. Bearing MTD-741-0978

...
31
Wheel Ratchet MTD-948-0318

...
32
Spacer .550 ID x .750 OD MTD-950-0151

...
33

...
34

...
35
Shlder Spacer, .385ID x .715Lg MTD-950-1056

...
36
LIFT BRACKET SPRING (POWDER BLACK) MTD-782-0568B-0637

...
37
HANDLE BRACKET (RH) MTD-682-3052

...
38
HANDLE BRACKET (LH) MTD-682-3053

...
39
Torx Screw AB MTD-710-1348

...
40
Rear Flap 17.25" Lg. MTD-731-1901A

...
41
Trail Shield Wire MTD-732-0842

...
42
CASTER ASSEMBLY (RH) MTD-682-9020A

...
43
CASTER ASSEMBLY (LH) MTD-682-9021A

...
44
Caster Bracket Ass'y. MTD-682-9024

...
45
Carriage Bolt 5/16-18 x.62 MTD-710-0260A

...
46
Caster Axle MTD-911-1146

...
47

...
48
HEX FLANGE NUT MTD-712-3004A

...
49
Internal Cotter Pin MTD-714-0104

...
50
Push Cap MTD-726-0214

...
51
Compression Spring MTD-932-0306A

...
52
Wave Washer MTD-736-0232

...
53
Flat Washer .330 I.D. x .630 x .06 MTD-736-0264

...
54
Flat Washer 5/8 I.D. x 1.0 O.D. MTD-736-0366

...
55
GREASE FITTING MTD-937-3000

...
56
Flat Washer .203 I.D. c .403 O.D. MTD-736-0931

...
57
Flange Bearing MTD-741-0685

...
58
Front Wheel Lock Pin MTD-747-0924

...
59
Cabel Tie MTD-725-0157

...
60
Deck Wheels (Front) MTD-734-1857

...
61
Wheel 9 x 2 Link Gray, Sleeve MTD-734-1981A

...
62

...
63

...
64

...
65
PAWL - (LH) Not Shown MTD-948-0188B

...
66
Shoulder Screw MTD-738-0137A

...
67
Weld Nut MTD-712-0414

...
68
Ratchet Pawl Plate MTD-16844

...
69
Ratchet Spring MTD-10622B

...
70
Hex Bolt MTD-710-1257

...
71
BLADE BELL SUPPORT MTD-736-0524B-1

...
72
21-inch Mulching Blade MTD-942-0741A

...
73
Blade Adapter MTD-748-0377E

...
74
Mulch Cover MTD-931-1833A

...
75
Side Discharge Chute MTD-731-1237

...
76
Hex Scr. Slt.Wash. .620 MTD-710-1237

...
77
Cable Clamp (B&S) MTD-BS-690798

...
78
Spark Plug (Champion) J-19LM MTD-NA

...
79
Engine Purchase locally MTD-NA

...
80

...
81
Screw, 5/16-18 x .625 MTD-710-0604A

Handle Assembly

...
...
1
Lower Handle MTD-749-0907B

...
2
Hairpin Clip MTD-714-0104

...
3
Upper Handle MTD-749-0439E-0637

...
4
Std. Control Handle MTD-747-0824B-0637

...
5
Star Knob MTD-720-04072A

...
6
Saddle Washer MTD-736-0451

...
7
Carriage Screw MTD-710-1174

...
8
Rope Guide MTD-710-1205

...
9
Wiong Nut MTD-720-0279

...
10
Hex Lock Nut 1/4-20 Thd. MTD-712-0324

...
12
Control Cable Box MTD-746-0883

...
13
SCREW 1/4-20 x 1.310 MTD-710-1270

...
14
CONTROL CABLE 60IN MTD-946-0922

...
15
HOUSING CONTROL KIT MTD-753-0717

...
16
6 SPEED SHIFT LEVER MTD-731-0924

...
17
Gear Insert MTD-913-0397

...
18
C-Sunk Screw AB 10-12 x .75 thd. MTD-710-0841

...
19
Shift Lever Spring MTD-732-0627A

...
20
Six-Spd. Rack Cable Bracket MTD-16864

...
21
HOUSING CONTROL KIT MTD-753-0717

...
22
HOUSING CONTROL KIT MTD-753-0717

...
23
Drive Control MTD-731-0620A

...
24
6 Speed Cable MTD-946-0939A

...
25
S.P. Cable MTD-946-0710A

...
26
Cable Tie MTD-725-0157

...
28
FOAM GRIP - 9" MTD-720-0294A

Six-Speed Pulley Assembly

...
...
1
6 Speed Cable MTD-946-0939A

...
2
Pulley Assembly MTD-956-0613A

...
3
CARRIAGE BOLT 1/4-20X.50" MTD-710-05177

...
4
Scr. AB 1/4-14 x .625 MTD-710-0896

...
5
Pivot Shaft MTD-711-1114

...
6
HEX NUT 1/4-20 MTD-912-0287

...
7
TORSION SPRING (LH) MTD-932-0807

...
8
SPRING WASHER BELL MTD-736-0270

...
9
L-Wash. 1/4" I.D. MTD-936-0329

...
10
Wave Washer 1.38 x .88 x .029 MTD-736-0526

...
11
Shlder Screw, .375 ID x 1/4-14 MTD-738-0924A

...
12
Slve Spacer, .88 ID x 1.00 OD MTD-950-1070

...
13
Sleeve Spacer, .88ID x 1.13OD MTD-950-1071

...
14
Roller Cable MTD-756-0625

...
15
CABLE ADJUSTMENT BRACKET MTD-782-7574A-0637

...
16
CABLE MOUNTING BRACKET MTD-782-7575-0637

...
17
CONTROL ARM 6 SPEED MTD-782-7596A

...
18
6-Spd. Pivot Brkt. MTD-782-7597

...
19
Hex Nut 1/4-28 MTD-712-0138

Transmission

...
...
1
Hex Jam Nut 5/16 - 24 MTD-712-3025

...
2
Bell Washer.325 x .930 x .045 MTD-736-0425

...
3

...
4
Flat Washer .510 x 1.10 x .060 MTD-736-3084

...
5
Hex Lock Nut 1/4 - 28 MTD-712-0896

...
6
Belt Keeper MTD-782-7598

...
7
BALL BEARING MTD-941-0600

...
8
Flange Spacer MTD-750-1050

...
9
IDLER BRACKET ASSEMBLY MTD-982-0027A

...
10
Hex. Cap Scr. 1/4-28 x 1.00 Gr. 5 MTD-710-0299

...
11
TORSION SPRING MTD-932-0811

...
12
Bearing Sleeve MTD-741-0682A

...
13
FLAT WASHER MTD-936-0570

...
?14
Oil Seal MTD-921-0329

...
15
UPPER HOUSING ASSEMBLY MTD-618-0253

...
16
Flat Washer .504 ID x .70 OD MTD-936-0520

...
17
SHAFT PINION 10TH MTD-917-1468

...
18
Thrust Washer .382 I.D. x .684 O.D. MTD-736-0314

...
19
THRUST WASHER MTD-936-0569

...
20
LOWER HOUSING ASSEMBLY MTD-918-0252

...
21
Hex Scr. TT 1/4-20 x .75 MTD-710-0642

...
22
CABLE GUARD BRACKET MTD-782-7601A-0637

...
23

...
24
OUTPUT SHAFT ASSEMBLY MTD-911-0066

...

...
26
Gear 347. MTD-717-1469

...
27
OUTPUT SHAFT 6T MTD-711-1168

...
28

...
29
Oil Seal MTD-921-0329

...
30
Pivot Bracket MTD-782-7595

...
31
Flge Bearing .506 ID x .590 Lg MTD-741-0324A

...
32
Fl. Wash. .508 I.D. x 1 O.D. x .020 MTD-736-0369
...
...
...
...
...
Processing