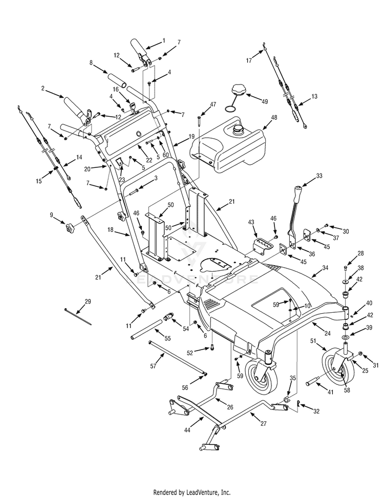
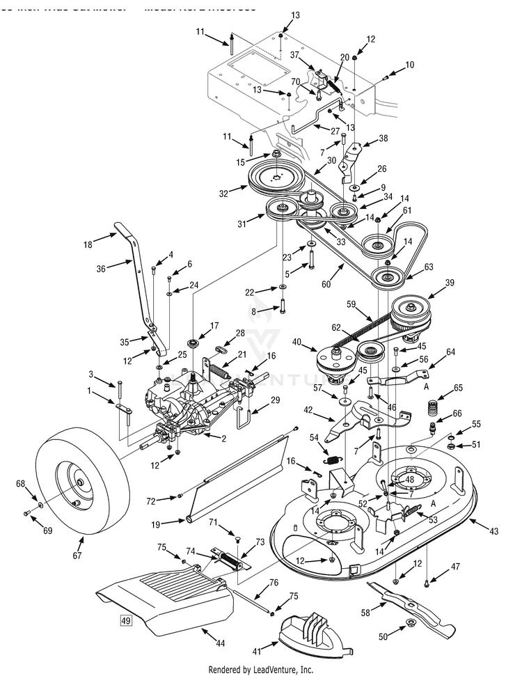
Models
Parts
Model: 12A-764M099 (247.887330) (2009)

No Parts Available for this Schematic