Welcome,
My Cart
0 item(s)

Models

Parts


product name

Craftsman 113-103A099 (247.384290) (1993) Walk Behind Mower

Model: 113-103A099 (247.384290) (1993)

Save
Part Not Listed?Part Not Listed?

product name

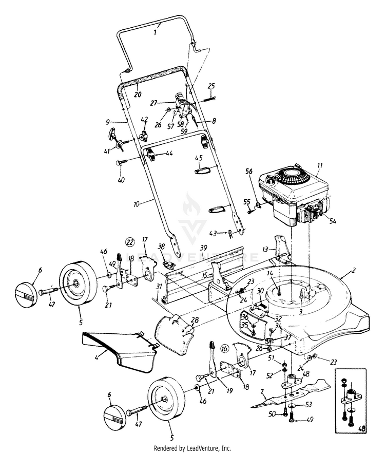
Handle And Deck Assembly

...
...
1
Std. Control Handle MTD-747-0824B-0637

...
2
20" Deck Assembly MTD-682-0016

...
3
Hex TT-Tap Scr. 3/8-16 x 1" Lg. MTD-710-0654A

...
4
Side Discharge Deflector MTD-731-1409B

...
5
Wheel Ass'y. MTD-634-0020

...
6

...
7
20" BLADE (MULCH) MTD-742-0720-0637

...
8
Control Cable 39" MTD-946-0550

...
9
UPPER HANDLE MTD-749-0538C

...
10
Lower Handle MTD-749-0928A-0637

...
11
Engine 5 H.P MTD-NA

...
13
BRACKET AS MTD-12935B

...
14
Hex B-Tap Scr. 5/16-18 x .5" Lg MTD-710-0603

...
15
HANDLE BRACKET ASS'Y. (RH) MTD-12936B

...
16
Height Adj. Ass'y. Comp. (R.H.) MTD-753-06761

...
17
Height Adjustment Plate MTD-787-01290A

...
18
Small Wheel Pivot Bar MTD-15262B

...
19
Front Spring Lever MTD-94832

...
20
Grip Foam MTD-720-0295

...
21
Shoulder Bolt .5" Dia. x .434" MTD-738-0507B

...
22
Height Adj. Ass'y. Comp. (R.H.) MTD-753-06761

...
23
Hex Nut 3/8-16 Thd. For faster service obtain standard nuts, bolts and washers locally. If these items cannot be obtained locally, order by part number and size as shown on parts list. MTD-712-0798

...
24
BELL WASHER MTD-936-0356

...
25
Oval C-Sunk Mach. Scr. MTD-710-0605

...
26
Hex L-Nut 1/4-20 Thd. MTD-712-0324

...
27
Throttle Body MTD-946-0875

...
28
MULCH PLUG ASSEMBLY (Incl. Ref. 30, 31, 32) MTD-682-7000

...
30
Torsion Spring MTD-932-0731

...
31
Hinge Pin MTD-747-0710A

...
32
MOUNTING BRACKET MTD-782-7006

...
34
CARRIAGE BOLT 1/4-20X.50" MTD-710-05177

...
35
Hex TT-Tap Scr. 1/4-20 x .5" Lg. MTD-710-0599

...
36
SPRING WASHER BELL MTD-736-0270

...
37
CHUTE STOP BRACKET MTD-782-7009

...
38
HINGE CLIP MTD-17098P

...

...
40
Carriage Bolt 5/16-18 x 2" Lg. MTD-710-1174

...
41
Rope Guide MTD-710-1205

...
42

...
43
Int. Cotter Pin 5/16" Dia. MTD-714-0104

...
44
Hand Knob MTD-920-0276

...
45
Cable Tie MTD-725-0157

...
46
Bell-Wash .38" I.D. x .88" O.D. MTD-736-0105

...
47
Axle Bolt MTD-738-0102

...
48
Blade Adapter Kit MTD-753-0484

...
49
Hex Bolt 3/8-24 x 1.5" Lg.- Gr. 5 MTD-710-1044

...
50
Hex Bolt 3/8-24 x 1" Lg. MTD-710-1055

...
51
Hex Nut 3/8-24 Thd. MTD-712-0241

...
52
L-Wash. 3/8" I.D. For faster service obtain standard nuts, bolts and washers locally. If these items cannot be obtained locally, order by part number and size as shown on parts list. MTD-736-0169

...
53
Bell-Wash .39" I.D. MTD-736-0452

...
54
INSULATOR-SPARK PLUG MTD-735-0639

...
55
Hex Self-Tap Scr. #10-32 x .62" Lg. MTD-710-1237

...
56
Cable Clamp (B&S) MTD-BS-690798

...
57
Curved Spring Wash. .66" I.D. MTD-936-0501

...
58
Throttle Lever MTD-946-0876

...
59
Throttle Wire 55" Lg. MTD-946-0671A
...
...
...
...
...
Processing