Welcome,
My Cart
0 item(s)

Models

Parts


product name

Craftsman 099 (247.298521) (1991) Tiller

Model: 099 (247.298521) (1991)

Save
Part Not Listed?Part Not Listed?

product name

Parts01

...
...
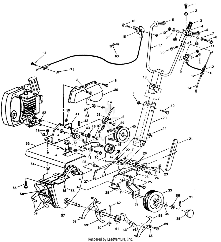
1
TAP SCREW 10X16X.50 MTD-710-1167

...
2
BUMPER-RECESS MTD-720-0263


...
4
Clutch Lever Ass'y. MTD-686-0002-0637

...
5
LIFT HANDLE GRIP MTD-720-0233

...
6
Hex Bolt 1/4-20 x 2 MTD-710-0501

...
7
Fl-Wash. 1/4 I.D. MTD-736-3090

...
8
SCREW-SLOT PL-250-20X0.50 MTD-710-1201

...
9
BRACKET-CL MTD-15093C

...
10
Lock Nut 1/4-20 Thd. MTD-712-0324

...
11
Lock Nut 5/16-18 Thd. MTD-712-0429

...
12
HEX JAM NUT 5/16-24 MTD-712-0256

...
13
Lock Wash. 5/16" I.D. MTD-936-0119

...
14
Clutch Control Cable MTD-946-0926

...
15
THROTTLE CONTROL (TILLER) MTD-746-0774

...
16
Hex Bolt 1/4-20 x 1-1/2" MTD-710-0606

...
17
UPPER HAND MTD-649-0153

...
18

...
19
Carr. Bolt 5/16-18 x 2-1/2" MTD-710-0572

...
20
FRAME-CHANNEL HDL MTD-786-0013

...
21
483DEPTH BAR MTD-04764

...
22
Clevis Pin MTD-711-0653

...
23
Hairpin Cotter MTD-714-0145

...
24
Hex Bolt 5/16-18 x 1" MTD-710-0376

...
25
SCREW 5/16-18 x .625 GR5 MTD-710-0759

...
26
FRAME HALF-RH MTD-786-0010

...
27
FRAME HALF MTD-786-0011

...
28
Hex Tap. Scr. 5/16-18 x 1 /2" MTD-710-0607

...
29

...
30
Hex Bolt 5/16-18 x 1-1/4" MTD-710-1090

...
31
Cotter Pin 3/32" Dia. x 1.0" MTD-714-0111

...
32
WHEEL BRACKET MTD-786-0012

...
33
WHEEL-6" MTD-634-0013

...
34
AXLE-WHEEL (MINI T MTD-738-0855

...
35

...
36
Belt Cover MTD-731-1249

...
37
Hex Bolt 1/4-20 x 518 MTD-710-0258

...
38
BRACKET-CLUTCH LEVER MTD-786-0017

...
39
V-BELT (Special) MTD-754-0425

...
40

...
41
Plate-Engine Mounting MTD-786-0015

...
42
SCREW .375 x 5/16-18 MTD-710-3006

...
43
RETAINER-BELT MTD-747-0797

...
44
CLIP-TINNERMAN MTD-712-0410

...
45
Flat Idler Pulley MTD-756-0199

...
46
Int. L-Wash. 1/4" I.D. MTD-736-0498

...
47
Hex Jam Thd. L-Nut 3/8-24 MTD-712-0116

...
48
FLAT WASHER MTD-736-0275

...
49
IDLER ARM ASSEMBLY MTD-686-0003

...
50
SPACER-IDLER ARM MTD-750-0847

...
51
ENGINE PULLEY MTD-756-0596

...
52
SQUARE KEY .125 x .750 MTD-714-0206

...
53
SHIELD-TINE (RED) MTD-786-0016

...
54

...
55
Carriage Bolt 5/16-18 x 1 MTD-710-0276

...
56
Hex Bolt 5/16-18 x 3/4" MTD-710-0118

...
57
Chain Case Ass'y. Comp. MTD-04924A

...
58
TINE-10IN (RH) MTD-742-0568

...
59
TINE (LH)-10IN MTD-742-0569

...
60
Hairpin Cotter MTD-714-0149B

...
61
TINE ADAPTER ASSEMBLY MTD-686-0001

...
62
CLEVIS PIN .312 x 1.50 MTD-711-0702

...
63
PLASTIC TIE MTD-726-0306

...
64
SCREW #10-16 x .750 MTD-710-1128

...
65
L-Wash. 1/4" I.D. MTD-936-0329

...
66
SPLIT SPACER MTD-750-0846

...
67
SCREW-PH 8-32X1.000 (Special) MTD-710-1202

...
68
Fl-Wash. 3/8" I.D. MTD-736-0185

...
69
Tap Scr. 1/4-20 x 1/2" (Tine Fastener Kit (For Stripped Bolts) Order Part No. 706-60067, contains set of two (2) bolts & nuts) MTD-710-0599

...
70
SCREW 5/16-18 x 1.5 LG MTD-710-0805A

...
71
FLAT WASHER .20 x .395 MTD-736-3005

Parts02

...
...
1
HOUSING-CHAIN CASE RH MTD-04926A

...
2
SHAFT ASSEMBLY-INPUT MTD-04756

...
3
SPROCKET & HUB ASSEMBLY MTD-04757

...
4
SLEEVE .623 OD x .380 ID x 1.5 LG MTD-750-0351

...
5
Bearing .62" I.D. x 1.38" O.D. x .437" Thk. MTD-941-0155

...
6
CASE ASSEMBLY MTD-15863A

...
7
PULLEY (Not Part of Chain Case Assembly) MTD-756-0287

...
8
Hex Bolt 3/8-24 x 2.5" MTD-710-0369

...
9
BRACKET-FUEL TANK (Not Part of Chain Case Assembly) MTD-786-0009

...
10
SEAL (Not Part of Chain Case Assembly) MTD-721-0157

...
11
Hex Bolt 1/4-28 x 50" Lg. MTD-910-0195

...
12

...
13
Flange Brg. .879" I.D. MTD-741-0227

...
14
FLAT WASHER .88 x 1.50 x .030 MTD-736-0265

...
15
SHAFT ASSEMBLY-TINE MTD-04920

...
16

...
17
L-Wash. 1/4" I.D. MTD-936-0329

...
18
Hex Nut 1/4-28 Thd. MTD-712-0138

...
19
Hex Ins. L-Nut 3/8-24 Thd. MTD-712-0116

...
21
Bell-Wash. .400" I.D. x 1.13" O.D. MTD-936-0219

...
22
#420 CHAIN 1/2 PITCH x 38 LIN MTD-713-0215

...
xx
#420 MASTER LINK 1/2 PITCH TYPE II MTD-913-0154

...
23
#35 CHAIN 3/8 PITCH x 50 LINK MTD-713-0216

...
xx
#35 MASTER LINK 3/8 PITCH TYPE II MTD-913-0139

...
24

...
25
BEARING HOUSING MTD-05034A

...
26
EXPANSION PLUG MTD-726-0164

...
27

...
28
DUST CAP (Not Part of Chain Case Assembly) MTD-731-0486

...
29
Hex Wash. Hd. Self-Tap Scr. 1/4-20 x .50" Lg. MTD-710-0599

...
30

...
31
Spring Pin Spiral 1/4" Dia. x 1-1/2" Lg. (Not Part of Chain Case Assembly) MTD-715-0114

...
32
SPACER (Not Part of Chain Case Assembly) MTD-750-0550

...
33
Hex Wash. Hd. Self-Tap Scr. 1/4-20 x .38" Lg. MTD-710-0653

...
34
Hex Bolt 5/16-18 x .75" MTD-710-0118

...
35
HEX NUT 5/16-18 MTD-712-3010

...
36
Lock Wash. 5/16" I.D. MTD-936-0119
...
...
...
...
...
Processing