Welcome,
My Cart
0 item(s)

Models

Parts


product name

Columbia 31AH54K3897 90026PC (2011) Snow Thrower

Model: 31AH54K3897 90026PC (2011)

Back To Assemblies

Save
Part Not Listed?Part Not Listed?

product name

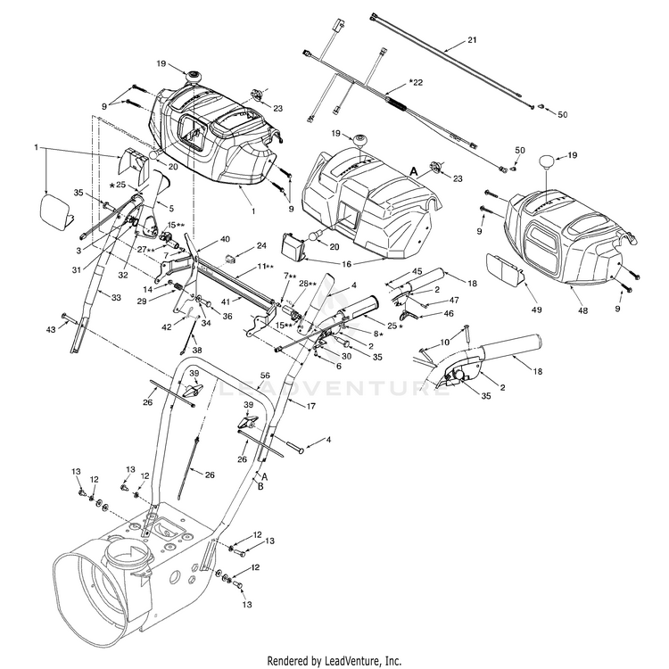
Handle & Panel Assembly

...
...
1
Handle Panel Ass’y - Yellow Yellow MTD-631-04180

...
1
Handle Panel Ass’y - Black Black MTD-631-04185

...
1
Handle Panel Ass’y-Black w/Chute Control Black w/Chute Control MTD-931-04183

...
1
Handle Panel Ass’y-Grey w/Chute Control Grey w/Chute Control MTD-931-05348A

...
2
LH Clutch Lock Handle Ass’y MTD-631-04133A

...
3
RH Clutch Lock Handle Ass’y MTD-631-04134B

...
4
HANDLE ASSEMBLY (LH) Black MTD-684-04105D

...
4
ENGAGEMENT HANDLE (RED) (LH) Red MTD-684-04111D

...
5
HANDLE ASSEMBLY (RH) Black MTD-684-04106D

...
5
HANDLE ASSEMBLY (RH) Red MTD-684-04112D

...
6
Screw #8-16 x .50 MTD-710-04326

...
7
Hex Cap Socket Screw 1/4-20 x .5 MTD-710-3069

...
8
Oval HD C-Sunk Scr #10 x 5/8 MTD-710-0837

...
9
Hex TT-Tap Scr 1/4-20 x 1.625 MTD-710-04586

...
10
Oval C-Sunk Hd Screw 10-24 x 1.375 MTD-710-1233

...
11
Pivot Rod MTD-684-04250

...
12
Lockwasher 5/16 ID MTD-936-0119

...
13
Hex TT Screw 5/16-18 x .75 Gr. 5 Patch MTD-710-1880

...
14
Hex L-Flanged Nut 1/4-20 Gr. F Nylon MTD-712-04064

...
15
Hex Shoulder Nut 1/4-20 Models with auger control lock MTD-712-04081A

...
15
Hex L-Flg Nut 1/4-20 Gr. F Nylon Models without auger control lock MTD-712-04064

...
16
Handle Panel Ass’y - Troy-Bilt Troy-Bilt MTD-931-04181A

...
17
Upper Handle LH - Powder Black MTD-749-04191A-0637

...

...
19
Shift Knob MTD-720-04039

...
19
SHIFT KNOB Yellow MTD-720-04045

...
20
Lamp 370-SUB-11 Engine MTD-925-1629

...
20
LAMP BULB -#1683 478-SUA & 483-SUA Engine MTD-725-05326

...
21
Wire Harness MTD-925-04137

...
22
Wire Harness Heated Grip MTD-725-05148

...
23
HEADLIGHT SOCKET (1/4 TURN) MTD-925-1649A

...
24

...
25
Heated Grip MTD-725-05149

...
26
Cable Tie (w/plug) (w/plug) MTD-926-0154

...
26
Cable Tie (w/heated grips) (w/heated grips) MTD-725-0157

...
27
Lock Plate Models with auger control lock MTD-731-04894D

...
28
CLUTCH LOCK CAM Models with auger control lock MTD-731-04896C

...
29
Compression Spring .38 ID x .88 Lg MTD-732-0193

...
30
Spring: Clutch Lock MTD-732-04219C

...
31
TORSION SPRING MTD-732-04238B

...
32
Bumper, Rubber MTD-735-0199A

...
33
Upper Handle RH - Powder Black MTD-749-04190A-0637

...
34
Flat Washer .38 ID x .87 OD x .09 MTD-936-0267

...
35
Shoulder Screw .437 x 1.345: 1/4-20 MTD-738-04348

...
36
Shoulder Screw .374 Dia. x 1.05 Lg. MTD-738-04125

...
37
FLAT WASHER MTD-736-0275

...
38
Selector Speed Cable MTD-946-04396A

...
39
Knob, Wing, 5/16-18 MTD-720-0284

...
40
Shift Lever MTD-790-00311A

...
41
HANDLE SUPPORT BRACKET MTD-790-00248E-0637

...
42
Inter. Cotter Pin 3/8" Dia. MTD-714-0145

...
43
Carriage Bolt 5/16-18 x 2.25 MTD-710-0572

...
44

...
45

...
46
Steering Control - Black Black MTD-731-04913

...
46
Steering Control - Yellow Yellow MTD-731-04954

...
47

...
48
Handle Panel Ass’y - Red (w/lens) Red (w/lens) MTD-931-04187A


...
50
Hex Wash S-Tapp Scr 1/4-20 x .50 MTD-710-0599
...
...
...
...
...
Processing