Welcome,
My Cart
0 item(s)

Models

Parts


product name

Columbia 17AJ2ACG897 RZT42 (2010) Z-Series

Model: 17AJ2ACG897 RZT42 (2010)

Back To Assemblies

Save
Part Not Listed?Part Not Listed?

product name

Engine Connections Single

...
...
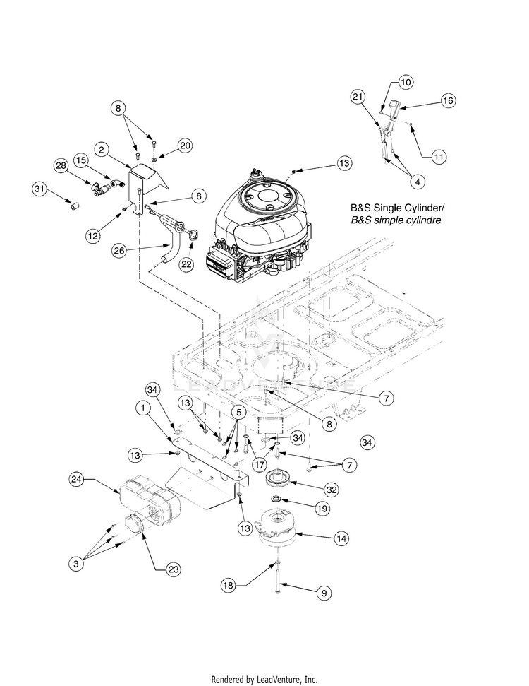
1
Muffler Mounting Bracket MTD-703-05441A

...
2
HEAT SHIELD MTD-703-05870

...
3
Hex Wash HD AB S-Tapp Scr #8-.50 MTD-710-0227

...
4
Screw 1/4-14 x .625 MTD-710-1017

...
5
Hex Wash S-Tapp Scr 1/4-20 x .50 MTD-710-0599

...
7
TT Screw 3/8-16 x 1.25 MTD-710-1315

...
8
SCREW 5/16-18 x .75 GR5 MTD-710-3008

...
9
Hex Bolt 7/16-20 x 3.25 Gr. 5 MTD-710-3157A

...
10
Torx Screw, #8-32 x .375 MTD-710-3217

...
11
Hex Nut #8-32, 0.375 MTD-712-0142

...
12
Sems Hex Nut 1/4-20 MTD-712-0271

...
13
Flange Locknut 5/16-18 Gr. F, Nylon MTD-712-04063

...
14
Clutch Ass’y Electric PTO MTD-917-04376A

...
15
90 DEGREE ELBOW MTD-737-0125

...
16
Throttle Control Knob MTD-731-04914

...
17
L-Washer 3/8" ID (Ext. Tooth) MTD-736-0148

...
18
Lockwasher 7/16 ID MTD-936-0171

...
19
Flat Washer 1.03 ID x 1.64 OD x .095 MTD-736-0277

...
20
Flat Washer .312 ID x .75 OD MTD-936-3008

...
21
Throttle Cable 39.0" Lg. MTD-946-04161

...
22

...
23
Muffler Deflector MTD-751-0564B

...
24
Single Inlet Muffler MTD-951-0617C

...
26
EXHAUST TUBE MTD-603-04176A

...
28
Oil Drain MTD-951-10517A

...
31
Oil Drain Hose MTD-751-3141-14

...
32
Drive Pulley MTD-756-04376

...
34
Flat Washer, .406 x 1.5 x 11 gauge MTD-736-3039

...
xx
HEAT SHIELD (Not Shown) MTD-703-07712A
...
...
...
...
...
Processing