Welcome,
My Cart
0 item(s)

Models

Parts


product name

Columbia 17AF2ACP897 ZT50 (2012) Z-Series

Model: 17AF2ACP897 ZT50 (2012)

Back To Assemblies

Save
Part Not Listed?Part Not Listed?

product name

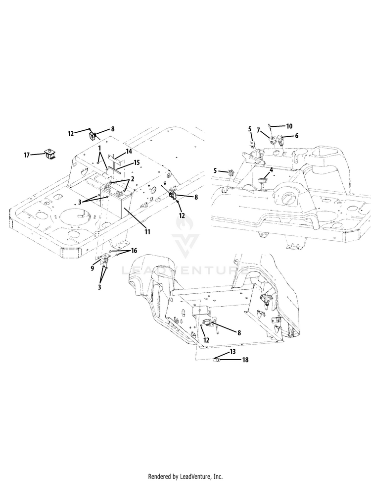
Electrical

...
...
1
Hex Screw, 1/4-20 x .5 MTD-710-0599

...
2
Hex Screw, 1/4-20 x .75 MTD-710-3015

...
3
Hex Nut, 1/4-20 MTD-712-0271

...
4
Hour Meter MTD-925-04022B

...
5
Double Pole - Neutral Switch MTD-925-04165

...
6
PTO SWITCH (BLACK KNOB) TEXT SYM MTD-925-04174A

...
7
Ignition Switch MTD-925-04228

...
8
Interlock Switch MTD-725-04363

...
9
12V SOLENOID MTD-725-04439B


...
11

...
12
Shoulder Screw, #10-32 x .500 MTD-738-04237A

...
13
Cable Tie MTD-726-0470

...
14
Battery Hold-down MTD-703-05894-0637

...
15
Trim Strip MTD-731-0511

...
16
Hex Screw, 1/4-20 x .375 MTD-710-0653

...
17
Seat Switch MTD-925-04040

...
18
Wire Harness MTD-925-04847C
...
...
...
...
...
Processing