Welcome,
My Cart
0 item(s)

Models

Parts


product name

Columbia 17AF2ACK897 ZT54 (2012) Z-Series

Model: 17AF2ACK897 ZT54 (2012)

Back To Assemblies

Save
Part Not Listed?Part Not Listed?

product name

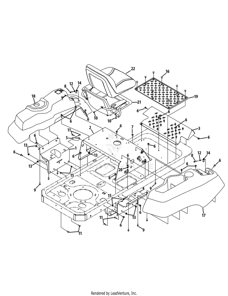
Operator's Platform

...
...
1
CONSOLE BRACKET (LH) (MAJESTIC ORANGE) MTD-603-04564-0606

...
2
SEAT FRAME ASSEMBLY (MAJES ORANGE) MTD-603-04663-0606

...
3
FOOT REST BRACKET (MAJESTIC ORANGE) MTD-703-05373B-0606

...
4
CONSOLE BRACKET (RH) (MAJESTIC ORANGE) MTD-703-06451-0606

...
5
SUPPORT BRACKET MTD-703-06623-0637

...
6
SCREW 5/16-18 x .750 MTD-710-04484

...
7
Hex Washer Screw, 5/16-18 x .625 MTD-710-0604A

...
8
Hex Washer Screw, 1/4-20 x 1.500 MTD-710-0778

...
9
Hex Washer Screw, 1/4-15 x 0.750 MTD-710-0895

...
10
Screw, 5/16-18 x .750 MTD-710-1611B

...
11
SCREW 5/16-18 x .75 GR5 MTD-710-3008

...
12
Jam Nut, 1/4-20 MTD-912-0298

...
13
Flange Lock Nut, 5/16-18 MTD-712-04063

...
14
Speed Nut, 1/4-20 MTD-712-04092

...
15
Speed Nut, .3125 MTD-726-0201

...
16
Ratchet Clip, .250 MTD-726-3046

...
17
CONSOLE (RH) MTD-731-06233

...
18
CONSOLE (LH) MTD-731-06263B

...
19

...
20
Lock Washer, 3/8 MTD-736-0148

...
21
HI BACK SEAT, BLACK (ARM/OPT) MTD-757-05231

...
22
High-Back Seat MTD-757-04090
...
...
...
...
...
Processing