Models
Parts
Model: 17AF2ACK897 ZT54 (2012)
.Quick Reference ZT54
Deck Lift & Controls 54-Inch
Electrical
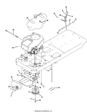
Engine Connection 54-Inch
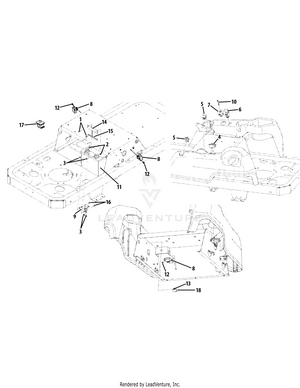
Frame & Drive Idler Assembly
Front Axle
Label Map ZT54
Mower Deck 54-Inch
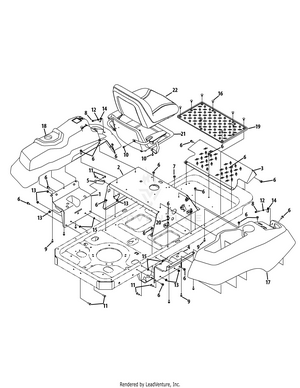
Operator's Platform
Rear Drive & Wheels 54-Inch
Seat Adjustment
19A70008OEM Triple Rear Bagger (2012)
OEM-190-841 54" Mulch Kit (2012)
Model: 1AHF08390
In Stock
Replaced By :
Please call us at 866-243-2721 or talk with us by sending us more information. We want to verify availability before placing your order.
For Customer Service inquiries please E-mail info@partswarehouse.com, Call 866.243.2721 or Text 972.383.9129
Mon - Sat 7AM - 7PM CT
Mon - Sat 6AM-2AM CT
Track your order
Reviews
FAQs
Price Match Guarantee
Sign in for faster checkout.