Models
Parts
Model: 17AF2ACK897 (2011) RZT54 17AF2ACK897 (2011)
Deck Lift & Controls
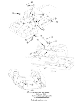
Electrical
Engine Accessories Kohler
Frame & Drive Idler Assembly
Front Axle & Wheels
Label Map 17AF2ACK897
Mower Deck 54-Inch
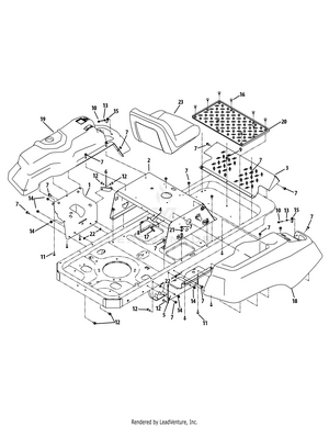
Operator's Platform
Rear Drive & Wheels, 54-Inch
Seat Adjustment
Transmission - LH
Transmission - RH
19A70008OEM Triple Rear Bagger (2011)
OEM-190-841 54" Mulch Kit (2011)
Model: 1AHF08390
In Stock
Replaced By :
Please call us at 866-243-2721 or talk with us by sending us more information. We want to verify availability before placing your order.
For Customer Service inquiries please E-mail info@partswarehouse.com, Call 866.243.2721 or Text 972.383.9129
Mon - Sat 7AM - 7PM CT
Mon - Sat 6AM-2AM CT
Track your order
Reviews
FAQs
Price Match Guarantee
Sign in for faster checkout.