Welcome,
My Cart
0 item(s)

Models

Parts


product name

Columbia 14AQ816K597 (2008) Garden Tractor

Model: 14AQ816K597 (2008)

Back To Assemblies

Save
Part Not Listed?Part Not Listed?

product name

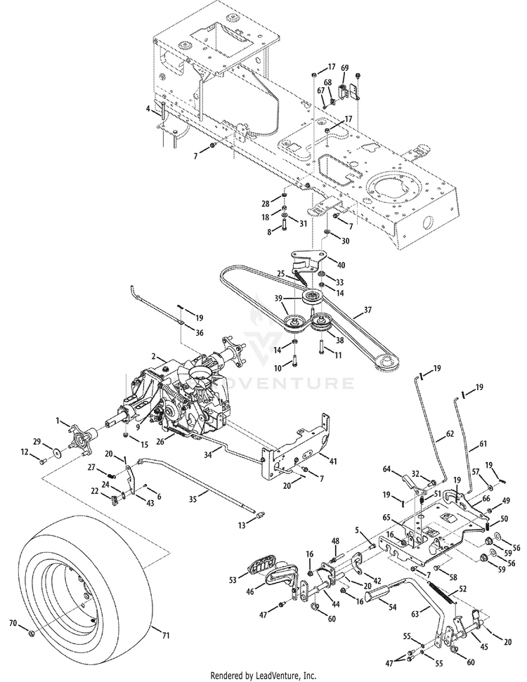
Drive & Rear Wheel

...
...
1
Wheel Hub Assembly MTD-918-04317

...
2
HYDRO GT TRANSMISSION ASSEMBLY MTD-618-04329

...
4
Hex Cap Screw, 5/16-18 x 2.75 MTD-710-0176

...
5
Hex Cap Screw, 3/8-16 x.75 MTD-710-0216

...
6
Screw, #8-18 x.5 MTD-710-0227

...
7
SCREW 5/16-18 x .750 MTD-710-04484

...
8
Hex Cap Screw, 3/8-16 x 1.5 MTD-710-0520

...
9
Self-tapping Screw, 1/4-20 x.50 MTD-710-0599

...
10
Hex Cap Screw, 3/8-16 x 1.5 MTD-710-1007

...
11
Hex Cap Screw, 3/8-16 x 2.25 MTD-710-3011

...
12
Screw, 3/8-16 x.750 MTD-710-3119

...
13
Ferrule 3/8-24 Thd. MTD-911-0832

...
14
Hex Jam Nut 7/16-20 MTD-912-0240

...
15
Flange Lock Nut, 5/16-18 MTD-712-04063

...
16
Flange Lock Nut 3/8-16 MTD-712-04065

...
17
Flange Lock Nut 3/8-16 MTD-912-0431

...
18
HEX NUT 3/8-16 GR5 MTD-712-3017

...
19
Internal Cotter Pin MTD-714-0104

...
20
Cotter Pin MTD-714-0111

...
22
SAFETY SPRING SWITCH MTD-725-1644

...
24
Insulatop Nut Plate MTD-926-0320

...
25
Extension Spring,.770 x 3.72 Lg. MTD-732-04323B

...
26
Extension Spring,.59 x 4.0 MTD-732-0716D

...
27
Extension Spring, 3/8 x 1.44 MTD-732-3118

...
28
Lock Washer, 3/8 MTD-736-0169

...
29
Flat Washer,.390 x 1.500 x.134 MTD-736-0227

...
30
Flat Washer.385 x 1.00 x.135 MTD-736-0258

...
31
Flat Washer .406 x .875 x .059 MTD-736-0300

...
32
Shoulder Bolt, .500 x .270 MTD-738-0380

...
33
Shoulder Spacer,.38 MTD-738-0372B

...
34
BRAKE ROD MTD-747-04140

...
35
CONTROL ROD HYDRO MTD-747-1119

...
36
DISENGAGEMENT ROD MTD-747-1121A

...
37
Drive Belt MTD-954-0349

...
38
Flat Idler Pulley, 2.75 MTD-756-04224

...
39
V-idler Pulley, 3.06 MTD-756-04325

...
40
Double Idler Bracket *CHOOSE COLOR WHEN ORDERING* MTD-783-04442

...
41
TRANSMISSION TORQUE BRACKET *CHOOSE COLOR WHEN ORDERING* MTD-783-0667B

...
42
CONTROL BRACKET MTD-783-0745-0637

...
43
ACTUATOR BRACKET MTD-783-0782-0637

...
44
HYDRO CONTROL ASSEMBLY (POWDER BLACK) MTD-647-0049A-0637

...
45
BRAKE CONTROL ASSEMBLY (POWDER BLACK) MTD-647-04100-0637

...
46
CONTROL PEDAL ASSEMBLY MTD-683-0267C

...
47
Self-tapping Screw, 5/16-18 x.75 MTD-710-1260A

...
48
Pin, 3/8-16 x 2.43 MTD-711-04159B

...
49
HEX FLANGE NUT MTD-712-3004A

...
50

...
51
Extension Spring,.50 OD x 1.41 MTD-732-0955

...
52
Extension Spring,.50 OD x 6.37 MTD-732-0963

...
53
Drive Pedal Pad MTD-735-0662

...
54
Brake Pedal Pad MTD-735-3049A

...
55
Lock Wash. 5/16" I.D. MTD-936-0119

...
56
Flat Washer,.64 x 1.24 x.06 MTD-736-0187

...
57
Flat Washer,.385 x.870 x.092 MTD-736-0262

...
58
Shoulder Bolt MTD-938-0155

...
59
FLANGE BEARING MTD-941-0225

...
60
Split Hex Flange Bearing MTD-741-3065B

...
61
LOCK CONTROL BRAKE ROD MTD-747-04093A

...
62
CRUISE CONTROL ROD MTD-747-04096

...
63
BRAKE PEDAL (POWDER BLACK) MTD-747-04641A-0637

...
64
CRUISE LATCH MTD-748-04039C

...
65
Steering Support Bracket MTD-783-04612-0637

...
66
LOCKOUT BRACKET MTD-783-0663E

...
67
HEX SCREW AB-TAP #10-16 x 0.500 MTD-910-0224

...
68
Switch Plate MTD-17962

...
69

...
70
Lug Nut, 3/4-16 MTD-712-3050

...
71
WHEEL ASM COMP.23X *CHOOSE COLOR WHEN ORDERING* MTD-634-0202A

...
71
Rim Only 12.0 x 7.0 (not shown)*CHOOSE COLOR WHEN ORDERING* MTD-634-04238

...
71
TUBELESS VALVE (not shown) MTD-934-0255

...
71
Tire (not shown) MTD-734-04147-0901

...
xx
Revse./Ground Wire Harness Adaptor (not shown) MTD-629-0949B

...
xx
Cable Tie (not shown) MTD-725-0157

...
xx
Push Mount Cable Tie (not shown) MTD-926-0154
...
...
...
...
...
Processing