Models
Parts
Model: 13AV90GS897 (2011) V90GS (2011)
Drive Assembly
Engine Accessories
Hood & Grille Style Y & G
Label Map 13AV90GS897
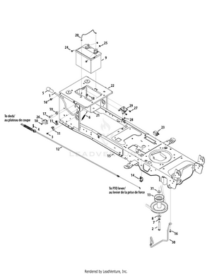
Manual PTO
Mower Deck 42-Inch
Seat & Fender
Steering
Transmission
Wheels
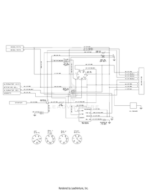
Wiring Diagram
OEM-190-833 46" Snow Blade (2011)
Model: 1AHF08390
In Stock
Replaced By :
Please call us at 866-243-2721 or talk with us by sending us more information. We want to verify availability before placing your order.
For Customer Service inquiries please E-mail info@partswarehouse.com, Call 866.243.2721 or Text 972.383.9129
Mon - Sat 7AM - 7PM CT
Mon - Sat 6AM-2AM CT
Track your order
Reviews
FAQs
Price Match Guarantee
Sign in for faster checkout.