Welcome,
My Cart
0 item(s)

Models

Parts


product name

Columbia 13AV90GS897 (2010) V90GS (2010) Lawn Tractor

Model: 13AV90GS897 (2010) V90GS (2010)

Back To Assemblies

Save
Part Not Listed?Part Not Listed?

product name

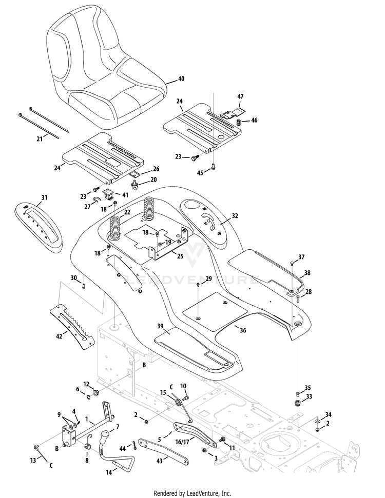
Seat & Fender

...
...
1
LIFT SHAFT ASSEMBLY (POWDER BLACK) MTD-683-04223-0637

...
2
Flange Locknut 5/16-18 Gr. F, Nylon MTD-712-04063

...
3
Flange Lock-Nut 3/8-16 Gr. F Nylon MTD-712-04065

...
4
Hairpin Clip MTD-714-0104

...
5
Bow-Tie Cotter Pin MTD-714-04040

...
6
E-ring .625 Shaft MTD-716-0106A

...
7
Handle Grip MTD-720-0311

...
8
Torsion Spring MTD-732-0874

...
9
Cupped Washer .375 ID x .870 OD x .063 MTD-736-0105

...
10
Shoulder Scr. .437 Dia x .47 MTD-738-0138A

...
11
Shoulder Screw MTD-738-0380

...
12
FLANGE BEARING MTD-941-0225

...
13
Lift Cable, 16.16 MTD-746-0968

...
14
Lift Handle MTD-747-04962A

...
15
Roller Pulley MTD-756-04331

...
16

...
17

...
18
SCREW 5/16-18 x .750 MTD-710-04484

...
19
HEX FLANGE NUT MTD-712-3004A


...
21
Cable Tie MTD-725-0157

...
22
Compression Spring 1.71 x 3.735 x .238 MTD-732-04561

...
23
Shld. Bolt .437" x .286" MTD-738-0296

...
24
Seat Mounting Bracket MTD-783-06049-0606

...
25
Seat Pivot Bracket MTD-783-06088A-0637

...
26
Seat Bracket, Knob adjustment MTD-783-06266-0637

...
27
Switch Retaining Clip MTD-783-06448

...
28
Hex Bolt 5/16-18 x 1.25 MTD-710-0528

...
29
Hex Wash S-Tapp Scr 1/4-20 x .50 MTD-710-0599

...
30
Hex Tapp Scr 1/4 x .75" Lg. MTD-710-0895

...
31
Lift Lever Cover MTD-731-06795

...
32
Shift Lever Cover MTD-931-2104C

...
33
Grommet .4375 ID x .75 MTD-735-0690

...
34
Flat Washer .344 ID x 1.0 MTD-736-3078

...
35
Flange Spacer .3125 x .4375 x .625 MTD-750-3310

...
36
FENDER (MAJESTIC ORANGE) MTD-783-06259-0606

...
37
Foot Pad Clips (Not Shown) MTD-726-3046

...
38
FOOT PAD (LH) MTD-735-04138

...
39
FOOT PAD (RH) MTD-735-04158

...
40
HI BACK SEAT, BLACK (3 PT) MTD-757-05232

...
41
Seat Switch MTD-925-05013

...
42
Lift Bracket 6 positions MTD-783-06443-0637

...
42
LIFT BRACKET MAN PTO MTD-783-06039-0637

...
43
Lift Link (46") MTD-783-05546A-0637

...
44
Bow-Tie Cotter Pin (46") MTD-714-04040
...
...
...
...
...
Processing