Welcome,
My Cart
0 item(s)

Models

Parts


product name

Columbia 13AV76GF897 (2010) V76GF (2010) Lawn Tractor

Model: 13AV76GF897 (2010) V76GF (2010)

Back To Assemblies

Save
Part Not Listed?Part Not Listed?

product name

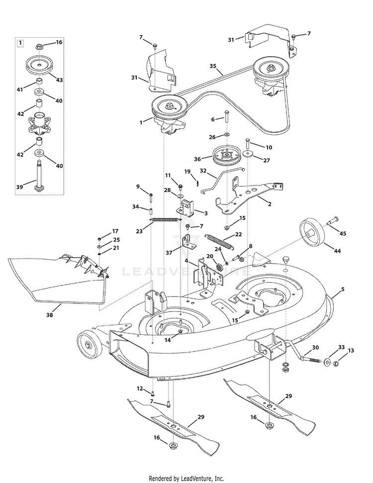
Mower Deck 38-Inch

...
...
1
SPINDLE ASSEMBLY MTD-918-04474B

...
2
Deck Brake Assembly MTD-983-04167

...
3
42" DECK BRAKE ASSEMBLY MTD-683P04138C

...
4
Deck Hanger Brkt. Ass'y MTD-683-04228-0637

...
5
38" DECK SHELL (MAJESTIC ORANGE) MTD-983-04264C-0606

...
6
Hex Screw 3/8-16 x 1.75 MTD-710-0347

...
7
SCREW 5/16-18 x .750 MTD-710-04484

...
8
Hex Wash Tap Scr 5/16-18 x 1.25 MTD-710-0528

...
9
Hex Wash HD Bolt 1/4-20 x 1.50" Lg. MTD-710-0778

...
10
Hex Bolt 3/8-16 x 1.25 MTD-710-3005

...
11
SCREW 5/16-18 x .75 GR5 MTD-710-3008

...
12
Hex Bolt 1/4-20 x 1.00 MTD-710-3015

...
13
Flexloc Nut 1/2-13 MTD-712-04243

...
14
Hex Flange Locknut 5/16-18 Gr. F, Nylon MTD-712-04063

...
15
Hex Flange Locknut 3/8-16 Gr. F Nylon MTD-712-04065

...
16

...
17

...
19
Int. Cotter Pin .072 x 1.13" Lg. MTD-714-0104

...
20
Deck Adjustment Gear MTD-917-04074

...
21
Bolt Retainer 1/4" x .50" OD MTD-726-0233

...
22
Extension Spring .75 dia. x 6.37 Lg. MTD-732-04280B

...
23
Extension Spring .50 dia x 6.37 MTD-732-04287

...
24
L-Wash 5/16 ID MTD-936-0119

...
25
SPRING WASHER BELL MTD-736-0270

...
26
Fl-Wash. .385" I.D. x 7/8" MTD-736-0300

...
27
Shoulder Spacer .884 x .190 MTD-738-04162C

...
28
Shoulder Spacer MTD-738-04166

...
29
3 in 1 Blade 19.38" Lg. MTD-742-0610A-0637

...
30
Deck Rod, Front Adjustable MTD-747-04322

...
31

...
32
Brake Control Rod MTD-747-04381

...
33
LIFT PIVOT CUP MTD-748-04069A

...
34
Spacer .260 x .375 x 1.030 Lg. MTD-750-0566A

...
35

...
36
Pulley Kit, Idler, 4.25"Dia MTD-753-08171

...
37
Deck Engage Cable Bracket MTD-783-04740-0637

...
38
CHUTE ASSEMBLY MTD-631-05229

...
39
Spindle Shaft 5.5 MTD-938-04241

...
40
BALL BEARING MTD-741P0919B

...
41
Spacer, .820 x 1.150 x .480 MTD-750-04739

...
42
Spacer .80 x 1.10 x 1.322 MTD-750-1000

...
43
Deck Pulley MTD-756-1188

...
44
DECK WHEEL (5.0 DIA X 1.38) MTD-734-06265

...
45
Shoulder Bolt .498 Dia x 1.53 x 3/8-16 MTD-938-0373
...
...
...
...
...
Processing