Welcome,
My Cart
0 item(s)

Models

Parts


product name

Columbia 13AV61GG897 (2009) Lawn Tractor

Model: 13AV61GG897 (2009)

Back To Assemblies

Save
Part Not Listed?Part Not Listed?

product name

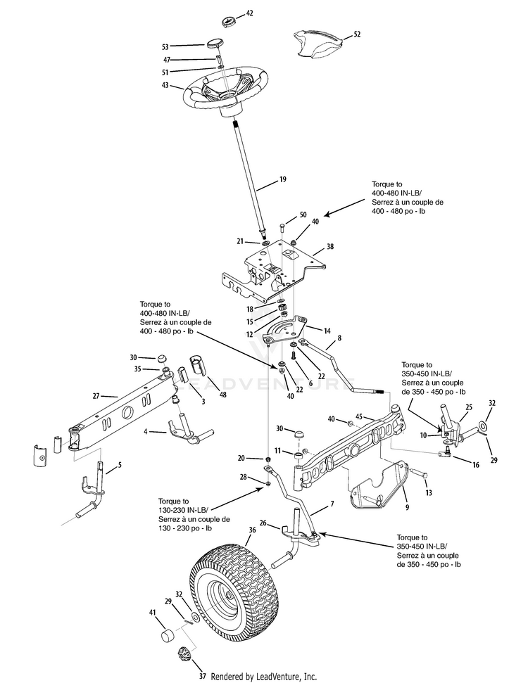
Steering Assembly

...
...
1
LOWER FRAME ASSEMBLY(POWDER BLACK) MTD-683-04173B-0637

...
3
Axle End Cap - Std. MTD-731-04057A

...
4
AXLE ASSEMBLY (LH) .750 DIA use with steel Pivot Bar (42" Deck) MTD-938-04006A-0637

...
5
AXLE ASSEMBLY (RH) .750DIA (42" Deck) MTD-938-04005A-0637

...
6
Hex Cap Screw 3/8-16 x 1.00 Gr. 5 Spec. MTD-710-04095

...
7
DRAG LINK (RH) MTD-711-1408

...
8
DRAG LINK (LH) MTD-711-1409A

...
9
Front Deck Hanger Brkt. (Style 6) MTD-783-04568-0637

...
10
Hex Cent. L-Nut 3/8-24 MTD-912-0214

...
11
Spacer .71 ID x .125 OD x .56" Lg. MTD-748-04068

...
12
Flange Lock Nut, 7/16-20 MTD-712-0459

...
13
Shoulder Bolt .50 x 2.38: 3/8-16 MTD-738-04128

...
14
Steering Gear, 11/90 Ra tio MTD-717-1550F

...
15
Steering Pinion Gear MTD-717-1554

...
16
Ball Joint, 7/16 - 20 MTD-923-0448A

...
18
Fl. Washer .510 x 1.120 x .060 MTD-736-3084

...
19
Steering Shaft, .625 OD x 24.25 MTD-738-04263

...
20
Plastic Bushing .380 ID MTD-941-0475

...
21
Hex Flange Bearing, 5/8 MTD-741-04237B

...
22
Shoulder Spacer MTD-738-04154

...
25
AXLE ASSEMBLY (.750) (LH) use with Cast Iron Pivot Bar (46" Deck) MTD-638-04003AP

...
25
AXLE ASSEMBLY (LH) .750 DIA use with Cast Iron Pivot Bar (42" Deck) MTD-938-04006A-0637

...
26
AXLE ASSEMBLY (RH) .750DIA use with Cast Iron Pivot Bar (46" Deck) MTD-938-04004A

...
26
AXLE ASSEMBLY (RH) .750DIA use with Cast Iron Pivot Bar (42" Deck) MTD-938-04005A-0637

...
27

...
28
HEX FLANGE NUT MTD-712-3004A

...
29
COTTER PIN-5/32 DIA MTD-714-0162

...
29
Cotter Pin 5/32" Dia. x 1.25 MTD-714-0162

...
30
Push Cap, .750 MTD-726-0341

...
32
Flat Washer MTD-736-0316

...
32
FLAT WASHER .781 ID x1.590 OD MTD-736-04228B

...
35
Flange Bearing .760 ID x .937 OD MTD-741-0660A

...
36
WHEEL ASSEMBLY (15 x 6 x 6)(OYSTER-CARLISLE) MTD-634-04199-0911

...
36
Tire Only Not shown MTD-734-1731-0901

...
36
RIM ASSEMBLY (6 x 4.5) (OYSTER GREY) Not shown MTD-934-04091C-0662

...
36
Valve Not shown MTD-934-0255

...
37

...
38
Steering Support Bracket MTD-783-04612-0637

...
39
SHOULDER SCREW .498 DIA x .340 MTD-738-0143

...
40
Hex Flange L-Nut 3/8-16 Gr. F MTD-712-04065


...
42
Steering Wheel Cap - Small w/logo MTD-731-04040

...
43
STEERING WHEEL MTD-631-04008B

...
45
CAST PIVOT BAR AXLE MTD-919-04177E

...
47
Hex Screw 5/16-18 X 1.00 Spe cial MTD-710-0643

...
48
Pivot Bar End Cap MTD-931-1291A

...
50
Hex Screw 3/16 x 1.00 MTD-710-0514

...
51
Fl.-Wash 3/8" 1.C) x 875" OD MTD-736-3004

...
52
Steering Wheel Cover - MTD MTD-731-04065A

...
53
Steering Wheel Cap Not used in this application MTD-NA
...
...
...
...
...
Processing