Welcome,
My Cart
0 item(s)

Models

Parts


product name

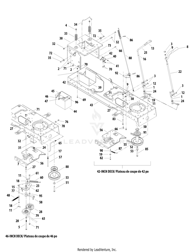
Columbia 13AV61GG897 (2009) Lawn Tractor

Model: 13AV61GG897 (2009)

Back To Assemblies

Save
Part Not Listed?Part Not Listed?

product name

Manual PTO

...
...
1
PTO Engage Lever Assembly MTD-947-04036A

...
2
SCREW 5/16-18 x .750 MTD-710-04484

...
3
Carriage Bolt 5/16-18 x 1.00" Lg MTD-710-0276

...
4
Hex Wash HD AB Tap Scr 5/16-12 x .75 MTD-710-1260A

...
5
SCREW 3/8-16 x 5.5" GR5 MTD-710-0831

...
7
Push Nut Bolt Retainer MTD-712-0229

...
8
PTO KNOB ASSEMBLY MTD-647-04147

...
9
HEX FLANGE NUT MTD-712-3004A

...
11
Cotter Pin 1/8" Dia. x 1" Lg. MTD-714-0115

...
12
Push Speed Nut MTD-726-0201

...
13

...
15
BELT GUARD MTD-732-04245A

...
16
Flat Washer .510 ID x .75 OD x .033 MTD-936-0108

...
17
L-Wash 5/16 ID MTD-936-0119

...
18
Fl-Wash. .344" I.D. x .62" MTD-736-0140

...
19
Flat Washer .28 ID x .74 OD x .063 MTD-736-0173

...
20
Fl-Wash. .385" I.D. x 7/8" MTD-736-0300

...
21
CAP PLUG MTD-720-0425

...
22
DECK ENGAGEMENT HANDLE MTD-747-04855

...
23
Shoulder Spacer MTD-738-0372B

...
24
Hex Slpit Flange Bearing .50 ID MTD-741-0708

...
25
DECK ENGAGEMENT HANDLE MTD-747-04470

...
27
SPACER .385ID x 1.54" MTD-748-0415B

...
28
Flat Idler Pulley 3.5 OD MTD-756-0627D

...
30
Engagement Stop Bracket MTD-783-0744A-0637

...
31
DECK UP STOP BRACKET MTD-783-04467-0637

...
32
Hex Wash HD AB Tap Scr 5/16 x .75 MTD-710-0726

...
33
Compression Spring 1.28 x 3.125 MTD-732-04035

...
34
Battery Retainer Rod MTD-747-04121A

...
35
Hex Bolt 3/8-16 x 1.25 MTD-710-3005

...
38
SEAT FRAME BRACKET (MAJESTIC ORANGE) MTD-783-06089-0606

...
39
BATTERY TRAY MTD-783-0349-0637

...
40

...
41
Hex Wash S-Tapp Scr 1/4-20 x .50 MTD-710-0599

...
42
Ext. L-Wash. 1/4" I.D. MTD-736-0222

...
43
LOWER FRAME ASSEMBLY(POWDER BLACK) MTD-683-04173B-0637

...
44

...
45
Carriage Bolt 1/4-10 x .75 MTD-710-0703

...
46
Sems Hex Nut 1/4-20 MTD-712-0271

...
47
WING NUT 1/4-20 MTD-712-3087

...
48
Extension Spring .50 x 5.0 MTD-732-04197

...
50
Spacer 1.010 x 1.4 x .825 MTD-750-0956

...
51
Hex Bolt 7/16-20 x 2.75 Gr. 5 MTD-710-04377

...
52
Flat Washer .450 x 1.25 x .164 MTD-736-0322

...
53
Lockwasher 7/16 ID MTD-936-0171

...
55
PTO Belt (w/42" deck) MTD-954-0497

...
56
Steering Support Bracket MTD-783-04612-0637

...
57
Keeper Pin 5/16 x 4.75 MTD-711-1044A

...
58
Belt Guard MTD-732-1013A

...
60
Extension Spring .75 x 6.75 MTD-732-0944

...
61
Hex TT Sems Scr. 3/8-16 x 1.5 MTD-710-1007

...
62
PTO Engagement Plate MTD-683-0302

...
63
PTO Belt (w/46" Deck) MTD-754-04064

...
65
Belt Keeper Rod MTD-747-04355

...
66
Hex Wash HD S-Tapp Scr 5/16-18 x .50 MTD-710-0607

...
68
L-Wash 1/4 ID MTD-936-0329

...
69
Thd Forming Scr. 1/4-20 x .75 Lg. MTD-710-0642

...
70
Hex L-Flanged Nut 1/4-20 Gr. F Nylon MTD-712-04064

...
71
Flange Lock-Nut 3/8-16 Gr. F Nylon MTD-712-04065

...
72
Shoulder Spacer .38 x 1.0 x .70 MTD-738-04058

...
73
UPPER FRAME (MAJESTIC ORANGE) MTD-783-04809C-0606

...
77
Fl-Wash. .39" I.D. x 1.5" O.D. MTD-736-0227

...
78
Cupped Washer .345 ID x .88 OD x .060 MTD-736-0242

...
79
4" Dia. V-Idler MTD-756-0487

...
80
ENGINE PULLEY 3.39 x 6.12 DIA MTD-756-04207A

...
80
ENGINE PULLEY 3.56 x 6.12 DIA MTD-756-04208A

...
82
Hex Bolt 1/4-20 x 1.5 MTD-710-0778

...
83
Hex Cap Screw, 3/8-16 x 2.5 MTD-710-0859

...
85
Hex Bolt 7/16-20 x 3.25 Gr. 5 MTD-710-04608

...
86
Bow Tie Cotter Pin MTD-714-04040

...
87
Extension Spring .38 OD x 3.9 Lg. MTD-732-04248

...
88
TRANSMISSION/MOTOR ASSEMBLY (LH) (PARKER) MTD-918-07021B

...
90
Spacer .260 x .375 x 1.030 Lg. MTD-750-0566A

...
91
Engine Pulley 3.39 x 6.12 dia 42" Trans MTD-756-04196A

...
91
ENGINE PULLEY (3.56 x 6.12 DIA) MTD-956-04067B

...
92
Cable Bracket MTD-783-05358-0637

...
95
Flat Washer .406 ID x .812 OD x .134 MTD-736-3010

...
96
Shoulder Screw, 1/4-20 MTD-738-1132
...
...
...
...
...
Processing