Welcome,
My Cart
0 item(s)

Models

Parts


product name

Columbia 13AV60GG897 (2009) Lawn Tractor

Model: 13AV60GG897 (2009)

Back To Assemblies

Save
Part Not Listed?Part Not Listed?

product name

Engine Accessories

...
...
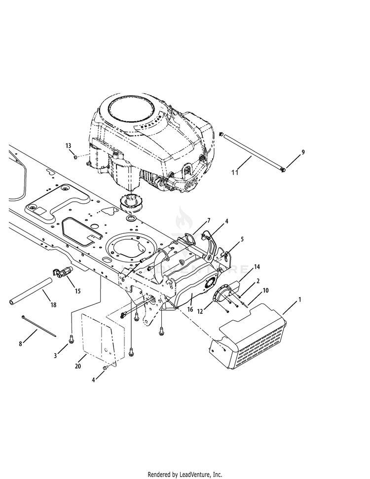
1
MUFFLER SHIELD (POWDER BLACK) MTD-683-05460A-0637

...
2
Hex AB Scr #8-18 x .50 MTD-710-0227

...
3
SCREW 3/8-16 X 1 MTD-710-04683C

...
4
Hex Wash S-Tapp Scr 1/4-20 x .50 MTD-710-0599

...
5
Thd Forming Scr. 1/4-20 x .75 Lg. MTD-710-0642

...
6
Scr. 5/16-18 x .75 MTD-710-1314A

...
7
Exhaust Gasket MTD-BS-692236

...
8
Cable Tie MTD-725-0157

...
9
Hose Clamp MTD-726-0205

...
10
Pop Rivet MTD-728-04000

...
11
Fuel Line *CHOOSE LENGTH WHEN ORDERING* MTD-751-10349

...
12
EXHAUST DELECTOR (LONG) MTD-751-11053B

...
13
Hex Sems Nut 1/4-20 MTD-712-0271

...
14
Muffler Deflector MTD-751-0564B

...
15
Oil Drain MTD-951-10517A

...
16
MUFFLER EXHAUST SINGLE MTD-951-11022A

...
18
Oil Drain Hose MTD-751-3141-14

...
20
...
...
...
...
...
Processing