Welcome,
My Cart
0 item(s)

Models

Parts


product name

Columbia 13AP61GH897 (2009) Lawn Tractor

Model: 13AP61GH897 (2009)

Back To Assemblies

Save
Part Not Listed?Part Not Listed?

product name

Hood & Grille

...
...
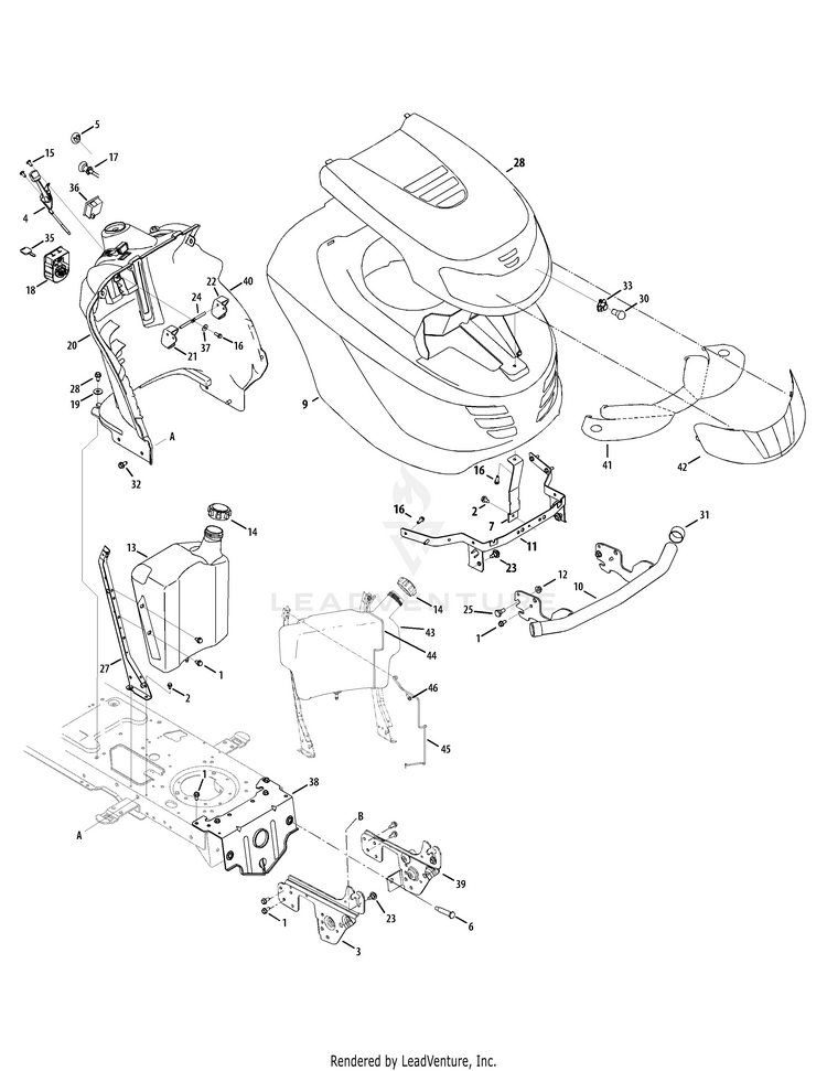
1
SCREW 5/16-18 x .750 MTD-710-04484

...
2
Hex Wash S-Tapp Scr 1/4-20 x .50 MTD-710-0599

...
3
SUPPORT BRACKET (RH) MTD-783-05328B-0637

...
4
Throttle/Choke Cont. Cable 25" Lg. (Single) MTD-746-04364

...
4
Throttle/Choke Cont. Cable 46.5" Lg. (Twin) MTD-946-04542

...
5
Choke Plug MTD-731-1999

...
6
Shoulder Bolt .5 x 2.38, 3/8-16 MTD-738-04128

...
7
HOOD SUPPORT BRACKET MTD-783-06117-0637

...
9
Grill Style "G" (w/side fill) MTD-931-06538

...
10
Bumper Assembly MTD-683-04219B-0637

...
11
Hood Pivot Bracket MTD-783-04606C-0637

...
12
Hex Ctr. L-Nut 3/8-16 Thd. MTD-712-3000

...
13
Fuel Tank 3 Gal. Not used in this application MTD-NA

...
14

...
15
Torx Mach. AB-Tapp Scr. 1/4-14 x .625 Lg MTD-710-1017

...
16
Hex Tapp Scr 1/4 x .75" Lg. MTD-710-0895

...
17
Choke Cable 37.5" Lg. MTD-946-1085A

...
18
IGNITION MODULE SWITCH RMC (MAN PTO BLK) MTD-925-06119C

...
19
Flat Washer MTD-736-0701

...
20
DASH PANEL W/MAN PTO (Man. PTO w/fuel level window) MTD-931-06495A

...
21
CRUISE CONTROL MTD-731-04214

...
22
Parking Brake Button MTD-731-04213

...
23
Shoulder Screw .43 x .29, 5/16-18 MTD-738-04091A

...
24
BRAKE/CRUISE PIVOT ROD MTD-747-1155

...
25
SHOULDER SCREW .498 DIA x .340 MTD-738-0143

...
27

...
27
DASH SUPPORT (not shown) MTD-783-04323F-0637

...
28
UPPER HOOD ASSEMBLY G-STYLE MTD-931-04308

...
30
Miniature Lamp 12V Socket Type MTD-925-0963

...
31
Bumper Cap MTD-731-05674

...
32
Screw 5/16-12 x .75 MTD-710-0726

...
33
HEADLIGHT SOCKET (1/4 TURN) MTD-925-1649A

...
35
Ignition Key w/Plastic Cover MTD-925-1745A

...
36
Wire Harness (w/Hour Meter) MTD-725-04861

...
37
R-Wash. .218 I.D. x .5" O.D. MTD-736-0142

...
38
PIVOT BAR BRACKET (POWDER BLACK) MTD-783-05326D-0637

...
39
LH Pivot Support Bracket MTD-783-05327B-0637

...
40
DASH PANEL W/MAN PTO (Man. PTO w/fuel level window) MTD-931-06495A

...
41
LABEL-REFLECTOR G-STYLE MTD-777X43285

...
42
Lens (Style G) MTD-931-06564

...
43
FUEL TANK 2.75 GAL MTD-951-10573

...
44
TANK SUPPORT ROD (LH) MTD-747-05050

...
45
Tank Support Rod RH MTD-747-05049

...
46
Hex TT Screw 1/4-20 x .75 MTD-710-0642
...
...
...
...
...
Processing