Models
Parts
Model: 13AM79GF897 (2010) M79GF (2010)
Drive Assembly
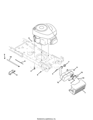
Engine Accessories
Frame & PTO
Hood & Grille
Label Map
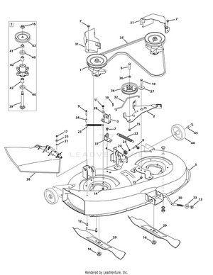
Mower Deck 38-Inch
Seat & Fender
Steering & Front Axle
Model: 1AHF08390
In Stock
Replaced By :
Please call us at 866-243-2721 or talk with us by sending us more information. We want to verify availability before placing your order.
For Customer Service inquiries please E-mail info@partswarehouse.com, Call 866.243.2721 or Text 972.383.9129
Mon - Sat 7AM - 7PM CT
Mon - Sat 6AM-2AM CT
Track your order
Reviews
FAQs
Price Match Guarantee
Sign in for faster checkout.