Welcome,
My Cart
0 item(s)

Models

Parts


product name

Columbia 12AE76M8897 SP33HW (2018) Self Propelled Walk Behind Mower

Model: 12AE76M8897 SP33HW (2018)

Back To Assemblies

Save
Part Not Listed?Part Not Listed?

product name

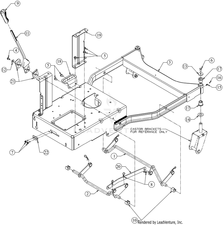
Frame

...
...
1
FRONT LIFT ASSEMBLY MTD-687-02265-0637

...
2
PIVOT LEVER KIT MTD-753-11476

...
3
FRAME ASSEMBLY (Choose Color When Ordering) MTD-687-02591B

...
3
FRAME BRACKET (Choose Color When Ordering) MTD-787-01996

...
4
SCREW 5/16-18 X .50 MTD-710-04312

...
5
SCREW 5/16-18 X .625 MTD-710-0604A

...
6
SCREW 5/16-24 X .750 GR5 MTD-710-0627

...
7
SCREW 1/4-20 X .750 MTD-710-0642

...
8
Inter. Cotter Pin 3/8" Dia. MTD-714-0145

...
9
HANDLE GRIP MTD-720-0311

...
10
SNAP SPACER MTD-731-05791

...
11
DECK HEIGHT LEVER MTD-732-04418C

...
12
BELL WASHER .337 X.867 X .057 MTD-736-0242

...
13
WASHER-5/16 X 1.25X 1.27 MTD-736-0343

...
14
Fl-Wash. .76" I.D. x 1.5" O.D. x .030" Thk. MTD-736-0351

...
15
GREASE FITTING MTD-937-3000

...
17
FLANGE BEARING .760 ID MTD-741-0660A

...
18
HEIGHT ADJUSTMENT BRACKET (Choose Color When Ordering) MTD-787-01496

...
19
FUEL TANK BRACKET (Choose Color When Ordering) MTD-787-01507B

...
20

...
21
PIVOT LEVER BRACKET (POWDER BLACK) MTD-787-06323-0637

...
21
PIVOT LEVER KIT MTD-753-11476

...
22
SHIFT PLATE MTD-787-02009
...
...
...
...
...
Processing