Welcome,
My Cart
0 item(s)

Models

Parts


product name

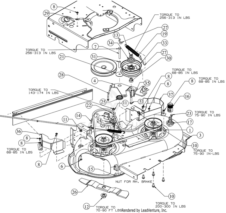
Columbia 12ABW32G897 SP28S (2016) Self Propelled Walk Behind Mower

Model: 12ABW32G897 SP28S (2016)

Back To Assemblies

Save
Part Not Listed?Part Not Listed?

product name

Deck Assembly

...
...
1
SPINDLE ASM 4.6" DIA MTD-918-07146

...
1
DECK SPINDLE HOUSING (W/O FTG) MTD-719-07293-M

...
1
FLANGE NUT 5/8-18 MTD-712-05134

...
1
BALL BEARING MTD-741P0919B

...
1
SPACER- .792 x 1.060 x 1.860 MTD-750-04936

...

...
1
SHIELD-BRG DECK MTD-783-08435

...
1
SPACER .792 x 1.060 x 1.191 MTD-750-06153

...
1
BLADE SPINDLE SHAFT STAR 6.11 LG MTD-738-1186A

...
2
DECK BRAKE ASSEMBLY KIT MTD-753-09904A

...

...
2
DECK BRAKE PAD MTD-761-05007

...
3
28" WAM DECK ASSEMBLY MTD-687-05292

...
3
SCREW 5/16-18 x 1.5 MTD-710-1009

...
3
WELD BOLT 5/16-18 x .875 MTD-710-0353

...
4
IDLER PIVOT ASSEMBLY BRACKET MTD-987-05169

...

...
4
DECK BRAKE PAD MTD-761-05007

...
5
HEX SCREW 3/8-16 x 1.75 GR5 MTD-710-0347

...
6
SCREW 5/16-18 x 1.0 GR5 MTD-710-0376

...
7
SCREW 3/8-16 x 3 GR8 MTD-710-0521

...
8
SCREW M6-1 x .625 MTD-710-06133

...
9
SCREW 5/16-18 x 1.5 (Not Shown) MTD-710-1009

...
10
SCREW 5/16-18 x .750 MTD-710-1260A

...
11
FLANGE LOCK NUT 5/16-18 MTD-712-04063

...
12

...
13
FLANGE LOCK NUT MTD-712-04217

...
14
PIN:COTTER MTD-714-04043

...
15
VINYL CAP MTD-720-05010

...
16
WATER NOZZLE MTD-921-04041

...
17
DECK WASH NOZZLE MTD-731-07487

...
18
TRAILSHIELD 23.00 (Not Shown) MTD-731-10534A

...
19
EXTENSION SPRING MTD-732-04280B

...
20
TORSION SPRING MTD-732-05151A

...
21
HUB CAP WASHER .406 x 1.92 x .060 MTD-736-3040

...
22
FLAT WASHER 344X1.00 MTD-736-3078

...
23
SHOULDER SCREW 1/4-20 x .50 MTD-738-04502

...
24
SHOULDER SPACER .750 x .145 MTD-738-05088

...
25
SHOULDER SPACER MTD-738-05099

...
26
14.20" BLADE (MULCH) MTD-742-05130-0637

...
26
Cub Cadet 28" BLADE SET Retail Packaged Part MTD-490-100-C133

...
26
Genuine Factory Parts 28" BLADE SET Retail Packaged Part MTD-490-100-M133

...
26
14.2" BLADE (HI-LIFT) High-Lift Bagging/Side Discharge MTD-742-05235-0637

...
27

...
28
DECK BRAKE ROD MTD-747-06583

...
29
ENGINE PULLEY BELT KEEPER ROD MTD-747-06626

...
30
SHOULDER SPACER MTD-748-05029A

...
31

...
32
V-BELT A SEC x 60.0 (Not Shown) MTD-954-05106A

...
33
IDLER PULLEY 4.50" DIA MTD-756-05034A

...
34
IDLER PULLEY CAP MTD-783-08389

...
35
BELT KEEPER (POWDER BLACK) MTD-783-08690A-0637

...
36
BELT COVER MTD-787-03537

...
37
28" WAW BELT KEEPER (LH) MTD-787-03648B
...
...
...
...
...
Processing