Welcome,
My Cart
0 item(s)

Models

Parts


product name

Columbia 12A-999W897 (2011) Self Propelled Walk Behind Mower

Model: 12A-999W897 (2011)

Save
Part Not Listed?Part Not Listed?

product name

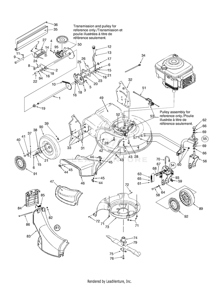
Drive Assembly 999

...
...
1
Axle Ass’y 20T x 21.46" Lg. MTD-938-0012A

...
2
Trans Axle Ass’y MTD-682-7526-0637

...
3
CHAIN COVER ASSEMBLY (POWDER BLACK) MTD-682-7528-0637

...
4
Hex Wash HD Screw 5/16-18 x .62 MTD-710-0604A

...
5
Hex Wash HD Tapp Screw 1/4-20 x .38 MTD-710-0653

...
6
SCREW 1/4-20 x .620 GR5 MTD-710-0751

...
7
Hex Wash Hd. Screw 1/4-20 x .625" Lg MTD-710-1652

...
8
TT Screw 3/8-16 x 1.25 MTD-710-1315

...
9
Clevis Pin .5" Dia. x 4.62" Lg. MTD-911-0835

...
10
Chain, No. 48 End less .50 x 24 links MTD-913-0453

...
11
Cotter Pin MTD-914-0474

...

...
13
Spring Lever MTD-732-0803A

...
14
RH Torsion Spring MTD-732-0832

...
15
SPRING WASHER BELL MTD-736-0270

...
16
Fl-Wash. .50" I.D. x 1.0" O.D. MTD-736-0369

...
17
Shoulder Nut .625 DIA. x .165 MTD-938-0529

...
18
Flange Bearing .506 ID MTD-741-0324A

...
19
Hex Flange Bearing MTD-741-0522

...
20
Hex Sleeve Bearing .504 x .830 Lg. MTD-741-0978

...
21
Ratchet Wheel MTD-948-0318

...
22
Spacer .55 ID x .75 MTD-950-0151

...
23
Sleeve .511 ID x .70 OD x .37" LG. MTD-750-0515

...
24
Spacer .38 x .625" Lg. MTD-750-0807

...
25
Shoulder Spacer .385 ID x .715" Lg. MTD-950-1056

...
26
Pivot Axle Arm MTD-782-0566B-0637

...
27
LIFT BRACKET SPRING MTD-782-0568B

...
28
Hex Wash HD Tap Screw 3/8-16 x .88 MTD-710-0654A

...
31
HANDLE BRACKET (RH) MTD-682-3052

...
32
HANDLE BRACKET (LH) MTD-682-3053

...
33
Screw AB 1/4-20 MTD-710-1348

...
34
Cable Tie MTD-725-0157

...
35
Rear Flap 17.25" Lg. MTD-731-1901A

...
37
Spring - Nylon MTD-10622B

...
38
Pawl Plate MTD-16855

...
39
Weld Top L-Nut 1/4-20 Thd. MTD-712-0414

...
40
Shld. Bolt .34" x 1/4 -20 Thd. MTD-738-0137A

...
41
PAWL - (LH) MTD-948-0188B

...
41

...
42
Carriage Bolt 1/4-20 x .62 MTD-710-0134

...
43
Carriage Bolt 1/4-10 x .75 MTD-710-0703

...
44

...
45
Flat Washer .260 x .720 x .060 MTD-736-3090

...
46
DISCHARGE CHUTE 21" MTD-731-1832

...
47
Mulching Baffle MTD-931-1833A

...
49
21" DECK (3N1) MTD-782-0046B

...
49

...
50
TRANSMISSION MTD-918-0263A

...
51
SP Cable 51.0" Lg. MTD-946-0711B

...
52
V-Belt 3/8 x 39.24" Lg. MTD-954-0460

...
53
Pulley & Actuator (6 speed) MTD-956-0613A

...
54
CASTER ASSEMBLY (RH) MTD-682-9020A

...
55
CASTER ASSEMBLY (LH) MTD-682-9021A

...
56
LH CASTER BRACKET MTD-682-9026A

...
57
Carriage Bolt 5/16 x 18 x .62" Lg. MTD-710-0260A

...
58
Caster Axle MTD-911-1146

...
59

...
60
Hex Flange L-Nut 5/16-18 Gr. F MTD-712-04063

...
61
Hairpin Clip MTD-714-0104

...
62
Push Cap 5/8" Dia Rod MTD-726-0214

...
63
Compression Spring MTD-932-0306A

...
64
Wave Washer .53" I.D. MTD-736-0232

...
65
Fl-Wash. .344" I.D. x .625" O.D. MTD-736-0264

...
66
Flat Washer .63 ID x .12 OD x .12 MTD-736-0366

...
67
Flat Washer .203 ID x .406 OD x .040 MTD-736-0931

...
68
Grease Fitting MTD-937-3000

...
69
Flange Bearing .631 ID MTD-741-0685


...
71
Hex Wash HD Tapp Screw 1/4-20 x .38 MTD-710-0653

...
72
Screw 1/4-15 X .75 MTD-710-0895

...
73

...
74
Blade Adapter (w/star) MTD-748-0377E

...
75
BLADE BELL SUPPORT MTD-736-0524B-1

...
76
Hex Bolt 3/8-24 x 2.00 Gr. 8 Spe cial MTD-710-1257

...
77
Wave Washer .51" ID MTD-936-0504

...
79
21-inch Mulching Blade MTD-942-0741A

...
81
TOP DISCHARGE CHUTE ASSEMBLY Includes Ref # 82, 83, 84, 85, 86 MTD-631-0067

...
82
PUSH NUT MTD-726-0111

...
83
Top Chute MTD-931-0066

...
84
Top Discharge Door Chute MTD-731-1874A

...
85
Torsion Spring MTD-732-0819

...
86
CHUTE DOOR PIVOT ROD MTD-747-0965

...
89
Front Wheel Ass’y 7 x 2 (Link/Blk/BB) MTD-734-1857

...
90
Rear Wheel Ass’y 9 x 2.125 (Drive/Zag/Blk) MTD-734-2044B

...
91
Hub Cap -Grey MTD-731-07001

...
92
Hub Cap -Grey (Front, w/hole) MTD-731-1887

...
93
Wheel Caster Brkt. Ass’y RH MTD-682-9024

Handle Assembly

...
...
1
Carriage Bolt 5/16-18 x 2.0 MTD-710-1174

...
2
Hairpin Clip MTD-714-0104

...
3
Plastic Knob MTD-720-04072A

...
4
Cable Tie MTD-725-0157

...
5
Std. Control Handle MTD-747-0824B-0637

...
6
Flg. Lock Nut 5/16-18 Gr. F Nylon MTD-712-04063

...
8
SPRING WASHER BELL MTD-736-0270

...
9
Throttle Wire 60.0" Lg. Yel low MTD-946-0674A

...
10
Hex Ins. Locknut 1/4-20 MTD-712-0324

...
11
SCREW 1/4-20 x 1.310 MTD-710-1270

...
12
Cable Bracket MTD-746-0883

...
13
Carriage Bolt 1/4-20 x .75 MTD-710-0703

...
14

...
15
Control Cable 40.5" Lg.(B&S) MTD-946-0554

...
15
Control Cable 51.93" Lg.(B&S) MTD-946-04639

...
16
HOUSING CONTROL KIT MTD-753-0717

...
17
6 SPEED SHIFT LEVER MTD-731-0924

...
18
3 Tooth Rack Gear Insert MTD-913-0397

...
19
C-sunk Tap Screw #10 x .75 MTD-710-1667A

...
20
Shift Lever Spring MTD-732-0627A

...
21
Rack Cable Bracket MTD-16864

...
22
HOUSING CONTROL KIT MTD-753-0717

...
23
HOUSING CONTROL KIT MTD-753-0717

...
24
Control Lever MTD-731-0620A

...
25
Pulley Cable 53" Lg. MTD-946-0939A

...
26
Clutch Cable - 53" Lg. Orange MTD-946-0711B

...
27
Std. Control Handle MTD-747-0824B-0637

...
28
FOAM GRIP - 9" MTD-720-0294A

...
29
Upper Handle MTD-749-0439E-0637

...
29
Upper Handle(w/Electric start only) If equipped MTD-749-04354A-0637

...
30
Lower Handle MTD-749-0907B

...
31
GRASSBAG COVER ASSEMBLY MTD-631-04597

...
32
Grasscatcher Pivot Rod MTD-747-0939

...
33
Push Cap MTD-926-0106

...
34
Grasscatcher Upper Frame MTD-747-0937-0637

...
35
Grasscatcher Support Rod MTD-747-0940A-0637

...
36

...
37

...
38
BATTERY REPLACEMENT KIT If equipped MTD-753-10804

...
39
Electric Starter Harness Ass'y If equipped MTD-925-04072

...
39
Cable Guide, Harness If equipped MTD-731-2422

...
39
Key Switch If equipped MTD-925-04347

...
40
Screw, #10-16 x .750 If equipped MTD-710-1667A

...
41
BATTERY CHARGER If equipped MTD-725-06121C

...
42
Key If equipped MTD-925-0201

Label Map 12A-999W897

...
...
777S33999
LABEL-REAR DECK/BAG PICTORIAL CAN MTD-777S33999

...
777S33736

...
777S30195
LABEL-SDDSCD WARNG MTD-777S30195

...
777I20374
LABEL SIX SPEED MTD-777I20374

...
777I20745

...
777I20292

...
777D15991

...
777I20291
LABEL-HEIGHT ADJUSTMENT MTD-777I20291
...
...
...
...
...
Processing