Welcome,
My Cart
0 item(s)

Models

Parts


product name

Columbia 12A-998Q597 (2008) Self Propelled Walk Behind Mower

Model: 12A-998Q597 (2008)

Save
Part Not Listed?Part Not Listed?

product name

.Quick Reference 998Q

...
...
xx
SPLG:1ST FIRE:RP CHAMP:N11/12 MTD-FF-22

...
xx

...
xx
Control Cable MTD-946-0557

...
xx
Brake Cable MTD-946-0937

...
xx
Clutch Cable MTD-946-0711B

...
xx
Throttle Wire MTD-946-0674A

...
xx
Drive Belt MTD-954-0460

...
xx
Blade Adaptor MTD-748-0377E

...

...
xx
BLADE BELL SUPPORT MTD-736-0524B-1

...
xx
Blade Nut MTD-710-1257

...
xx
Wheels, Link 7 x 2 (Front) MTD-734-1857

...
xx
Wheels - Front (Front) MTD-753-08093

...
xx
Wheels, Link 9 x 2.00 (Rear) MTD-734-1981A

...
xx
Wheels, w/sleeve bushing 9 x 2.125 (Rear) MTD-734-2010B

...
xx
Wheels, Drive Zag 9 x 2.125 (Rear) MTD-734-2044B

...
xx

...
xx
Trailshield MTD-731-1901A

...
xx
DISCHARGE CHUTE 21" MTD-731-1832

...
xx
Grass Bag Assembly MTD-964-0076A

...
xx
FRAME - UPPER GRASS CATCHER MTD-747-0937-0637

...
xx
MULCH COVER MTD-931-1833A

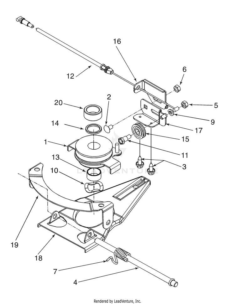
Drive Assembly 998Q

...
...
1
Rear Axle Assembly MTD-938-0012A

...
2
Trans Axle Ass’y MTD-682-7526-0637

...
3
CHAIN COVER ASSEMBLY (POWDER BLACK) MTD-682-7528-0637

...
4
Hex Wash HD Scr 5/16-18 x .62 MTD-710-0604A

...
5
Hex Wash HD Tapp Scr 1/4-20 x .38 MTD-710-0653

...
6
SCREW 1/4-20 x .620 GR5 MTD-710-0751

...
7
Hex Wash Hd. Scr 1/4-20 x .625" Lg MTD-710-1652

...
8
TT Screw 3/8-16 x 1.25 MTD-710-1315

...
9
Clevis Pin .5" Dia. x 4.62" Lg. MTD-911-0835

...
10
Chain, No. 48 Endless .50 x 24 links MTD-913-0453

...
11
Cotter Pin MTD-914-0474

...

...
13
Spring Lever MTD-732-0803A

...
14
RH Torsion Spring MTD-732-0832

...
15
SPRING WASHER BELL MTD-736-0270

...
16
Fl-Wash. .50" I.D. x 1.0" O.D. MTD-736-0369

...
17
Shoulder Nut .625 DIA. x .165 MTD-938-0529

...
18
Flange Bearing .506 ID MTD-741-0324A

...
19
Hex Flange Bearing MTD-741-0522

...
20
Hex Sleeve Bearing .504 x .830 Lg. MTD-741-0978

...
21
Ratchet Wheel MTD-948-0318

...
22
Spacer .55 ID x .75 MTD-950-0151

...
23
Sleeve .511 ID x .70 OD x .37" LG. MTD-750-0515

...
24
Spacer .38 x .625" Lg. MTD-750-0807

...
25
Shoulder Spacer .385 ID x .715" Lg. MTD-950-1056

...
26
Pivot Axle Arm MTD-782-0566B-0637

...
27
LIFT BRACKET SPRING (POWDER BLACK) MTD-782-0568B-0637

...
28
Hex Wash HD Tap Scr 3/8-16 x .88 MTD-710-0654A

...
31
HANDLE BRACKET (RH) *CHOOSE COLOR WHEN ORDERING* MTD-682-3052

...
32
HANDLE BRACKET (LH) *CHOOSE COLOR WHEN ORDERING* MTD-682-3053

...
33
Screw AB 1/4-20 MTD-710-1348

...
34
Cable Tie MTD-725-0157

...
35
Rear Flap 17.25" Lg. MTD-731-1901A

...
36
Rear Flap Wire MTD-732-0842

...
37
Spring - Nylon MTD-10622B

...
38
Pawl Plate MTD-16855

...
39
Weld Top L-Nut 1/4-20 Thd. MTD-712-0414

...
40
Shld. Bolt .34" x 1/4 -20 Thd. MTD-738-0137A

...
41
PAWL - (LH) (Not Shown) MTD-948-0188B

...
41

...
42
Carriage Bolt 1/4-20 x .62 MTD-710-0134

...
43
Carriage Bolt 1/4-10 x .75 MTD-710-0703

...
44

...
45
Bolt Retainer 1/4" x .50" OD MTD-726-0233

...
46
DISCHARGE CHUTE 21" MTD-731-1832

...
47
Mulching Baffle MTD-931-1833A

...
49
21" DECK (3N1) *CHOOSE COLOR WHEN ORDERING* MTD-782-0046B

...
49
21" DECK W/O ICON *CHOOSE COLOR WHEN ORDERING* MTD-782-0078B

...
50
TRANSMISSION MTD-918-0263A

...
51
SP Cable 51.0" Lg. MTD-946-0711B

...
52
V-Belt 3/8 x 39.24" Lg. MTD-954-0460

...
54
CASTER ASSEMBLY (RH) *CHOOSE COLOR WHEN ORDERING* MTD-682-9020A

...
55
CASTER ASSEMBLY (LH) *CHOOSE COLOR WHEN ORDERING* MTD-682-9021A

...
56
LH CASTER BRACKET *CHOOSE COLOR WHEN ORDERING* MTD-682-9026A

...
57
Carriage Bolt 5/16 x 18 x .62" Lg. MTD-710-0260A

...
58
Caster Axle MTD-911-1146

...
59

...
60
Hex Flange L-Nut 5/16-18 Gr. F MTD-712-04063

...
61
Hairpin Clip MTD-714-0104

...
62
Push Cap 5/8" Dia Rod MTD-726-0214

...
63
Com pression Spring MTD-932-0306A

...
64
Wave Washer .53" I.D. MTD-736-0232

...
65
Fl-Wash. .344" I.D. x .625" O.D. MTD-736-0264

...
66
Flat Washer .63 ID x .12 OD x .12 MTD-736-0366

...
67
Flat Washer .203 ID x .406 OD x .040 MTD-736-0931

...
68
Grease Fitting MTD-937-3000

...
69
Flange Bearing .631 ID MTD-741-0685


...
71
Hex Wash HD Tapp Scr 1/4-20 x .38 MTD-710-0653

...
72
Screw 1/4-15 X .75 MTD-710-0895

...
73

...
74
Blade Adapter (w/star) MTD-748-0377E

...
75
BLADE BELL SUPPORT MTD-736-0524B-1

...
76
Hex Bolt 3/8-24 x 2.00 Gr. 8 Special MTD-710-1257

...
79
Blade 21" (w/star) MTD-942-0741A

...
81
TOP DISCHARGE CHUTE ASSEMBLY (Incl. Ref No. 82-86) MTD-631-0067

...
82
PUSH NUT MTD-726-0111

...
83
Top Chute MTD-931-0066

...
84
Top Discharge Door Chute MTD-731-1874A

...
85
Torsion Spring MTD-732-0819

...
86
CHUTE DOOR PIVOT ROD MTD-747-0965

...
89
Front Wheel Ass’y 7 x 2 (Link/Blk/BB) MTD-734-1857

...
89
Wheels - Front (Zag/BB) MTD-753-08093

...
90
Rear Wheel Ass’y 9 x 2.00 (Link /Black w/sleeve bushing) MTD-734-1981A

...
90
Rear Wheel Ass’y 9 x 2.125 (Black w/sleeve bushing) MTD-734-2010B

...
90
Rear Wheel Ass’y 9 x 2.125 (Drive/Zag/Blk) MTD-734-2044B

...
91
Hub Cap -Grey MTD-731-0981C

...
91
Hub Cap - Beige MTD-731-0982C

...
91
HUBCAP-SPOKE YELLOW MTD-731-1426B

...
92
Hub Cap -Grey (Front, w/hole) MTD-731-1887

...
92
Hub Cap - Beige (Front, w/hole) MTD-731-1888

...
92
Hub Cap -Yellow (Front, w/hole) MTD-731-1886

...
93
Wheel Caster Brkt. Ass’y RH *CHOOSE COLOR WHEN ORDERING* MTD-682-9024

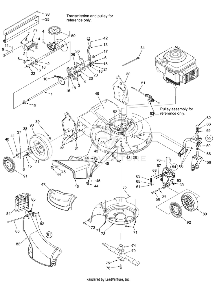
General Assembly

...
...
1
Carriage Bolt 5/16-18 x 2.0 MTD-710-1174

...
2
Hairpin Clip MTD-714-0104

...
3
Plastic Knob MTD-720-04072A

...
4
Cable Tie MTD-725-0157

...
5
Std. Control Handle MTD-747-0824B-0637

...
5
Control Bail Lever - Red MTD-647-04014

...
5
Control Bail Lever - Grey NLA MTD-647-04046

...
6
Flg. Lock Nut 5/16-18 Gr. F Nylon MTD-712-04063

...
8
SPRING WASHER BELL MTD-736-0270

...
9
Throttle Wire 60.0" Lg. Yellow MTD-946-0674A

...
10
Hex Ins. Locknut 1/4-20 MTD-712-0324

...
11
SCREW 1/4-20 x 1.310 MTD-710-1270

...
12
Cable Bracket MTD-746-0883

...
13
Carriage Bolt 1/4-20 x .75 MTD-710-0703

...
14

...
15
Control Cable 47.0" Lg.(Honda) MTD-946-0557

...
16
HOUSING CONTROL KIT MTD-753-0717

...
17
6 SPEED SHIFT LEVER MTD-731-0924

...
18
3 Tooth Rack Gear Insert MTD-913-0397

...
19
C-sunk Tap Screw #10 x .75 MTD-710-1667A

...
20
Shift Lever Spring MTD-732-0627A

...
21
Rack Cable Bracket MTD-16864

...
22
HOUSING CONTROL KIT MTD-753-0717

...
23
HOUSING CONTROL KIT MTD-753-0717

...
24
Control Lever MTD-731-0620A

...
25
Pulley Cable 53" Lg. MTD-946-0939A

...
26
Clutch Cable - 53" Lg. Orange MTD-946-0711B

...
27
Control Bail Lever MTD-747-0824B-0637

...
28
FOAM GRIP - 9" MTD-720-0294A

...
29
Upper Handle MTD-749-0439E-0637

...
30
Lower Handle MTD-749-0907B

...
31
TOP DISCHARGE COVER MTD-631-0072

...
32
Grasscatcher Pivot Rod MTD-747-0939

...
33
Push Cap MTD-926-0106

...
34
Grasscatcher Upper Frame MTD-747-0937-0637

...
35
Grasscatcher Support Rod MTD-747-0940A-0637

...
36
Grass Bag Assembly MTD-964-0076A

...
36
GRASSBAG NLA MTD-664-0075

...
36
GRASSBAG ASSEMBLY MTD-664-04036A

...
36
Grassbag MTD-964-0076

Label Map

...
...
777I22777
LABEL-10W30 ENG SHROUD CDN MTD-777I22777

...
777S30198
LABEL:MOWER MTD-777S30198

...
777S30153
LABEL-DANGER CHUTE MTD-777S30153

...
777CX00022
LABELX: MADE IN USA MTD-777CX00022

...
777S30140
LABEL-DANGER MTD-777S30140

...
777I20374
LABEL SIX SPEED MTD-777I20374

...
777S30164
LBL:SAFETY PICT MTD-777S30164

...
777D12162
LABEL-ENG SHROUD COLUMBIA 978Q Model 978Q Only MTD-777D12162

...
777D12163
LABEL-ENG SHROUD COLUMBIA 998Q Model 998Q Only MTD-777D12163

...
777I20291
LABEL-HEIGHT ADJUSTMENT MTD-777I20291

...
777I20292
LABEL-CASTOR LOCK LH Model 998Q Only MTD-777I20292

...
777I20745
LABEL-CASTOR LOCK RH Model 998Q Only MTD-777I20745

Pulley Assembly

...
...
1
Multi Speed Pulley Ass’y MTD-956-0613A

...
2
Carriage Bolt 1/4-20 x .62\5" Lg. Gr. 2 MTD-710-0134

...
3
Hex Wash HD. TT Tap Scr. 1/4-20 x .62 MTD-710-1652

...
4
Pivot Shaft MTD-711-1114

...
5
Hex Nut 1/4-28 Thd. MTD-712-0138

...
6
Flanged Lock Nut 1/4-20 Gr. F Nylon MTD-712-04064

...
7
TORSION SPRING (LH) MTD-932-0807

...
9
L-Wash 1/4 ID MTD-936-0329

...
10
Wave Washer .88 ID x 1.38 OD x .029 MTD-936-0526

...
11
Hex Shld.Scr.1/4-28 x .375 MTD-738-0924A

...
12
Pulley Cable 53" Lg. MTD-946-0939A

...
13
Sleeve Spacer .88 ID x 1.0 OD x .48 MTD-950-1070

...
14
Sleeve Spacer .88 ID x 1.13 OD x .12 MTD-950-1071

...
15
Cable Guide Roller MTD-756-0625

...
16
CABLE ADJUSTMENT BRACKET MTD-782-7574A-0637

...
17
CABLE MOUNTING BRACKET MTD-782-7575B-0637

...
18
CONTROL ARM 6 SPEED *CHOOSE COLOR WHEN ORDERING* MTD-782-7596A

...
19
Pivot Bracket MTD-782-7597

...
20
SLEEVE SPACER .878X 1.25X (with Honda engine only) MTD-750-1260

Transmission Assembly

...
...
1
Hex Jam Nut 5/16-24 MTD-712-3025

...
2
Bell-Wash. .325" I.D. MTD-736-0425

...
3

...
4
Fl. Washer .510 x 1.120 x .060 MTD-736-3084

...
5
Hex Ins Jam L-Nut 1/4-28 MTD-712-0896

...
6
Belt Keeper MTD-782-7598

...
7
Ball Bearing 17 x 40 x 12 mm MTD-941-0600

...
8
Flange Spacer MTD-750-1050

...
9
IDLER BRACKET ASSEMBLY MTD-982-0027A

...
10
Hex Bolt 1/4-28 x 1" Lg MTD-710-0299

...
11
Extension Spring 0.33 OD x 1.25 MTD-932-0849A

...
12
Bearing Sleeve MTD-741-0682A

...
13
FLAT WASHER MTD-936-0570

...
14
Oil Seal MTD-921-0329

...
15
UPPER HOUSING ASSEMBLY MTD-618-0253

...
16
Thrust Washer .510 ID x .750 OD x .033 MTD-936-0616

...
17
Pinion Shaft 10 T MTD-917-1487

...
18
Thrust Wash. .382" I.D. x .70" O.D. MTD-736-0314

...
19
THRUST WASHER MTD-936-0569

...
20
LOWER HOUSING ASSEMBLY MTD-918-0252

...
21
Thd Forming Scr. 1/4-20 x .75 MTD-710-0642

...
22
CABLE GUARD BRACKET MTD-782-7601A-0637

...
23

...
24
OUTPUT SHAFT ASSEMBLY MTD-911-0066

...

...
26
Gear 34 T MTD-717-1469

...
27
OUTPUT SHAFT 6T MTD-711-1168

...
28
Flange Bearing MTD-941-0673

...
30
Pivot Bracket MTD-782-7595

...
31
Flange Bearing .506 ID MTD-741-0324A

...
32
Fl-Wash. .50" I.D. x 1.0" O.D. MTD-736-0369

...
33
Thrust Bearing .507 ID x .750 OD x .0625 MTD-741-0690
...
...
...
...
...
Processing