Welcome,
My Cart
0 item(s)

Models

Parts


product name

Columbia 11A-A40X897 (2014) Push Walk Behind Mower

Model: 11A-A40X897 (2014)

Save
Part Not Listed?Part Not Listed?

product name

.Quick Reference

...
...
xx
Spark Plug MTD-759-3336

...
xx
Air Filter MTD-BS-799579

...
xx
Air Filter MTD-BS-795066

...
xx

...
xx
Control Cable (brake) MTD-946-04661A

...

...
xx
Blade Bolt MTD-710-1044

...
xx
Blade Adapter 11A-A40X897 & 11A-B0BA897 MTD-748-0376E

...
xx
Blade Adapter 11A-B29V897 MTD-748-04096

...
xx
COMPLETE WHEEL 11A-A40X897 MTD-734-04063B

...
xx
Wheels - Front 11A-B29V897 & 11A-B0BA897 MTD-634-04642

...
xx
COMPLETE WHEEL 11A-A40X897 MTD-734-04063B

...
xx
Wheels - Rear 11A-B29V897 & 11A-B0BA897 MTD-634-05062

...
xx
21" GRASSBAG (BLACK) 11A-B29V897 MTD-764-04082D

...
xx
Grass Bag Frame 11A-B29V897 MTD-647-04271

...
xx
Trailshield MTD-731-07203

...
xx
Discharge Chute 11A-A40X897 MTD-731-07877

...
xx
Discharge Chute 11A-B0BA897 MTD-731-07486

...
xx
Discharge Chute 11A-B29V897 MTD-731-07131

...
xx
HINGED MULCH PLUG ASSEMBLY If equipped MTD-987-05206

...
xx
Blade Removal Tool (Optional Accessory) MTD-490-850-0005

...
xx
SPARK PLUG WRENCH 3/4, 5/8, 13/16 (Optional Accessory) MTD-490-850-0018

...
xx
SPARK PLUG WRENCH 3/4, 5/8, 13/16 (Optional Accessory) MTD-490-850-0018

...
xx
SIPHON PUMP (Optional Accessory) MTD-490-850-0008

...
xx
Side Discharge Blower (Optional Accessory) MTD-490-850-0016

...
xx
UTILITY CARGO CARR (Optional Accessory) MTD-490-850-0015

...
xx
FLOOR MAT (Optional Accessory) MTD-735-04255

...
xx
MOWER KICK STAND (Optional Accessory) MTD-490-850-0012

...
xx
Mower Cover (Optional Accessory) MTD-490-290-0012

...
xx
COATING-GRAPHITE MOWER (Optional Accessory) MTD-490-900-0062

...
xx
STA-BIL 32 OZ (Optional Accessory) MTD-22287

...
xx
FUEL STABILIZER (Optional Accessory) MTD-22208

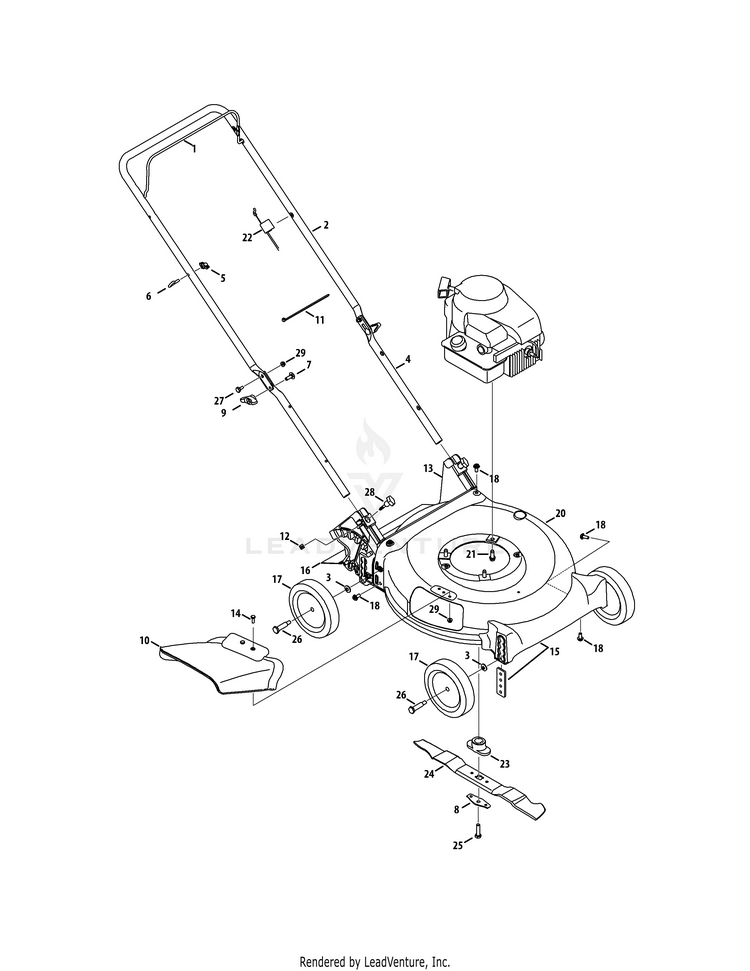
General Assembly 11A-A40X897

...
...
1
Blade Control Handle - Black MTD-747-05184D

...
2
UPPER HANDLE (POWDER BLACK) MTD-749-05084B-0637

...
3
Cupped Washer MTD-736-0105

...
4
LOWER HANDLE (POWDER BLACK) MTD-749-07298-0637

...
5
Knob 1/4-20 MTD-720-0279

...
6
Rope Guide Bolt MTD-710-1205

...
7
Carriage Bolt 5/16-18 MTD-710-04998

...
8
BLADE BELL SUPPORT MTD-736-0524B-1

...
9
Wing Knob 5/16-18 Black MTD-720-04122

...
10
Chute Deflector MTD-731-07877

...
11
Cable Tie MTD-725-0157

...
12
Sq. Nut 1/4-20 MTD-712-04222

...
13
Rear Baffle Ass’y MTD-631-04594A

...
14
Hex. Hd. Cap Scr. 1/4-20 x .75 MTD-710-3015

...
15
Front Axle Cover MTD-631-04516A

...
16
Trailing Shield 4.54 x 17.37 MTD-731-07203

...
17
Wheel Ass’y 7 x 1.5 Diamond Star MTD-734-04063B

...
18
Hex Hd. Cap Scr. 5/16-14 x .75 MTD-710-04995A

...
20
21" Deck Ass’y MTD-787-01869B-0606

...
21
SCREW 3/8-16 X 1 MTD-710-04683C

...
22
Control Cable, 125 cc B&S MTD-946-04661A

...
23
Blade Adapter MTD-748-0376E

...
24
21" Mulching Blade MTD-942-0741A

...
25
Hex Bolt 3/8-24 x 1.5" Lg. (Gr 8) MTD-710-1044

...
26
SHOULDER SCREW MTD-738-04466

...
27
Shoulder Screw .375 x .126 x 1/4-20 MTD-738-04419A

...
28
Knob 1/4-20 x 1.725 Black MTD-720-05066A

...
29
Flanged Lock Nut 1/4-20 Gr. F Nylon MTD-712-04064

Label Map 11A-A40X897

...
...
777S33736
LABEL-DANGER HAND/FEET MTD-777S33736

...
777D19707
LABEL-MOWER SHROUD COLUMBIA MTD-777D19707
...
...
...
...
...
Processing