Welcome,
My Cart
0 item(s)

Models

Parts


product name

Columbia 11A-A40M897 (2012) Push Walk Behind Mower

Model: 11A-A40M897 (2012)

Save
Part Not Listed?Part Not Listed?

product name

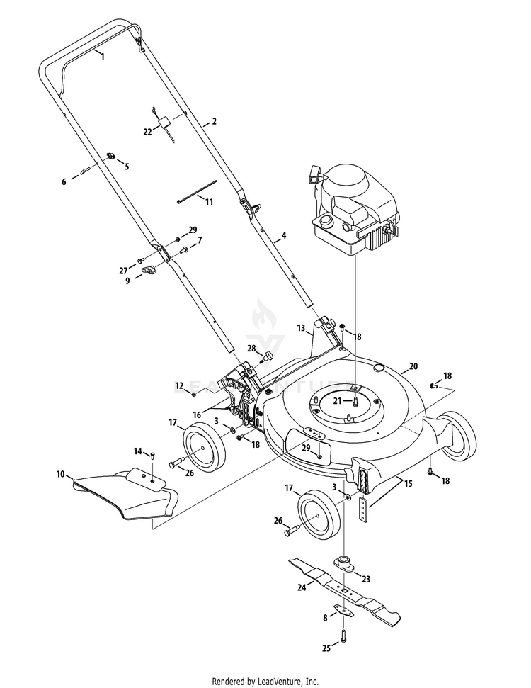
General Assembly 11A-A40M897

...
...
1
Blade Control MTD-747-05184D

...
2
UPPER HANDLE (POWDER BLACK) MTD-749-05084B-0637

...
3
Cupped Washer MTD-736-0105

...
4
LOWER HANDLE (POWDER BLACK) MTD-749-07298-0637

...
5
Knob 1/4-20 MTD-720-0279

...
6
Rope Guide Bolt MTD-710-1205

...
7
Carriage Bolt 5/16-18 MTD-710-04998

...
8
BLADE BELL SUPPORT MTD-736-0524B-1

...
9
Wing Knob 5/16-18 Black MTD-720-04122

...
10
Chute Deflector MTD-731-07877

...
11
Cable Tie MTD-725-0157

...
12
Sq. Nut 1/4-20 MTD-712-04222

...
13
Rear Baffle Ass'y MTD-631-04594A

...
14
Hex. Hd. Cap Screw 1/4-20 x .75 MTD-710-3015

...
15
Front Axle Cover MTD-631-04516A

...
16
Trailing Shield 4.54 x 17.37 MTD-731-07203

...
17
COMPLETE WHEEL MTD-734-04063B

...
18
SCREW 5/16-14 X .750 MTD-710-04995A

...
20
21" DECK (3N1) MTD-787-01869B-0606

...
21
Hex Wash HD Tap Scr 3/8-16 x .88 MTD-710-0654A

...
22
Control Cable, 158 cc B&S MTD-946-0957

...
23
Blade Adapter MTD-748-0376E

...
24
21" Mulching Blade MTD-942-0741A

...
25
Hex Bolt 3/8-24 x 1.5" Lg. (Gr 8) MTD-710-1044

...
26
SHOULDER SCREW MTD-738-04466

...
27
Shoulder Screw .375 x .126 x 1/4-20 MTD-738-04419A

...
28
WING KNOB 1/4-20 MTD-720-05066A

...
29
Flanged Lock Nut 1/4-20 Gr. F Nylon MTD-712-04064

Label Map 11A-A40M897

...
...
777D16935
LABEL-MOWER BRIGGS PUSH MTD-777D16935

...
777S33606
LABEL IN-MOLD LABEL MTD-NA

...
777S33736
LABEL IN-MOLD LABEL MTD-NA
...
...
...
...
...
Processing