Welcome,
My Cart
0 item(s)

Models

Parts


product name

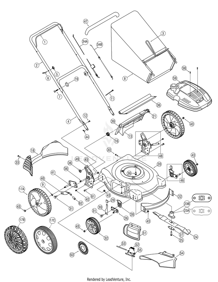
Columbia 11A-549Q597 (2008) Push Walk Behind Mower

Model: 11A-549Q597 (2008)

Save
Part Not Listed?Part Not Listed?

product name

.Quick Reference

...
...
xx
SPLG:1ST FIRE:RP CHAMP:N11/12 MTD-FF-22

...
xx

...
xx
Control Cable MTD-946-1130

...
xx
Blade Adaptor MTD-748-04082

...

...
xx
BLADE BELL SUPPORT MTD-736-0524B-1

...
xx
Blade Bolt MTD-710-1257

...
xx
Front Wheel 8 x 2.125 COG (Front) MTD-734-04226A

...
xx
Wheels, 8 x 2.0 (Rear) MTD-734-04093

...
xx
Trailshield MTD-731-05642A

...
xx
Mulch Plug MTD-987-02055

...
xx
Discharge Chute MTD-731-04177

...
xx
Grass Bag MTD-964-04007A

...
xx
Grass Bag Frame MTD-747-04080A

General Assembly

...
...
1
Blade Control Handle - Black *CHOOSE COLOR WHEN ORDERING* MTD-747-1161A

...
2
Upper Handle - Black *CHOOSE COLOR WHEN ORDERING* MTD-749-1092A

...
3
Catcher Lower Frame MTD-747-04080A

...
4
Lower Handle MTD-749-0928A-0637

...
5
Knob 1/4-20 MTD-720-0279

...
6
Rope Guide Bolt MTD-710-1205

...
7
Curved Carriage Bolt 5/16-18 x 2.00 MTD-710-1174

...
8
Generic Grasscatcher Bag - Black MTD-964-04007A

...
9
Spring Wash. .5 x 1.0 (w/2" side rear whls) MTD-736-0182

...
10
Hex Cap Screw1/4-20 x 1.5" Lg. MTD-710-0606

...
11
Cable Tie MTD-725-0157

...
12
Carriage Bolt 1/4-20 x .75 Gr. 1 MTD-710-0703

...
13
REAR DOOR PLASTIC MTD-731-05866

...
16
RH Torsion Spring MTD-732-04090A

...
17B
Wheel Ass'y Comp.12 x 2.125 Idle Zag Grey MTD-734-04093

...
18
REAR BAFFLE 21" MTD-731-04150C

...
19
Knob - Star 5/16-18 MTD-720-04072A

...
20
21" DECK *CHOOSE COLOR WHEN ORDERING* MTD-787-01279

...
20
21" DECK *CHOOSE COLOR WHEN ORDERING* MTD-787-01276

...
21
LH Torsion Spring MTD-732-04089A

...
22
FRONT BAFFLE MTD-782P5002B

...
23A
Blade Adapter 25 mm x 2.15 (w/star) MTD-748-04082

...
23B
Blade Adapter #6 x 2.15 (w/star) MTD-748-0377E

...
24
21" BLADE (HI LIFT BOW-TIE) MTD-742-0641-0637

...
24
21" Mulching Blade (w/star) MTD-942-0741A

...
25
Hex Bolt 3/8-24 x 2.5" Lg. Gr. 8 MTD-710-1257

...
26
Pivot Bar RH MTD-987-02337

...
26
PIVOT ARM ASSEMBLY (LH) MTD-987-02336

...
27
BLADE BELL SUPPORT MTD-736-0524B-1

...
28
Height Adjuster Plate MTD-787-01290A

...
29
HEIGHT ADJUSTMENT KNOB MTD-731-13116-1

...
30
Spring Lever Ass’y MTD-94832

...
31
Shoulder Screw .50 Dia. x .385 MTD-738-04266

...
32
Front Wheel 8 x 2.125 COG MTD-734-04226A

...
32
Wheels - Front MTD-753-08093

...
33
Hex. L-Scr. 1/4-15 x 1.0 MTD-710-1241

...
34
Control Cable 40.0" Lg. Snap-on (w/Honda) MTD-946-1130

...
36
Rear Flap MTD-731-05642A

...
37
Flange Locknut 1/4-20 MTD-712-04064

...
38
Wingnut 1/4-20 MTD-712-0397A

...
39
Pivot Rod MTD-747-04588

...
40
HEIGHT ADJUSTMENT LEVER MTD-732-0866

...
41
Pivot Bar RH SP MTD-987-02335

...
41
PIVOT ARM ASSEMBLY (LH) MTD-987-02336

...
42
Hex HD. TT Tap Scr. 1/4-20 x 5/8 MTD-710-1652

...
43
Flange Locknut 3/8-16 MTD-712-04065

...
44
Hairpin Clip MTD-714-0104

...
45
Hex Wash HD Tap Scr 3/8-16 x .88 MTD-710-0654A

...
46
Height Adj. Ass’y LH (w/8" Front Wheels) MTD-987-02075B

...
46
Height Adj. Ass’y RH (w/8" Front Wheels) MTD-987-02074B

...
47
Snap-On Bail Cover - Grey MTD-731-04859

...
47
Snap-On Bail Cover - Red MTD-731-04204

...
47
Snap-On Bail Cover - Black MTD-731-2626

...
48
LH Rear Height Adj. Ass’y Complete MTD-987-02280A

...
48
RH Rear Height Adj. Ass’y Complete MTD-987-02279A

...
49
LH Height Adj. Brkt. MTD-987-02075B

...
49
RH Height Adj. Brkt. MTD-987-02074B

...
50
Spring Washer .50 ID x 1.0 OD x .022 MTD-736-0182

...
51
Complete Hinged Mulching Plug Ass'y MTD-987-02055

...
52
Torsion Spring MTD-732-1014C

...
53
Hinge Pin MTD-747-0710A

...
54
Chute Deflector MTD-731-04177

...
55
PLATE-ADAPTER MTD-17032A

...
56
Hex Wash S-Tapp Scr 1/4-20 x .50 MTD-710-0599

...
57
SPRING WASHER BELL MTD-736-0270

...
58
Screw, #12-16 x 1.00 MTD-710-04744

...
59
ENGINE SHROUD BLACK MTD-731-05889

...
60
Wave Washer .510 x .750 x .017 MTD-936-0504

...
61
Hex Hd. Cap Screw 3/8-16 x .75 MTD-710-0216

...

...
63
HUBCAP-SPOKE YELLOW MTD-731-1426B

...
63
Hub Cap - Grey MTD-731-0981C

Label Map

...
...
777I22777
LABEL-10W30 ENG SHROUD CDN MTD-777I22777

...
777S30198
LABEL:MOWER MTD-777S30198

...
777S30153
LABEL-DANGER CHUTE MTD-777S30153

...
xx
LABEL MTD-NA

...
777D12159
LABEL-ENG SHROUD COLUMBIA 549Q MTD-777D12159
...
...
...
...
...
Processing