Welcome,
My Cart
0 item(s)

Models

Parts


product name

Columbia 11530GC 31AH9775897 (2014) 31AH9775897 11530GC (2014) Snow Thrower

Model: 11530GC 31AH9775897 (2014)

Back To Assemblies

Save
Part Not Listed?Part Not Listed?

product name

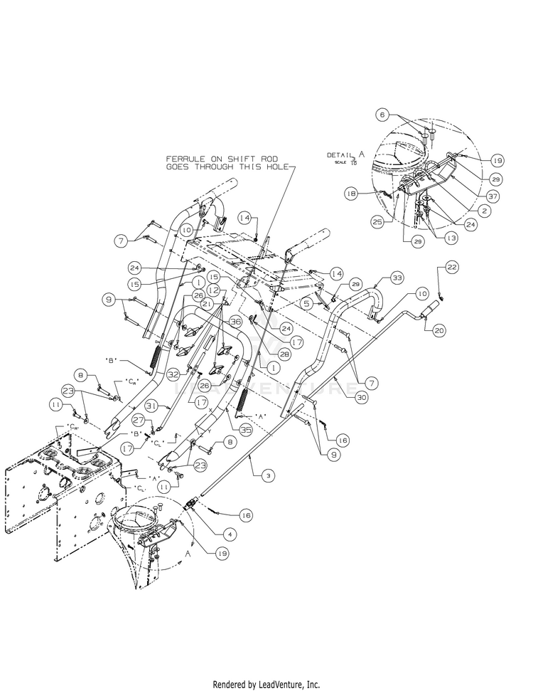
Handles

...
...
1
Auger/Drive Engagement Cable MTD-646-0012

...
2
Spiral-Crank Chute MTD-684-04308A

...
3
CHUTE CRANK ROD (POWDER BLACK) MTD-684-04309A-0637

...
4
Block Assy-Joint MTD-684-04350

...
5
Bracket-Chu MTD-705-5266-0637

...
6
Carriage Bolt 5/16-18 X 1.00 MTD-710-0276

...
7
CARRIAGE BOLT 5/16-18 x 1.75 MTD-710-0458

...
8
SCREW 3/8-16 x 2.00 GR5 MTD-710-04682

...
9
Bolt-Carriage MTD-710-0572

...
10
Screw-Hex 1/4-20X. MTD-710-3015

...
11
Screw-Hex Patch 3/ MTD-710-3118

...
12
Engagement Ferru MTD-911-0677

...
13
Nut-Flglk 5/16-18 MTD-712-04063

...
14
Nut-Flglk MTD-712-04064

...
15
Hex L-Nut 5/16-18 Thd. MTD-712-3009

...
16
Hairpin Cotter MTD-714-0101

...
17
Hairpin Clip MTD-714-0104

...
18
Pin-Cotter MTD-714-04040

...
19
Pin-Spring Roll .1 MTD-715-04095

...
20
Chute Crank Knob MTD-720-0201A

...
21
Knob, Wing, 5/16-18 MTD-720-0284

...
22
Push Cap 3/8" Rod MTD-726-0100

...
23
Washer-Bell .400 I MTD-736-0105

...
24
Fl-Wash. .344" I.D. MTD-736-0159

...
25
Flat Washer .375 ID x .738 OD MTD-736-0185

...
26
Washer-Bell .337 X MTD-736-0242

...
27
FLAT WASHER MTD-736-0275

...
28
Washer-Fl.344 MTD-936-3008

...
29
Bushing .380 Id MTD-941-0475

...
30
Crank-Chute MTD-747-0624-0637

...
31
Rod-Lower Shift MTD-747-0983A

...
32
Rod-Upper Shift 5/ MTD-747-0997

...
33
UPPER HANDLE (LH) (POWDER BLACK) MTD-749-0989A-0637

...
33
Handle-Upper RH MTD-749-0990A-0637

...
35
LOWER HANDLE (POWDER BLACK) MTD-749-0991-0637

...
36
Rod-Clutch Lock MTD-950-0963

...
37
Bracket-Chute Crank MTD-790-00329-0637
...
...
...
...
...
Processing