Welcome,
My Cart
0 item(s)

Models

Parts


product name

Columbia 11530GC 31AH9775897 (2014) 31AH9775897 11530GC (2014) Snow Thrower

Model: 11530GC 31AH9775897 (2014)

Back To Assemblies

Save
Part Not Listed?Part Not Listed?

product name

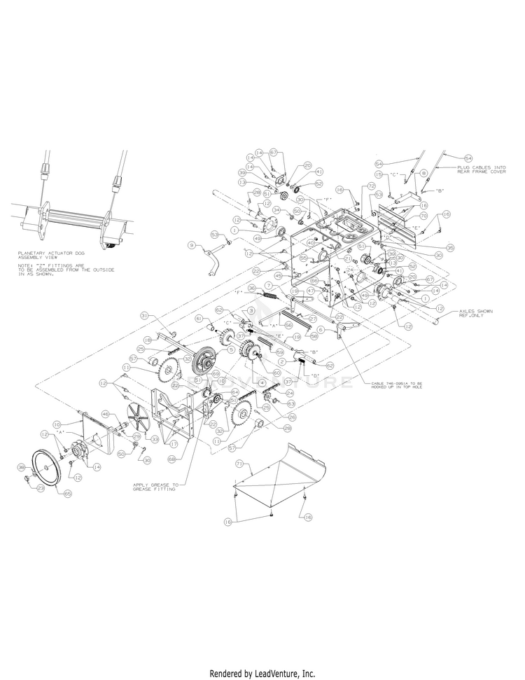
Drive Assembly

...
...
1
Bearing Housing MTD-05244B

...
2
LEFT DRIVE DOGG ASSEMBLY MTD-918-0279A

...
3
Dogg Assy-Rgt D MTD-918-0280A

...
4
Shaft Asm:Drive MTD-918-0282E

...
5
Wheel Ass’y Bearing 6.0" OD MTD-918-07239

...
6
AUGER ACTUATOR BRACKET (POWDER BLACK) MTD-684-0118B-0637

...
7
ACTUATOR BRACKET (POWDER BLACK) MTD-684-0119B-0637

...
8
Arm Assy-Sh MTD-684-0161-0637

...
9
Rod-Shift Asm MTD-984-04103

...
10
BRACKET ASSEMBLY (POWDER BLACK) MTD-684-04212-0637

...
11
Sprocket Asm:32T MTD-684-04235

...
12
SCREW 5/16-18 x .750 MTD-710-04484

...
13
Screw-Hex 5/16-18 MTD-710-0538

...
14
BEARING HOUSING ASSEMBLY MTD-741-0163A

...
14
Hex Washer Screw 1/4-20 x .625 MTD-710-0599

...
15
Screw-Tap 1/4-20 MTD-710-0788

...
16
Screw Hex.Wash.Hd MTD-710-1652

...
17
Screw-Hex Cap 3/8 MTD-710-3001

...
18
HEX SHAFT DRIVE MTD-911-04279

...
19
ACTUATOR SHAFT MTD-711-04605

...
20
Hex L-Nut 3/8-24 Thd. MTD-712-0116

...
21
Hex Nut 1/4-28 Thd. MTD-712-0138

...
22
Nut-Flange Lk.Nylo MTD-712-04065

...
23
Nut, Jam Lock, 5/8-18, Gr5, Nylon MTD-712-0413

...
24
#41 Chain 1/2 Pitch MTD-713-0284

...
25
#420 Chain 1/2 Pitch MTD-713-0286

...
26

...
27
Hairpin Clip MTD-714-0104

...
28
#91 Woodruff Key 1/4" X 3/4" Dia. MTD-714-0135

...
29
Key-3/16 X 5/8 MTD-914-0388

...
30
#41 CHAIN 1/2 PITCH 65 LINKS MTD-713-0104

...
31
Ring-Retaining-E T MTD-716-0136

...
32
Ring-"E" 1.50 Od MTD-716-04048

...
33
Plate-Alum Drive MTD-917-0302

...
34
Cap-Push MTD-726-0221

...
35
NUT RIVET MTD-728-04062B

...
36
Spring-Idler Ext MTD-932-0121

...
37
Spring-Extension MTD-932-0209

...
38
Washer-Lock 5/8 MTD-936-0158

...
39
Washer-Bell .337 X MTD-736-0242

...
40
Washer-Lock MTD-936-0329

...
41
Washer-Thrust MTD-936-0864

...
42
Grease MTD-NA

...
43
Grease MTD-NA

...
44
Grease Fitting MTD-937-3000

...
45
SHOULDER SCREW .498 DIA x .340 MTD-738-0143

...
46
Spindle-Drive Plt MTD-738-0279

...
47
Screw-1/4-28 X .32 MTD-738-0924A

...
49
Bearing-Self Al MTD-941-04025

...
50
Bearing-Hex Flange MTD-741-04108

...
51
Ball Bearing MTD-941-0563

...
52
Bearing-Ball MTD-741-0747

...
53
Bushing-Flange MTD-741-0748

...
54
Cable-Wheel Steeri MTD-746-0949A

...
55
Cable-Auger Idl MTD-946-0951A

...
56
Rod-Drive Clutch MTD-747-0973

...
57

...
58

...
59

...
60
Spacer-Strbl Drv Sha MTD-750-05342

...
61
Spacer-Strbl Drv Sha MTD-750-05343

...
62
SPLIT SPACER MTD-750-0903B

...
63

...
64
Spacer:.6725Id X MTD-750-1302B

...
65

...
66
Roller-Cable Guide MTD-756-0625

...
67
Bracket-Retaining Bearing MTD-784-0404

...
68

...
69
AXLE SUPPORT BRACKET MTD-784-0407-0637

...
70
Cover, Upper Frame MTD-790-00257

...
71
LOWER FRAME COVER MTD-790-00259

...
...
...
...
...
Processing