Models
Parts
Model: 11530GC 31AH9775897 (2014)
Auger & Shave Plate
Cable Guide
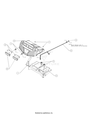
Chute
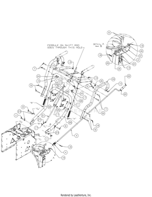
Control Triggers
Cord
Drift Cutters
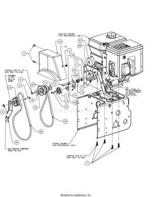
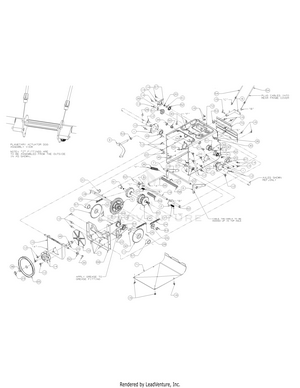
Drive Assembly
Engine Drive
Handle Panel
Handles
Label Map
Light & Cover
Shear Pins
Slide Shoe
Struts
Wheels
490-SUC Carburetor
490-SUC Crankcase
490-SUC Cylinder Head
490-SUC Fuel Tank & Mounting
490-SUC Muffler & Controls
490-SUC Starter & Blower Housing
Model: 1AHF08390
In Stock
Replaced By :
Please call us at 866-243-2721 or talk with us by sending us more information. We want to verify availability before placing your order.
For Customer Service inquiries please E-mail info@partswarehouse.com, Call 866.243.2721 or Text 972.383.9129
Mon - Sat 7AM - 7PM CT
Mon - Sat 6AM-2AM CT
Track your order
Reviews
FAQs
Price Match Guarantee
Sign in for faster checkout.