Welcome,
My Cart
0 item(s)

Models

Parts


product name

Columbia 11530GC 31AH9775897 (2013) Snow Thrower

Model: 11530GC 31AH9775897 (2013)

Back To Assemblies

Save
Part Not Listed?Part Not Listed?

product name

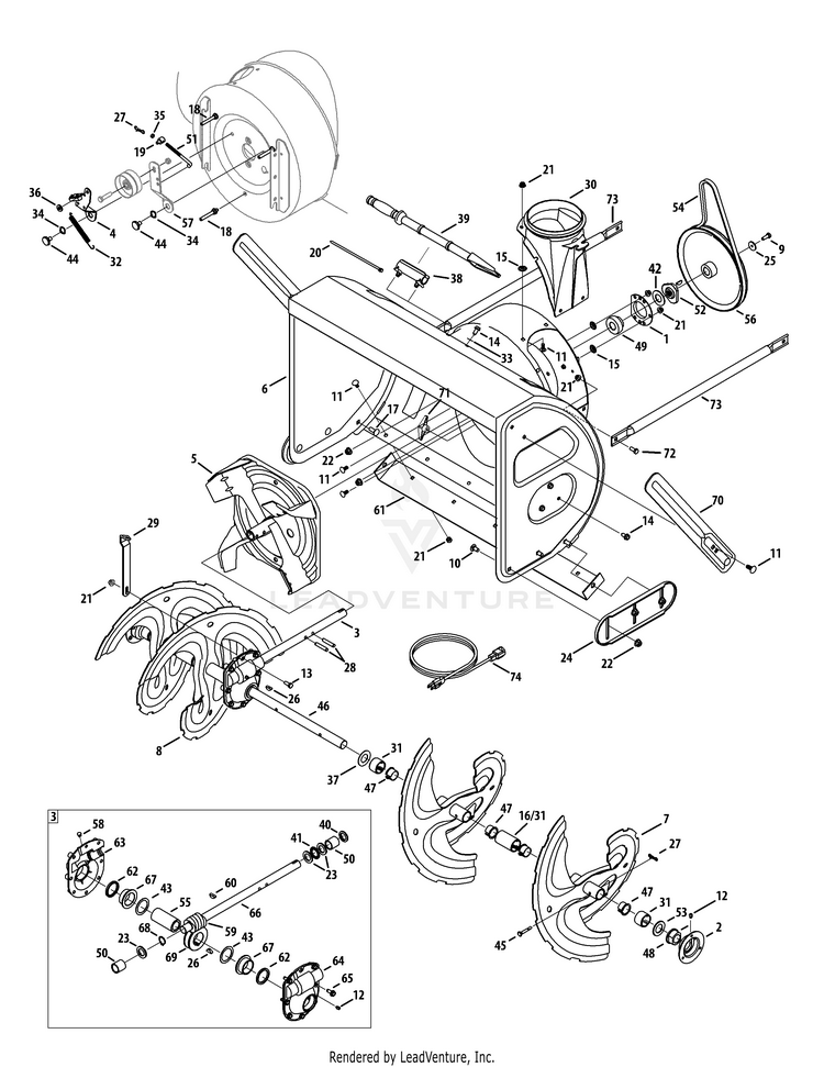
Augers, Housing, & Gearbox

...
...
1
Housing, Bearing MTD-05244B

...
2
BEARING HOUSING MTD-784-0315A-0637

...
3
Gear Box Assembly MTD-918-04514

...
4
Bracket Assembly, Auger Brake MTD-918-0281A

...
5
IMPELLER ASSEMBLY(POWDER BLACK) MTD-684-0090B-0637

...
6
33" AUGER HOUSING MTD-684-04222

...
6
30" AUGER HOUSING MTD-684-04333

...
6
28" AUGER HOUSING (MAJESTIC ORANGE) MTD-684-04332-0606

...
7
Spiral Assembly, LH MTD-684-04151-0637

...
8
Spiral Assembly, RH MTD-684-04152-0637

...
9
Screw, Hex Cap Lock, 5/16-24 MTD-710-1245B

...
10
Screw, Carriage, 3/8-16 x .75 MTD-710-0389

...
11
Screw, Carriage, 5/16-18 x .75 MTD-710-0451

...
12
Fitting, Lube MTD-937-3000

...
13
Screw, Hex Cap, 5/16-18 x 1.0 Gr5 MTD-710-0376

...
14
SCREW 5/16-18 x .750 MTD-710-04484

...
15
Nut, Push-on, .25 Dia. MTD-726-04012

...
16
Spacer, 1.0 x 1.5 x 2.5 Lg (if equipped) MTD-731-05162

...
17
Screw, Carriage, 3/8-16 x 1.00 MTD-710-3168

...
18
Screw w/Stud, 5/16-18 x .4300 MTD-710-04606A

...
19

...
20
Tie Strap MTD-725-0157

...
21
Nut, Hex Flange Lock, 5/16-18 MTD-712-04063

...
22
Nut, Hex Flange Lock, 3/8-16 MTD-712-04065

...
23
Fl-Wash. .88 I.D. x 1.40 O.D. MTD-736-0291

...
24

...
25
Washer, Flat, .34 x 1.5 x .15 Ht. MTD-736-0505

...
26
#91 Woodruff Key 1/4" X 3/4" Dia. MTD-714-0135

...
27
Pin, Bow-tie Cotter MTD-714-04040

...
28
SPRING PIN SPIR 5/16 DIA X 1.7 MTD-715-0118

...
29
Bracket, Gear Box Support MTD-790-00264A-0637

...
30
Adapter, Chute, 6" MTD-731-1696B

...
31
Spacer, 1.0 x 1.5 x 1.0 Lg MTD-731-05163

...
32
Spring, Extension MTD-732-0858

...
33
Fl-Wash. .344" I.D. MTD-736-0159

...
34
Washer, Wave, .625 x .885 x .015 MTD-736-0174

...
35
Jam Nut, 5/16-18 MTD-712-3007

...
36
Washer, .344 x .75 x .12 MTD-936-3008

...
37
Washer, 1.01 x 1.86 x .06 MTD-736-3046A

...
38
CLEANOUT TOOL MOUNTING CLIP MTD-731-11421

...
39
Tool, Clean-out MTD-931-2643

...
40
Seal, Oil MTD-921-0145

...
41
Bearing, Thrust MTD-741-0184

...
42
Washer, Flat, .76 x 1.49 x .06 MTD-736-0188

...
43
FLAT WASHER MTD-736-0266

...
44
Shld. Bolt .625 Dia. x .170 Lg. MTD-738-0281

...
45
Pin, Shear, .25 x 1.75 MTD-738-04155

...
46
AXLE 32.12"X1 MTD-938-04158

...
46
Shaft, Spiral, 30" MTD-938-04157

...
46
SPIRAL AXLE MTD-738-04156

...
47
Bushing, Flange, MTD-741-0494

...
48
Bearing, Flange w/Flats MTD-941-0170

...
49
Bearing, Self Aligning MTD-941-04024

...
50

...
51
AUGER IDLER ROD MTD-747-0980A

...
52
Adapter, Pulley w/Pins MTD-748-04067A

...
53
Spacer, 1.004 x 1.375 x .25 MTD-950-04020

...
54
V-Belt, 1/2 x 42 MTD-954-04194A

...
55
Shaft, Gear, Worm MTD-738-0275

...
56
Pulley, Auger Drive, 10.0 MTD-756-04244A

...
57
Bracket, Auger Idler MTD-784-0385D

...

...
59
Gear, Worm MTD-917-0299


...
61

...
61
SHAVE PLATE-30" (POWDER BLACK) MTD-784-5715B-0637

...
61
SHAVE PLATE 28" (POWDER BLACK) MTD-784-5716B-0637

...
62
Oil Seal MTD-921-0146

...
63
GEAR HOUSING ASSEMBLY (RH) MTD-918-0246

...
64
Hsg, Ass’y, Auger LH (Incl. Ref. 62 & 67) MTD-918-0435

...
65
Screw, LD, 5/16-18 x .750 MTD-710-1260A

...
66
Shaft, Drive, Auger MTD-711-04714

...
67
Flange Bearing MTD-741-0670

...
68
External, Retaining, Ring MTD-716-0111

...
69
Gear, Worm, LH MTD-917-1425

...
70

...
71
Knob, Wing, 5/16-18 MTD-720-0284

...
72
SCREW 5/16-18 x .75 GR5 MTD-710-3008

...
73
SUPPORT TUBE (POWDER BLACK) MTD-749-04384-0637

...
74
3-Prong Extension Cord (if equipped) MTD-929-0071B
...
...
...
...
...
Processing