Welcome,
My Cart
0 item(s)

Models

Parts


product name

Columbia 11530GC 31AH9775897 (2012) 31AH977589711530GC (2012) Snow Thrower

Model: 11530GC 31AH9775897 (2012)

Back To Assemblies

Save
Part Not Listed?Part Not Listed?

product name

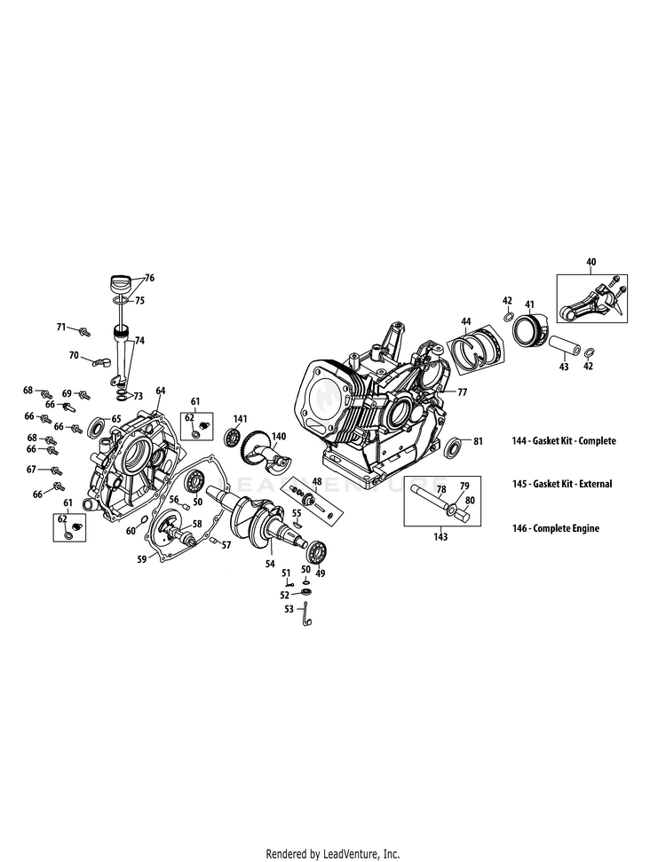
490-SUB Crankcase

...
...
40
Connecting Rod Assembly MTD-951-11951

...
41

...
42
PISTON PIN SNAP RING MTD-951-11953A

...
43
PISTON PIN MTD-951-11954A

...
44
Piston Ring Set MTD-951-12593

...
48
Governor Gear/Shaft Assembly MTD-951-11956

...
49

...
50
Flat Washer MTD-736-04453

...
51
Governor Shaft Clip MTD-714-04077

...
52
Governor Seal MTD-951-11958

...
53
GOVERNOR ARM SHAFT MTD-951-11365

...
54
CRANKSHAFT KIT (Inc.49,54,55,65,81) MTD-951-11358

...
55
WOODRUFF KEY MTD-751P10307A

...
56
Dowel Pin 9 X 12 MTD-715-04102

...
57
DOWEL PIN 9 X 14 MTD-715-04096A

...
58

...
59
Crankcase Cover Gasket MTD-951-11376

...
60

...
61
Oil Fill Plug Assembly MTD-951-11345

...
62
O-RING 15.8 x 2.5 MTD-951-11577

...
64
CRANKCASE COVER ASSEMBLY MTD-951-14220A

...
64
Crankcase Cover Kit (Inc.49,59,60,64-68) MTD-951-11340A

...
65

...
66
Bolt M8×38 MTD-710-06061

...
67
Bolt M8×45 MTD-710-06062

...
68
Bolt M8×35 MTD-710-06063

...
69
Bolt M6×16 MTD-710-04968

...
70
Oil Tube Support Bracket MTD-951-11320

...
71
Bolt M6×8 MTD-710-05349

...
73
Oil Fill Tube O-Ring MTD-951-11381

...
74
Oil Fill Tube Assembly MTD-951-12073

...
75
Dipstick O-Ring MTD-951-11904

...
76
Dipstick Assembly MTD-951-11971A

...
77
CRANKCASE KIT (Inc.49,52,77,81) MTD-951-11359A

...
77
SHORTBLOCK ASSEMBLY (Inc.40-44,48-68,77-81,102,105,106,108,110,111,125,131,132,140,141) MTD-951-11360A

...
78
OIL DRAIN PIPE MTD-951-11350A

...
79
FLAT WASHER MTD-736-04440A

...
80
Oil Drain Plug Bolt MTD-710-04906

...
81

...
140
Balance Gear Assembly MTD-951-12095

...
141

...
143
Oil Drain Asm MTD-951-10641

...
144
Gasket Kit - Complete (Inc.52,59,65,79,81,106,108,125,131-133) MTD-951-11362

...
145
GASKET KIT (EXTERNAL) (Inc.79,108,125,131-133) MTD-951-11363

...
146
COMPLETE ENGINE 420cc MTD-952Z490-SUC
...
...
...
...
...
Processing