Welcome,
My Cart
0 item(s)

Models

Parts


product name

Coast to Coast Mdl 131-650F054/481-2251 Lawn Tractor

Model: Coast To Coast Mdl 131-650F054/481-2251

Back To Assemblies

Save
Part Not Listed?Part Not Listed?

product name

Parts

...
...
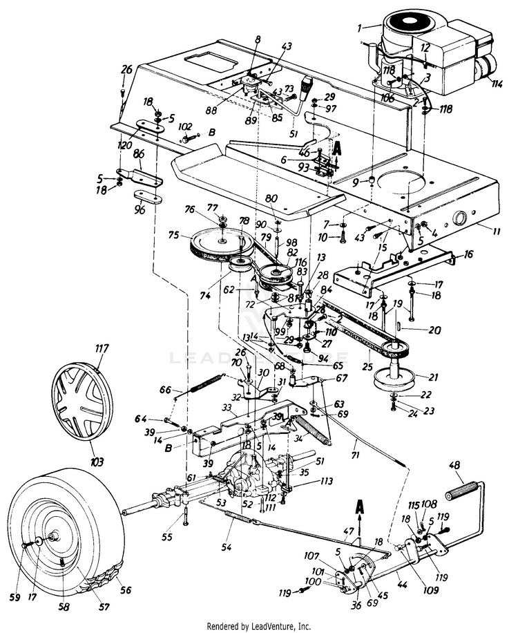
1
Engine MTD-NA

...
2
Hex Wash. AB-Tap Scr. 5/16" x .75" MTD-710-0726


...
4
Hex Nut 5/16-24 Thd. MTD-912-3057

...
5
Lock Wash. 5/16" I.D. MTD-936-0119

...
6
Switch Plate MTD-17962

...
7
Fl-Wash. .406" I.D. x 1.25" MTD-736-0247

...
9

...
8
Ext. L-Wash. 1/4" I.D. MTD-736-0222

...
10
Hex L-Wash. Tap Scr. 3/8-16 x 1.5 Lg. (B&S) MTD-710-1007

...
xx
Hex Wash. Hd. TT-Tap Scr. 5/16-18 x 718" Lg. (Tec.) MTD-710-0650

...
11
LOWER FRAME MTD-17620B

...
12
SPEED NUT MTD-726-0235

...
13
HEX NUT 1/4-20 MTD-912-0287

...
14
L-Wash. 1/4" I.D. MTD-936-0329

...
15
Rib Neck Bolt 5/16-24 x .84" Lg MTD-710-1012

...
16
GUARD BRACKET MTD-17893

...
17
Bell-Wash. .345" I.D. x .88" MTD-736-0242

...
18
HEX NUT 5/16-18 MTD-712-3010

...
19
Hex Bolt 5/16-18 x 4.0" MTD-710-0190

...
20
Sq. Key 1/4" x 1/4" x 2.00" MTD-914-0114

...
21
Engine Pulley MTD-753-0635

...
22
Fl-Wash. 7/16" I.D. x 1.25" MTD-736-0322

...
23
L-Wash. 7/16" I.D. MTD-736-0171

...
24
Hex Bolt 7/16-20 x 1.50" Lg. MTD-710-0757

...
25
Variable Speed Belt MTD-954-0280A

...
26
Hex Bolt 5/16-18 x .75" Lg. MTD-710-0118

...
27
BRACKET-BR MTD-17963

...
28
Flanged Brg. 5/8" I.D. MTD-741-0591

...
29
Hex Nut 3/8-24 Thd. MTD-712-0241

...
30
Idler Bracket (Used w/20" Wheels) MTD-17643-0637

...
xx
BRACKET-IDLER NLAUD (Used w/18" Wheels) MTD-17694-0637

...
31
L-Wash. 3/8" I.D. MTD-736-0169

...
32
Hex Nut 3/8-24 Thd. MTD-712-0241

...
33
BRACKET-TRANSMISSION MTD-17629A-0637

...
34
Ext. Spring .94" O.D. x 7.58" MTD-932-0556

...
35
Inter. Cott-Pin MTD-714-0149B

...
36
Spacer.63" I.D. MTD-750-0802

...
39
Hex Nut 1/4-28 Thd. MTD-712-0138

...
43
Hex Wash. Hd. S-Tap Scr. 1/4-20 x .50" Lg. MTD-710-0599

...
44
CLUTCH BRAKE PEDAL ASS'Y. MTD-17715A

...
45
Fl-Wash. MTD-936-0117

...
46
Truss Mach. Scr. B-Tap Scr. #10 x .5" Lg. MTD-710-0351

...
47
BRAKE ROD ASS'Y. MTD-17686

...
48

...
51
SHIFT LEVE MTD-17705

...
52
SCREW 1/4-28 x 1.75 GR5 MTD-710-0559

...
53
Ext. Spring .38n O.D. x 2.5" MTD-932-0264

...
54
Ext. Spring .59n O.D. x 7 08" (Used w/20" Wheels) MTD-932-0413

...
xx
EXTENSION SPRING (Used w/18" Wheels) MTD-732-0642

...
55
BOLT-HEX 5/16X3.75GR5 (Used w/18" Wheels) MTD-710-3185

...
xx
Hex Bolt 5/16-18 x 2.75" (Used w/20" Wheels) MTD-710-0176

...
56
Wheel Ass'y. Comp. MTD-NA

...
xx
WHEEL ASSEMBLY W/TIRE 18 x 9.5 x COLOR MTD-734-0817

...
xx
WHEEL ASSEMBLY W/TIRE-18.0X8.5 MTD-734-0601

...
xx
WHEEL ASSEMBLY W/TIRE 18X6.5-8 MTD-734-0592

...
xx
Wheel Ass'y. Comp. (20" x 8.0") MTD-734-1675

...
xx
WHEEL ASS'Y COMP OYSTER-CARLNLAUD MTD-634-0177-0911

...
57
Wheel Rim Only MTD-NA

...
xx
RIM ASSEMBLY (8.0 x 7.0 x .750) MTD-634-04369

...
xx
RIM ASSEMBLY (8.0 x 7.0 x .750) MTD-634-04369

...
xx
Rim Assembly MTD-634-0138

...
xx
RIM ASSEMBLY (8.0 x 7.0 x .750) MTD-634-04369

...
xx
RIM ASSEMBLY (8.0 x 7.0 x .750) MTD-634-04369

...
58
TUBELESS VALVE (Service Only) MTD-934-0255

...
59
Hex Bolt 5/16-24 x .75" Lg. MTD-710-0627

...
61
Brake Return Spring Anchor MTD-932-0722A

...
62
Belt Keeper, .25 DIA X 3.0 MTD-911-1000

...
63
FLAT WASHER MTD-736-0275

...
64
HEX SCREW 1/4-28 x 1.25 GR5 MTD-710-0428

...
65
EXTENSION SPRING MTD-732-0568

...
66
EXTENSION SPRING MTD-932-0384

...
67
Variable Speed Torque Brkt. Ass'y. MTD-16554A-0637

...
68
FLANGE BEARING MTD-741-0419

...
69
Cotter Pin 3/32" Dia. MTD-714-0111

...
70
Shoulder Spacer .27" Lg. MTD-748-0234

...
71
CONTROL LINK MTD-747-0530A

...
72
THRUST BEARING MTD-941-0405

...

...
74
Fl-ldler Pulley 3.25" x 1.0" MTD-756-0643A

...
75
"V"-Pulley (Used w/18" Wheels) (Used with 717-0542 Transaxle) MTD-756-0563

...
xx
PULLEY - (KEYED) (Used w/20" Wheels) (Used with 717-0542 Transaxle) MTD-756-0557

...
xx
V-PULLEY (Used w/18" Wheels) (Used with 618-0002 Transaxle) MTD-656-0005

...
xx
"V"-Pulley (Used w/20" Wheels) (Used with 618-0002 Transaxle) MTD-656-0004

...
76
L-Wash. 1/2" I.D. (Used with 717-0542 Transaxle) MTD-736-0921

...
xx
BELL WASHER (Used with 618-0002 Transaxle) MTD-936-0427

...
77
NUT (Used with 717-0542 Transaxle) MTD-712-3029

...
xx
HEX JAM NUT 9/16-18 GR5 (Used with 618-0002 Transaxle) MTD-712-3035

...
78
Hex Bolt 3/8-24 x 1.75" Lg. MTD-710-0539

...
79
Variable Speed Belt MTD-954-0370

...
80
Snap Ring .56" Dia. MTD-916-0114

...
81
Fl-Wash. MTD-736-0355

...
82
Variable Speed Pulley Ass'y. 5" O.D. MTD-917-0800A

...
83
HEX SCREW 1/4-20X3.25 MTD-710-1136

...
84
BRACKET ASSEMBLY-VAR SP MTD-16354B

...
85
Comp. Spring-Clip MTD-732-0525

...
86
BRACKET-AXLE SUPPORT MTD-17668A-0637

...
xx
BRACKET-AXLE SUPPORT (Not Shown) MTD-17669A-0637

...
88

...
89
Shift Lever Bracket MTD-17630A-0637

...
90
Teflon Washer .565" I.D. MTD-736-0414

...
93
SWITCH (Clutch) MTD-925-04039

...
94
Shld. Bolt 3/8-24 x 3.12" Lg. MTD-938-0755

...
96
Transaxle Spacer (Used w/18" Wheels) MTD-948-0334

...
97
Bell-Wash. .38" I.D. x .88" MTD-736-0105

...
98
Shaft 56" Dia. x 3.875" Lg. MTD-938-0569

...
99
Bell-Wash. .39" I.D. x 1.12" MTD-736-0331

...
100
Fl-Wash. MTD-936-0256

...
101
Cotter Pin 1/8" Dia. x 1.25" MTD-714-0470

...
102
Screw, 5/16-18 x .625 MTD-710-0604A

...
103
Hub Cap (Optional) MTD-734-1615A

...
106
UNKNOWN MTD-NA

...
107
BRACKET-PEDAL MTD-17860-0637

...
108
Cotter Pin 1/8" Dia. x 1.25" MTD-714-0470

...
109

...
110
Hex Bolt 5/16-18 x 1.0" Lg.- (Grade 5) MTD-710-0376

...
111
Hex Bolt 1/4-28 x 50" Lg. MTD-910-0195

...
112
SPRING WASHER BELL MTD-736-0270

...
113
SHIFT LINK ASSEMBLY MTD-17707

...
114
Muffler (Refer to Style Sheet) MTD-NA

...
115
Fl-Wash. .385" I.D. x .62" MTD-736-0140

...
116
Needle Brgs. MTD-741-0404

...
117
SPRING CLIP (Used w/Ref. #103) MTD-727-0425A

...
118
External L-Wash. 5/16" I.D. MTD-736-0607

...
119
Hex Wash. TT-Tap Scr. 5/16-18 x .75" MTD-710-0650

...
120
Transaxle Mounting Bracket MTD-17840-0637
...
...
...
...
...
Processing