Welcome,
My Cart
0 item(s)

Models

Parts


product name

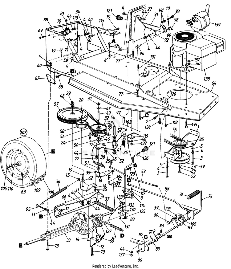
Coast to Coast Mdl 130-312E054/481-1972 Lawn Tractor

Model: Coast To Coast Mdl 130-312E054/481-1972

Back To Assemblies

Save
Part Not Listed?Part Not Listed?

product name

Parts

...
...
1
GUARD-ENGI MTD-16670

...
2
Hex Screw, 1/4-14 x 0.625" MTD-710-0896

...
3
Hex Bolt 5/16-18 x 5-1/4" Lg. MTD-710-0833

...
4
HEX NUT 5/16-18 MTD-712-3010

...
5
Bell-Wash. .345" I.D. x .88 MTD-736-0242

...
6
Truss-Mach. Scr. 1/4-20 x .50" Lg.* MTD-710-0286

...
8
SPRING WASHER BELL MTD-736-0270

...
10
SPEED SELECTOR BRACE MTD-749-0820

...
11
Hex Nut 1/4-28 Thd. MTD-712-0138

...
12
Spring Retainer Brkt. MTD-17128A-0637

...
14
SCREW 1/4-28 x 1.75 GR5 MTD-710-0559

...
15
IDLER BRACKET MTD-15891C-0637

...
16
Variable Speed Torque Brkt. Ass'y. MTD-16554A-0637

...
17
BRACKET ASSEMBLY. VAR. MTD-16676A

...
19
Hex Bolt 5/16-18 x .75" Lg. MTD-710-0118

...
20
Hex Bolt 3/8-24 x 2.011 Lg. Grade 5 MTD-710-0151

...
22
Hex Bolt 7/16-20 x 1.5" Lg. MTD-710-0757

...
xx
BOLT-HEX MTD-710-0704

...
24
Belt Keeper, .25 DIA X 3.0 MTD-911-1000

...
25
Hex Nut 3/8-24 Thd. MTD-712-0241

...
27
HEX NUT 1/4-20 MTD-912-0287


...
30
Hex Bolt 3/8-24 x 3.751' Lg. MTD-710-0902

...
31
Snap Ring .56" Dia. MTD-916-0114

...
32
Variable Speed Pulley Ass'y. 5" O.D. MTD-917-0800A

...
33
KIT-TRANSAXLE MTD-717-0775

...
34
Ext. L-Wash. 5/16" I.D. MTD-736-0607

...
35
Fl-Wash. 3/8" I.D. x 1.0" O.D. MTD-736-0258

...
36
EXTENSION SPRING MTD-932-0384

...
37
Ext. Spring .94" O.D. x 6.7 MTD-732-0459C

...
38
EXTENSION SPRING MTD-732-0568

...
39
Fl-Wash. MTD-936-0117

...
40
Lock Wash. 5/16" I.D. MTD-936-0119

...
41
L-Wash. 3/8" I.D. MTD-736-0169

...
42
L-Wash. 7/16" I.D. MTD-736-0171

...
43
Fl-Wash. .450" I.D. x 1.25" MTD-736-0322

...
44
L-Wash. 1/4" I.D. MTD-936-0329

...
45
Bell-Wash. .39" I.D. x 1.13" MTD-736-0331

...
46
Fl-Wash. .56" I.D. x 1.0" O.D. MTD-736-0355

...
47
Washer "Teflon" .565 I.D. MTD-736-0414

...
48
Bell-Wash. 1/2" I.D. x 1.0" O.D. MTD-736-0253

...
49
Shaft 56" Dia. x 3.875" Lg. MTD-938-0569

...
50
THRUST BEARING MTD-941-0405

...
51
FLANGE BEARING MTD-741-0419

...
52
NYLINER BEARING MTD-741-0495

...
53
SPEED CONTROL ROD MTD-747-0599B

...
54

...
55
Variable Speed Belt MTD-954-0280A

...
56
Variable Speed Belt MTD-954-0281

...
57

...
58
Fl-ldler Pulley 3.25" x 1.0" MTD-756-0643A

...
59
ENGINE PULLEY MTD-756-0508

...
60
Spring .38" O.D. x 3.18" Lg. MTD-932-0303

...
61
Ext. Spring .59n O.D. x 7 08" MTD-932-0413

...
62
Shld. Spacer .500" Dia. MTD-748-0234

...
63
TUBELESS VALVE MTD-934-0255

...
64
Front Frame MTD-17588

...
65
KIT-REAR FRAME 3 MTD-17589

...
66
BRACKET-TRANSMISSION MTD-16654A-0637

...
67
BRACKET-TRANSMISSION MTD-16659-0637

...
68
Hex Wash. AB-Tap Scr. 5/16 x.75" Lg. MTD-710-0726

...
69
Hex Bolt 1/4-20 x .62" Lg. MTD-710-0258

...
70

...
71
CIRCUIT BREAKER MTD-753-0685

...
73
Hex Bolt 5/16-18 x 2.75" Lg. MTD-710-0176

...
74
Truss Mach. B-Tap Scr. #10 x.50" Lg. MTD-710-0351

...
75
ROD ASSEMBLY-F MTD-17594

...
76

...
77
Ribbed Neck Bolt 5/16-24 x .34" Lg. MTD-710-1012

...
80

...
81
Hex Sems Nut 1/4-20 Thd. MTD-712-0271

...
82
Cot-Pin 1/8" Dia. x 1.25" Lg. MTD-714-0470

...
83
Cot-Pin 3/32" Dia. x .75" Lg. MTD-714-0507

...
85
Sq. Key 1/4" x 1/4" x 2.00" MTD-914-0114

...
86
Fl-Wash. MTD-936-0256

...
88
BRAKE ROD MTD-747-0593

...
89
SPACER-5/8 ID x 1..21 LG MTD-750-0800


...
91
LEVER-SPEED SELECTOR MTD-17457B

...
92
5 SPEED SELECTOR BRKT. MTD-16693A

...
xx
BRACKET-7-SPEED MTD-16694A

...
93
SHOULDER SCREW 5/16-18 x .62 GR2 MTD-738-0138A

...
94
Engagement Ferru MTD-911-0677

...
95
HEX SCREW 1/4-28 x 1.25 GR5 MTD-710-0428

...
96
Intern. Cot-Pin 5/16" Dia. MTD-714-0104

...
97

...
99
Fl-Wash. .344" I.D. x .62" MTD-736-0264

...
100
Fl-Wash. .25" I.D. x .62" O.D. MTD-736-0463

...
101
SPEED CONTROL ROD MTD-747-0675

...
102
Fl-Wash. .375" I.D. x 1.00" O.D. x .030" MTD-936-0101

...
103
Cot-Pin 1/8" Dia. x 1.0" Lg. MTD-714-0115

...
104
FLAT WASHER MTD-736-0275

...
105
Fl-Wash. .34" I.D. MTD-736-0278

...
106
Hex L-Bolt 5/16-24 x .75" Lg. MTD-710-0627

...
107
WHEEL ASSEMBLY W/TIRE- MTD-734-1424

...
108
TIRE-16 x 7.50 MTD-734-1423

...
109
WHEEL RIM MTD-734-1450

...
110
Bell-Wash. .345" I.D. x .88" MTD-736-0242

...
113
Hex Jam Nut 1/4-20 Thd. MTD-912-0298

...
114
LINK-SHIFT LEVER ADJ MTD-17178A

...
115
BRACKET MTD-16482

...
116
BRAKE ROD GUIDE ASS'Y. MTD-17597

...
117
Hex Bolt 1/4-20 x .50" Lg. MTD-910-0289

...
118
HEX SCREW AB-TAP #10-16 x 0.500 MTD-910-0224

...
119
Intern. Cotter Pin MTD-714-0149B

...
120
SWITCH (Clutch) MTD-925-04039

...
121

...
122
PUSH NUT MTD-726-0106

...
123
Compression Spring 1.6" Lg. MTD-732-0499

...
124
Screw, 5/16-18 x .625 MTD-710-0604A

...
125
Fl-Wash. .469" I.D. x .88" MTD-736-0226

...
126
SHIFT ROD ASSEMBLY MTD-747-0694A

...
127
SHIFT ROD MTD-747-0685

...
130
LEVER-SHIF MTD-17179

...
131
Hex Wash. Hd. #8 x .50" Lg. MTD-710-0227

...
132
Insulatop Nut Plate MTD-926-0320

...
133
KIT-SAFETY SWITCH MTD-753-0580

...
134
Hex Wash. Hd. Tap Scr. 3/8-16 x 1.25" Lg. MTD-710-0502A

...
135
Hex Bolt 5/16-24 x 1-1/4" Lg. Grade 5 MTD-710-0672

...
137
Hex Nut 5/16-24 Thd. MTD-912-3057

...
138
Engine MTD-NA

...
139
Muffler MTD-NA

...
xx
8 HP B&S MTD-751-0157

...
xx
10 HP Tec. MTD-751-0157

...
xx
10 & 11 HP B&S MTD-751-0450

...
xx

...
141
Spr. Wash. 7/16" I.D. MTD-936-0141

...
143
Needle Brg. MTD-741-0404
...
...
...
...
...
Processing