Welcome,
My Cart
0 item(s)

Models

Parts


product name

Coast to Coast 134Y450F054 (1994) Lawn Tractor

Model: 134Y450F054 (1994)

Back To Assemblies

Save
Part Not Listed?Part Not Listed?

product name

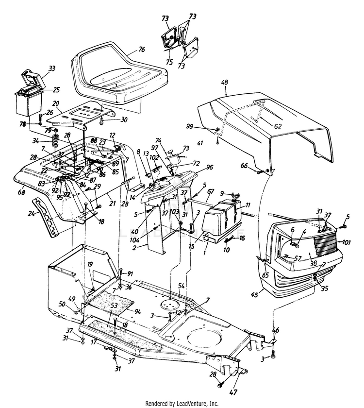
Hood Assembly/Seat/Battery/Fuel Tank

...
...
1
BRACKET-TANK SUPPORT MTD-17932-0637

...
2
PEDESTAL MTD-17933A

...
3
Hex Bolt 5/16-18 x .75" Lg. For faster service obtain standard nuts, bolts and washers locally. If these items cannot be obtained locally, order by part number and size as shown on parts list. MTD-710-0118

...
4
Miniature Lamp 12V Socket Type MTD-925-0963

...
5
Truss Mach. Scr. 1/4-20 x.75" Lg. MTD-710-0924

...
6
SQ HEADLIGHT SOCKET MTD-925-1651

...
7
HEX NUT 5/16-18 For faster service obtain standard nuts, bolts and washers locally. If these items cannot be obtained locally, order by part number and size as shown on parts list. MTD-712-3010

...
8
Light Switch (Optional) MTD-925-0634

...
9
TANK CAP New Part MTD-751-0603B

...
10
Hose Clamp MTD-726-0205

...
11
Cable Tie MTD-726-0230

...
12
Lock Wash. 5/16" I.D. For faster service obtain standard nuts, bolts and washers locally. If these items cannot be obtained locally, order by part number and size as shown on parts list. MTD-936-0119

...
13
Ignition Switch MTD-925-0267B


...
15
FUEL TANK 1.36 GAL MTD-751-0555D

...
16
FUEL HOSE 1/4-24" MTD-751-22813-24

...
17
BLADE BRAKE ASSEMBLY MTD-961-0194A

...
18
Carriage Bolt 1/4-20 x .62" MTD-710-0134

...
19
SCREW 3/8-24 x .80 MTD-710-0793

...
20
SEAT PIVOT BRACKET MTD-783-0039A

...
21
FENDER-RR MTD-17590

...
22
SEAT HINGE SUPPORT BRKT. (RH) MTD-17704

...
23
SEAT HINGE SUPPORT BRKT. (LH) MTD-17703

...
24
BRACKET-DECK INDEX MTD-17553

...
25

...
26
Hex Self-Tap Scr. 5/16-18 x 1.25" Lg. MTD-710-0817

...
28
Hex AB-Tap Scr. 5/16 x .75" Lg. MTD-710-0726

...
29
Torx Mach. AB-Tap Scr. 1/4 x .62" Lg. MTD-710-1017

...
30
Hex Self-Tap Scr. 3/8-16 x .75" Lg. MTD-710-0623

...
31
HEX NUT 1/4-20 For faster service obtain standard nuts, bolts and washers locally. If these items cannot be obtained locally, order by part number and size as shown on parts list. MTD-912-0287

...
32
External L-Wash. 5/16" I.D. MTD-736-0607

...
33
BATTERY BOX MTD-731-0871B

...
34
COMPRESSION SPRING MTD-732-0588

...
35
Fl-Wash. .34" I.D. x 1" O.D. MTD-736-3078

...
36
Bell-Wash. 5/16" I.D. MTD-736-0242

...
37
L-Wash. 1/4" I.D. For faster service obtain standard nuts, bolts and washers locally. If these items cannot be obtained locally, order by part number and size as shown on parts list. MTD-936-0329

...
38
LABEL-REFLECTIVE MTD-777X40318

...
40
SPRING WASHER BELL MTD-736-0270

...
41
Pan Hd. Scr. 10-24 x .75" Lg. MTD-710-3009

...
45
GRILLE-10 STYLE New Part MTD-931-1097G

...
xx
GRILLE-10 STYLE New Part MTD-931-1097G

...
46
BRACKET-GR MTD-17595

...
47
BRACKET-GR MTD-17596

...
48
Hood New Part MTD-17551B

...
49
L-Wash. 3/8" I.D. - H.D. MTD-736-0217

...
50
Hex L-Nut 3/8-24 Thd. MTD-712-0241

...
?52
Truss Mach Scr #10-24 x .5" Lg. MTD-710-0473

...
53
FOOT PAD - R H MTD-723-0308B

...
54
FOOT PAD (LH) MTD-723-0309B

...
57
LOCK NUT 1/4 x 28 MTD-712-0380

...
62
HOOD SPRING MTD-732-0704

...
65
Fl-Wash 28" I.D x .75" O.D. MTD-736-0342

...
66
Shoulder Bolt, .375 x .125 MTD-938-0952A

...
67
GRILLE SUPPORT MTD-749-0914

...
68
Trim Strip 81" Lg. MTD-731-0511-81

...
72
Choke Control 23" MTD-946-0616A

...
73
Throttle Control Box MTD-831-0823A

...
74
Truss AB-Tap Scr. #10 x .5" MTD-710-0779A

...
75
Throttle Wire (B&S) MTD-746-0501

...
75
Throttle Control Wire 18.5" MTD-946-0638

...
76
LOW BACK SEAT BLACK W/SWITCH MTD-957-0378


...
76
SEAT-V-550 4 BOLT MTD-757-0348A

...
76
LOW BACK SEAT BLACK W/SWITCH MTD-957-0378

...
78
Fl-Wash. .344" I.D. x 88" O.D. MTD-736-0159

...
79
RUBBER BUSHING .318IDX.930OD MTD-722-0160

...
83
Hex Tap Scr. #8 x .5" Lg. MTD-710-0227

...
84
Safety Switch (Seat) MTD-725-1439

...
85
Extension Spring MTD-932-0581B

...
86
BRACKET-SEAT LIFT MTD-17239C

...
87
Insulator Boss Plate MTD-726-0278

...
88
Shoulder Bolt MTD-938-0155

...
89
Shld. Bolt .437" Dia. x .268" Lg. MTD-738-0296

...
90
Spr. Wash. 7/16" I.D. MTD-936-0141

...
91
Screw, 5/16-18 x .625 MTD-710-0604A

...
92
Insulator Plate MTD-726-0279

...
94
PAD-CENTER FOOT MTD-723-0423

...
95
Outer Seat Spring Switch MTD-925-1303

...
96
DASH PANEL (w/Amp & Light Switch) MTD-731-1228

...
xx
DASH PANEL New Part;(w/o Amp & Light Switch) MTD-731-1502

...
97
CLIP-CHOKE RETAINER MTD-17782

...
99
U-TYPE SPEED NUT MTD-926-0130

...

...
102
Ammeter (Optional) MTD-925-0925

...
103
Hex Jam Nut 5/16-18 Thd. MTD-712-3007

...
104
Hex Wash. Hd. Tap Scr. 1/4-20 x .5" Lg. MTD-710-0599
...
...
...
...
...
Processing