Welcome,
My Cart
0 item(s)

Models

Parts


product name

Coast to Coast 134Y450F054 (1994) Lawn Tractor

Model: 134Y450F054 (1994)

Back To Assemblies

Save
Part Not Listed?Part Not Listed?

product name

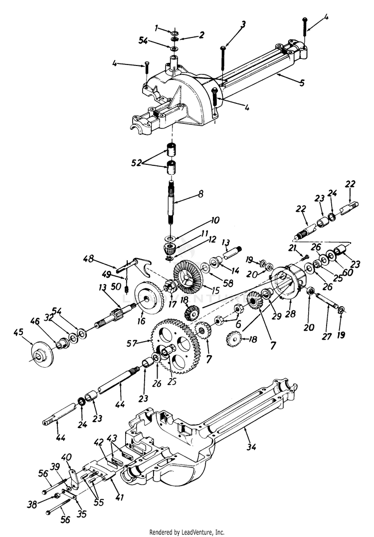
Transaxle Assembly

...
...
xx
TRANSMISSION ASSEMBLY MTD-918-0166B

...
xx
SINGLE TRANSAXLE MTD-618-0077

...
1
Wire Ring MTD-732-0614

...
2
Retainer Ring MTD-916-0171

...
3
Hex Wash. TT-Tap Scr. 1/4-20 x 1.75 Lg. For faster service obtain standard nuts, bolts and washers locally. If these items cannot be obtained locally, order by part number and size as shown on part numbers. MTD-710-1026

...
4
Hex Tap Scr. 1/4-20 x 1.25" Lg. MTD-710-0809

...
5
UPPER HOUSING KIT MTD-753-0678

...
6
UNKNOWN MTD-NA

...
7
UNKNOWN MTD-NA

...
8
INPUT SHAFT MTD-711-0861

...
10
THRUST WASHER MTD-936-0335

...
11
INPUT PINION 14T MTD-917-0633

...
12
Retainer Ring MTD-916-0171

...
13
KIT (LH) DRIVE SHAFT MTD-753-0596

...
14
Flange Brg. 5/8" I.D. x 3/4" Lg. For faster service obtain standard nuts, bolts and washers locally. If these items cannot be obtained locally, order by part number and size as shown on part numbers. MTD-941-0336

...
15
Bevel Gear 42T Small I.D. MTD-917-1362

...
16
BEVEL GEAR .695" 42 TEETH MTD-917-1363

...
17
Clutch Collar MTD-718-0228

...
18
MITER GEAR MTD-717-1020

...
19
Snap Ring MTD-916-0184

...
20
Thrust Bearing MTD-941-0589

...
21
Pan Head Scr. 1/4-20 x .50" Lg. w/Patch MTD-710-0862A

...
22
AXLE ASSEMBLY (RH) MTD-717-1023

...
23
SLEEVE BEARING .75X1.00X1.00 MTD-741-05060

...
24
Oil Seal 3/4" I.D. MTD-721-0179

...
25
Axle Spacer MTD-750-0767

...
26
Fl-Wash. .760" I.D. x 1.5" O.D. MTD-736-0445

...
27
Cross Shaft MTD-711-0918

...
28
DIFF HOUSING ASSEMBLY W/BEARING MTD-918-04089

...
29
Part of Ref. 28 MTD-NA

...
32
Washer See washers listed below MTD-NA

...
32
THRUST WASHER MTD-736-0495

...
32
FLAT WASHER MTD-936-0336

...
32
Thrust Wash. 5/8" I.D. x 1" O.D. x .035" Thk. MTD-736-0494

...
32
Fl-Wash. 5/8" I.D. x 1" O.D. x .040" Thk MTD-736-0337

...
34
HOUSING-LOWER TRANS NLAUD MTD-719-0313B

...
35
Anti-Rotation Brkt. MTD-718-0150


...
39
Fl-Wash. .344" I.D. x .875" O.D. MTD-736-0371

...
40
ACTUATING ARM (LH) MTD-717-0772B

...
41
BRAKE YOKE MTD-961-0198B

...
42
PUCK PLATE MTD-917-0682

...
43
BRAKE PUCK MTD-917-0678

...
44
AXLE ASSEMBLY (LH) MTD-717-1022

...
45
Brake Disc MTD-761-0202

...
46
Flange Bearing 5/8" I.D. x 15/16" Lg. MTD-941-0337

...
48
Detent Shaft Assembly MTD-911-0011

...
49
DETENT BALL .250 MTD-741-0862

...
50
DETENT SHAFT SPRING MTD-932-05125

...
52
NEEDLE BEARING MTD-941-0335

...
54
FLAT WASHER MTD-936-0349

...
55
Actuating Pin 5/16" Dia. MTD-741-0343

...
56
Hex Wash. Hd. Self-Tap Scr. 1/4-20 Thd. MTD-710-1206

...
57
DIFFERENTIAL GEAR MTD-917-04292

...
58
FLAT WASHER MTD-936-0349

...
58
THRUST WASHER MTD-736-0495

...
60
Washer See washers listed below MTD-NA

...
xx
THRUST WASHER MTD-936-0492

...
xx
THRUST WASHER MTD-936-0493

...
xx
Fl-Wash. .76" I.D. x 1.5" O.D. x .030" Thk. MTD-736-0351

...
xx
Fl-Wash. .76" I.D. x 1.5" O.D. x .040" Thk. MTD-736-0445

...
xx
Grease, Benalene 8 oz tube MTD-737-0300A

...
xx
Engine 10.5, 11, 11.5 & 12 HP (B&S) Muffler Chart MTD-NA

...
xx
MUFFLER ASSEMBLY Muffler Chart MTD-951-0302

...
xx
CONDUIT L-NUT Muffler Chart; Mounting Hardware MTD-712-0250

...
xx
Engine 12 HP (Tec) Muffler Chart MTD-NA

...
xx
MUFFLER Muffler Chart MTD-951-0443A

...
xx
SHOULDER SCREW Muffler Chart; Mounting Hardware MTD-938-0636

...
xx
Gasket-Exhaust Muffler Chart; Mounting Hardware MTD-BS-692236
...
...
...
...
...
Processing